Curiosii for ever!
: Car repair manuals for everyone.
Home
>>
Toyota
>>
2012
>>
Corolla L4-2.4L (2AZ-FE)
>>
Repair and Diagnosis
>>
Starting and Charging
>>
Starting System
>>
Description and Operation
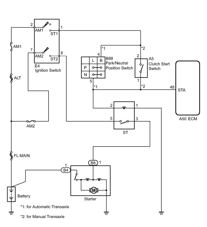
Starting System: Description and Operation
2AZ-FE STARTING:
STARTING SYSTEM
: SYSTEM DIAGRAM