Curiosii for ever!
: Car repair manuals for everyone.
Home
>>
Toyota
>>
2012
>>
Corolla L4-2.4L (2AZ-FE)
>>
Repair and Diagnosis
>>
Powertrain Management
>>
Emission Control Systems
>>
Description and Operation
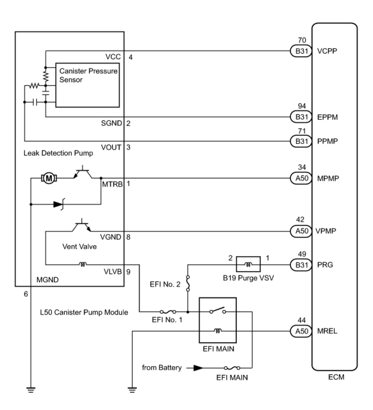
Emission Control Systems: Description and Operation
2AZ-FE EMISSION CONTROL: EMISSION CONTROL SYSTEM: SYSTEM DIAGRAM