Curiosii for ever!: Car repair manuals for everyone.

Fuel Pump Control Circuit





2AZ-FE ENGINE CONTROL: SFI SYSTEM: Fuel Pump Control Circuit
- Fuel Pump Control Circuit

DESCRIPTION

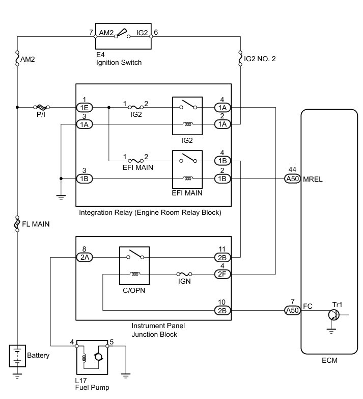
When the engine is cranked, the starter relay drive signal from the ignition switch is input into the STA terminal of the ECM, and the NE signal generated by the crankshaft position sensor is also input into the NE+ terminal. Thus, the ECM interprets that the engine is being cranked, and turns transistor Tr1 in the ECM internal circuit on. The current flows to the C/OPN (Circuit Opening) relay by turning Tr1 on. Then, the fuel pump operates.

While the NE signal is input into the ECM, and the engine is running, the ECM turns Tr1 on continuously.





WIRING DIAGRAM





INSPECTION PROCEDURE

PROCEDURE

1. PERFORM ACTIVE TEST USING TECHSTREAM (CONTROL THE FUEL PUMP/SPEED)

(a) Connect the Techstream to the DLC3.

(b) Turn the ignition switch to ON.

(c) Turn the Techstream on.

(d) Enter the following menus: Powertrain / Engine and ECT / Active Test / Control the Fuel Pump/Speed.

(e) Check whether the fuel pump operating sound occurs when performing the Active Test using the Techstream.

Result:





B -- READ VALUE USING TECHSTREAM (STARTER SIGNAL)
A -- Continue to next step.

2. INSPECT INSTRUMENT PANEL JUNCTION BLOCK (C/OPN RELAY INPUT VOLTAGE)

(a) Disconnect the instrument panel junction block connector.

(b) Measure the voltage between the terminal of the instrument panel junction block and the body ground when the ignition switch is turned to ON and off.





Standard Voltage:





Result:





(c) Reconnect the instrument panel junction block connector.

B -- INSPECT INSTRUMENT PANEL JUNCTION BLOCK (C/OPN RELAY)
A -- Continue to next step.

3. CHECK HARNESS AND CONNECTOR (INSTRUMENT PANEL JUNCTION BLOCK - INTEGRATION RELAY)

(a) Remove the integration relay from the engine room relay block.

(b) Disconnect the integration relay connector.

(c) Disconnect the instrument panel junction block connectors.

(d) Measure the resistance according to the value(s) in the table below.

Standard Resistance (Check for Open):





(e) Reconnect the integration relay connector.

(f) Reinstall the integration relay.

(g) Reconnect the instrument panel junction block connectors.

NG -- REPAIR OR REPLACE HARNESS OR CONNECTOR (INSTRUMENT PANEL JUNCTION BLOCK - INTEGRATION RELAY)

OK -- GO TO ECM POWER SOURCE CIRCUIT ECM Power Source Circuit

4. INSPECT INSTRUMENT PANEL JUNCTION BLOCK (C/OPN RELAY)

(a) Inspect the C/OPN relay Relay.

NG -- REPLACE INSTRUMENT PANEL JUNCTION BLOCK
OK -- Continue to next step.

5. CHECK HARNESS AND CONNECTOR (C/OPN RELAY - ECM)

(a) Disconnect the ECM connector.

(b) Disconnect the instrument panel junction block connector.

(c) Measure the resistance according to the value(s) in the table below.

Standard Resistance (Check for Open):





Standard Resistance (Check for Short):





(d) Reconnect the instrument panel junction block connector.

(e) Reconnect the ECM connector.

NG -- REPAIR OR REPLACE HARNESS OR CONNECTOR (C/OPN RELAY - ECM)
OK -- Continue to next step.

6. CHECK HARNESS AND CONNECTOR (INSTRUMENT PANEL JUNCTION BLOCK - FUEL PUMP)

(a) Disconnect the instrument panel junction block connector.

(b) Disconnect the fuel pump connector.

(c) Measure the resistance according to the value(s) in the table below.

Standard Resistance (Check for Open):





Standard Resistance (Check for Short):





(d) Reconnect the fuel pump connector.

(e) Reconnect the instrument panel junction block connector.

NG -- REPAIR OR REPLACE HARNESS OR CONNECTOR (INSTRUMENT PANEL JUNCTION BLOCK - FUEL PUMP)
OK -- Continue to next step.

7. CHECK HARNESS AND CONNECTOR (FUEL PUMP - BODY GROUND)

(a) Disconnect the fuel pump connector.

(b) Measure the resistance according to the value(s) in the table below.

Standard Resistance (Check for Open):





(c) Reconnect the fuel pump connector.

NG -- REPAIR OR REPLACE HARNESS OR CONNECTOR (FUEL PUMP - BODY GROUND)
OK -- Continue to next step.

8. READ VALUE USING TECHSTREAM (STARTER SIGNAL)

(a) Connect the Techstream to the DLC3.

(b) Turn the ignition switch to ON.

(c) Turn the Techstream on.

(d) Enter the following menus: Powertrain / Engine and ECT / Data List / Primary / Starter Signal.

(e) Check the result when the ignition switch is turned to ON and engine is started.

Result:





NG -- GO TO STARTER SIGNAL CIRCUIT Starter Signal Circuit
OK -- Continue to next step.

9. READ VALUE USING TECHSTREAM (ENGINE SPEED)

(a) Connect the Techstream to the DLC3.

(b) Turn the ignition switch to ON.

(c) Turn the Techstream on.

(d) Enter the following menus: Powertrain / Engine and ECT / Data List / Primary / Engine Speed.

(e) Read the values displayed on the Techstream while cranking.

OK:

Values are displayed continuously.

NG -- REPAIR OR REPLACE CRANKSHAFT POSITION SENSOR CIRCUIT P0335

OK -- REPLACE ECM Components