Curiosii for ever!
: Car repair manuals for everyone.
Home
>>
Toyota
>>
2012
>>
Corolla L4-1.8L (2ZR-FE)
>>
Repair and Diagnosis
>>
Starting and Charging
>>
Starting System
>>
Description and Operation
Starting System: Description and Operation
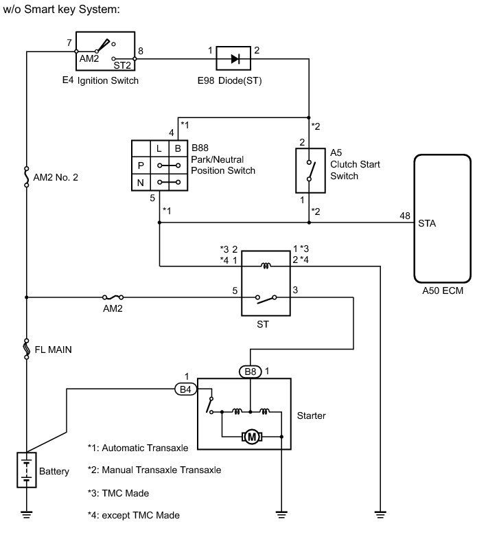
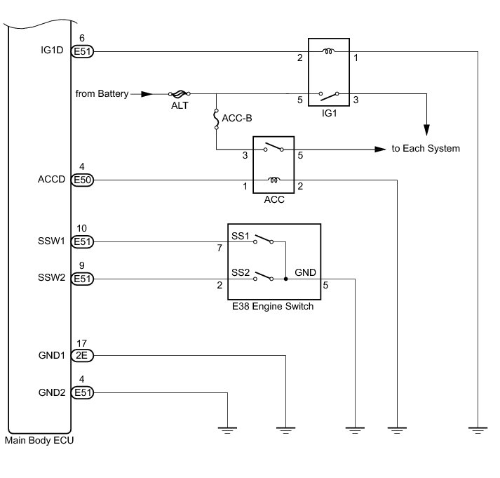
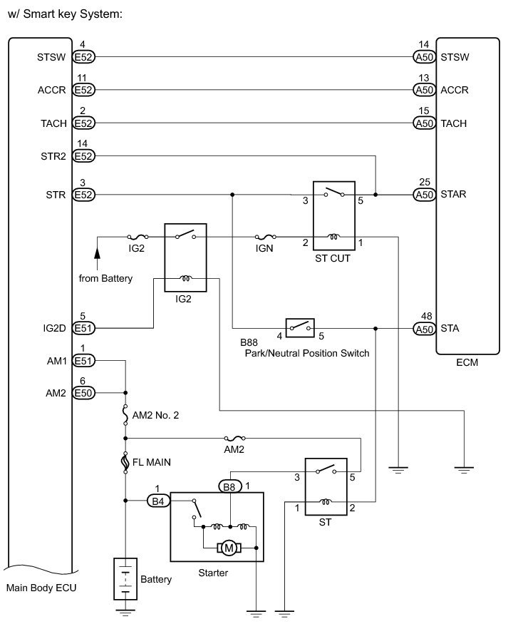
2ZR-FE STARTING:
STARTING SYSTEM
: SYSTEM DIAGRAM