Curiosii for ever!: Car repair manuals for everyone.

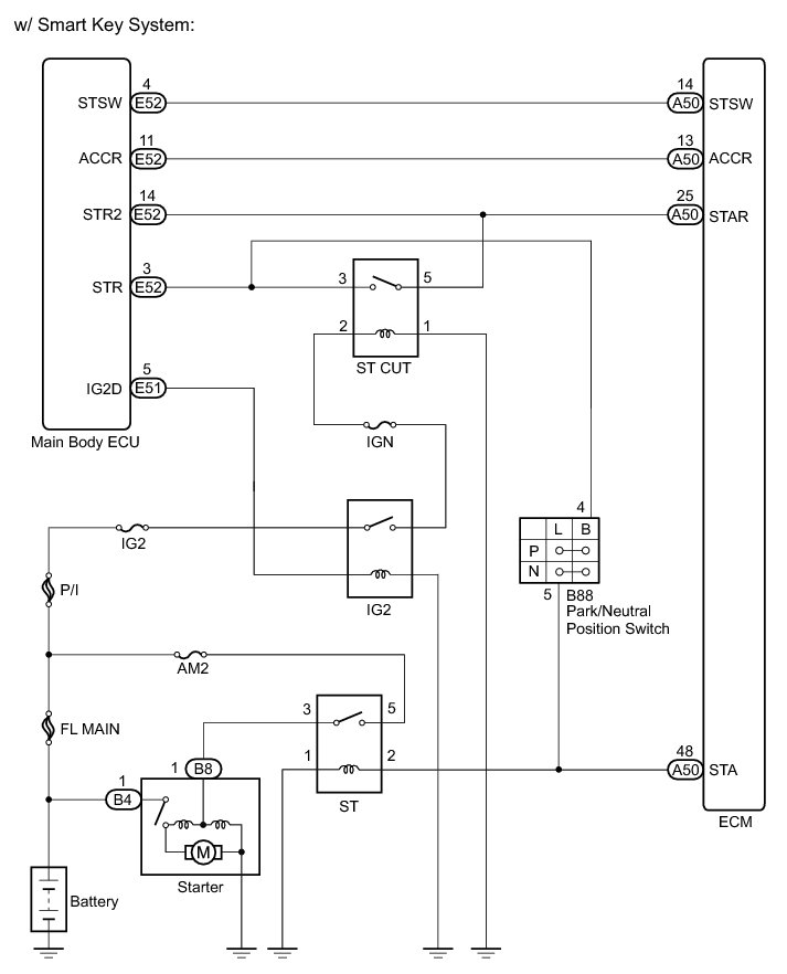
Cranking Holding Function Circuit





2ZR-FE ENGINE CONTROL: SFI SYSTEM: Cranking Holding Function Circuit
- Cranking Holding Function Circuit

DESCRIPTION

The cranking holding control system keeps energizing the ST relay after the ECM detects the starter signal (STSW signal) from the ignition switch*1 or main body ECU*2 until the ECM performs a judgment of "Engine started". Furthermore, the ECM outputs an accessory cut signal (ACCR signal) to the ACC CUT relay during cranking to prevent flickering of the combination meter, clock, audio system, and other areas.

When the ECM detects the STSW signal, the ECM outputs the ST relay drive signal (STAR signal) to the ST relay through the clutch pedal switch*3 or park/neutral position switch*4, and then the engine is cranked. When the ECM receives a stable engine speed signal (NE signal) (more specifically, when the NE signal reaches a predetermined value), the ECM stops outputting the STAR signal. Also, the ECM monitors the ST relay operating conditions based on the STA terminal voltage status.

*1: w/o smart key system

*2: w/ smart key system

*3: for manual transaxle models

*4: for automatic transaxle models





WIRING DIAGRAM









INSPECTION PROCEDURE

PROCEDURE

1. READ VALUE USING TECHSTREAM (STARTER SIGNAL)

(a) Connect the Techstream to the DLC3.

(b) Turn the ignition switch to ON.

(c) Turn the Techstream ON.

(d) Enter the following menus: Powertrain / Engine and ECT / Data List / Starter Signal.

(e) Check the result when the ignition switch is turned to ON and START.

OK:





Result:





B -- INSPECT ST RELAY (VOLTAGE)
A -- Continue to next step.

2. INSPECT ECM (STSW TERMINAL VOLTAGE)

(a) Disconnect the ECM connector.





(b) Turn the ignition switch to ON.

(c) Measure the voltage according to the value(s) in the table below.

Standard Voltage:





Result:





(d) Reconnect the ECM connector.

HINT
DTCs related to the communication with other computers may be set due to this inspection. Clear those DTCs after inspection.

B -- INSPECT FUSE (AM2 NO. 2 FUSE)

C -- CHECK HARNESS AND CONNECTOR (ECM - MAIN BODY ECU)
A -- Continue to next step.

3. INSPECT RELAY (ST RELAY VOLTAGE)

(a) Remove the ST relay from the No. 5 relay block (TMC made).





(b) Remove the ST relay from the No. 8 relay block (except TMC made).

(c) Turn the ignition switch to ON.

(d) Measure the voltage according to the value(s) in the table below.

Standard Voltage:

TMC Made





except TMC Made





Result:





(e) Reinstall the ST relay.

B -- CHECK HARNESS AND CONNECTOR (CLUTCH PEDAL SWITCH - ECM)

C -- INSPECT PARK/NEUTRAL POSITION SWITCH

D -- INSPECT CLUTCH PEDAL SWITCH
A -- Continue to next step.

4. CHECK HARNESS AND CONNECTOR (PARK/NEUTRAL POSITION SWITCH - ECM)

(a) Disconnect the ECM connector.

(b) Disconnect the park/neutral position switch assembly connector.

(c) Measure the resistance according to the value(s) in the table below.

Standard Resistance (Check for Open):





Standard Resistance (Check for Short):





(d) Reconnect the ECM connector.

(e) Reconnect the park/neutral position switch assembly connector.

NG -- REPAIR OR REPLACE HARNESS OR CONNECTOR (PARK/NEUTRAL POSITION SWITCH - ECM)

OK -- REPLACE ECM Removal

5. CHECK HARNESS AND CONNECTOR (CLUTCH PEDAL SWITCH - ECM)

(a) Disconnect the ECM connector.

(b) Disconnect the clutch pedal switch connector.

(c) Measure the resistance according to the value(s) in the table below.

Standard Resistance (Check for Open):





Standard Resistance (Check for Short):





(d) Reconnect the ECM connector.

(e) Reconnect the clutch pedal switch connector.

NG -- REPAIR OR REPLACE HARNESS OR CONNECTOR (CLUTCH PEDAL SWITCH - ECM)

OK -- REPLACE ECM Removal

6. INSPECT PARK/NEUTRAL POSITION SWITCH

(a) Inspect the park/neutral position switch Component Tests and General Diagnostics.

Result:





B -- INSPECT PARK/NEUTRAL POSITION SWITCH (POWER SOURCE)

C -- REPLACE PARK/NEUTRAL POSITION SWITCH Removal
A -- Continue to next step.

7. CHECK HARNESS AND CONNECTOR (IGNITION SWITCH ASSEMBLY - PARK/NEUTRAL POSITION SWITCH)

(a) Disconnect the park/neutral position switch connector.

(b) Disconnect the ignition switch assembly connector.

(c) Measure the resistance according to the value(s) in the table below.

Standard Resistance (Check for Open):





Standard Resistance (Check for Short):





HINT
When measuring the resistance, it is necessary to reverse the positive (+) and negative (-) tester probes because there is a diode in the wire harness.

(d) Reconnect the park/neutral position switch connector.

(e) Reconnect the ignition switch assembly connector.

NG -- REPAIR OR REPLACE HARNESS OR CONNECTOR (IGNITION SWITCH ASSEMBLY - PARK/NEUTRAL POSITION SWITCH)
OK -- Continue to next step.

8. CHECK HARNESS AND CONNECTOR (PARK/NEUTRAL POSITION SWITCH - ECM)

(a) Disconnect the ECM connector.

(b) Disconnect the park/neutral position switch connector.

(c) Measure the resistance according to the value(s) in the table below.

Standard Resistance (Check for Open):





Standard Resistance (Check for Short):





(d) Reconnect the ECM connector.

(e) Reconnect the park/neutral position switch connector.

NG -- REPAIR OR REPLACE HARNESS OR CONNECTOR (PARK/NEUTRAL POSITION SWITCH - ECM)
OK -- Continue to next step.

9. CHECK HARNESS AND CONNECTOR (PARK/NEUTRAL POSITION SWITCH - ST RELAY AND ECM)

(a) Disconnect the park/neutral position switch connector.

(b) Remove the ST relay from the No. 5 relay block (TMC made).

(c) Remove the ST relay from the No. 8 relay block (except TMC made).

(d) Disconnect the ECM connector.

(e) Measure the resistance according to the value(s) in the table below.

Standard Resistance (Check for Open):

TMC Made





except TMC Made





Standard Resistance (Check for Short):

TMC Made





except TMC Made





(f) Reconnect the park/neutral position switch connector.

(g) Reinstall the ST relay.

(h) Reconnect the ECM connector.

NG -- REPAIR OR REPLACE HARNESS OR CONNECTOR (PARK/NEUTRAL POSITION SWITCH - ST RELAY AND/OR ECM)

OK -- REPLACE ECM Removal

10. INSPECT PARK/NEUTRAL POSITION SWITCH (POWER SOURCE)

(a) Disconnect the park/neutral position switch connector.





(b) Move the shift lever to the P or N position.

(c) Measure the voltage according to the value(s) in the table below.

Standard Voltage:





(d) Reconnect the park/neutral position switch connector.

NG -- INSPECT RELAY (ST CUT RELAY)
OK -- Continue to next step.

11. CHECK HARNESS AND CONNECTOR (PARK/NEUTRAL POSITION SWITCH - ST RELAY AND ECM)

(a) Disconnect the park/neutral position switch connector.

(b) Remove the ST relay from the No. 8 relay block.

(c) Disconnect the ECM connector.

(d) Measure the resistance according to the value(s) in the table below.

Standard Resistance (Check for Open):





Standard Resistance (Check for Short):





(e) Reconnect the ECM connector.

(f) Reinstall the ST relay.

(g) Reconnect the park/neutral position switch connector.

NG -- REPAIR OR REPLACE HARNESS OR CONNECTOR (PARK/NEUTRAL POSITION SWITCH - ST RELAY AND/OR ECM)

OK -- REPLACE ECM Removal

12. INSPECT RELAY (ST CUT RELAY)

(a) Remove the ST CUT relay from the No. 8 relay block.





(b) Measure the resistance according to the value(s) in the table below.

Standard Resistance:





NG -- REPLACE RELAY (ST CUT RELAY)
OK -- Continue to next step.

13. CHECK HARNESS AND CONNECTOR (PARK/NEUTRAL POSITION SWITCH - ST CUT RELAY, MAIN BODY ECU)

(a) Disconnect the park/neutral position switch connector.

(b) Remove the ST CUT relay from the No. 8 relay block.

(c) Disconnect the main body ECU connector.

(d) Measure the resistance according to the value(s) in the table below.

Standard Resistance (Check for Open):





Standard Resistance (Check for Short):





(e) Reconnect the main body ECU connector.

(f) Reinstall the ST CUT relay.

(g) Reconnect the park/neutral position switch connector.

NG -- REPAIR OR REPLACE HARNESS OR CONNECTOR (PARK/NEUTRAL POSITION SWITCH - ST CUT RELAY, MAIN BODY ECU)
OK -- Continue to next step.

14. CHECK HARNESS AND CONNECTOR (ECM - ST CUT RELAY AND MAIN BODY ECU)

(a) Disconnect the ECM connector.

(b) Remove the ST CUT relay from the No. 8 relay block.

(c) Disconnect the main body ECU connector.

(d) Measure the resistance according to the value(s) in the table below.

Standard Resistance (Check for Open):





Standard Resistance (Check for Short):





(e) Reconnect the main body ECU connector.

(f) Reinstall the ST CUT relay.

(g) Reconnect the ECM connector.

NG -- REPAIR OR REPLACE HARNESS OR CONNECTOR (ECM - ST CUT RELAY AND/OR MAIN BODY ECU)
OK -- Continue to next step.

15. CHECK HARNESS AND CONNECTOR (ST CUT RELAY - BODY GROUND)

(a) Remove the ST CUT relay from the No. 8 relay block.

(b) Measure the resistance according to the value(s) in the table below.

Standard Resistance:





(c) Reinstall the ST CUT relay.

NG -- REPAIR OR REPLACE HARNESS OR CONNECTOR (ST CUR RELAY - BODY GROUND)
OK -- Continue to next step.

16. INSPECT FUSE (IGN FUSE)

(a) Remove the IGN fuse from the instrument panel junction block.





(b) Measure the resistance according to the value(s) in the table below.

Standard Resistance:





(c) Reinstall the IGN fuse.

NG -- CHECK FOR SHORTS IN ALL HARNESSES AND CONNECTORS CONNECTED TO FUSE AND REPLACE FUSE
OK -- Continue to next step.

17. CHECK HARNESS AND CONNECTOR (ST CUT RELAY - INTEGRATION RELAY (IG2 RELAY))

(a) Remove the ST CUT relay from the No. 8 relay block.

(b) Remove the integration relay from the engine room relay block.

(c) Disconnect the integration relay connector.

(d) Measure the resistance according to the value(s) in the table below.

Standard Resistance (Check for Open):





Standard Resistance (Check for Short):





(e) Reconnect the integration relay connector.

(f) Reinstall the integration relay.

(g) Reinstall the ST CUT relay.

NG -- REPAIR OR REPLACE HARNESS OR CONNECTOR (ST CUT RELAY - INTEGRATION RELAY (IG2 RELAY))

OK -- GO TO ECM POWER SOURCE CIRCUIT ECM Power Source Circuit

18. INSPECT CLUTCH PEDAL SWITCH

(a) Inspect the clutch pedal switch Testing and Inspection.

NG -- REPLACE CLUTCH PEDAL SWITCH Removal
OK -- Continue to next step.

19. CHECK HARNESS AND CONNECTOR (IGNITION SWITCH ASSEMBLY - CLUTCH PEDAL SWITCH)

(a) Disconnect the clutch pedal switch connector.

(b) Disconnect the ignition switch assembly connector.

(c) Measure the resistance according to the value(s) in the table below.

Standard Resistance (Check for Open):





Standard Resistance (Check for Short):





HINT
When measuring the resistance, it is necessary to reverse the positive (+) and negative (-) tester probes because there is a diode in the wire harness.

(d) Reconnect the clutch pedal switch connector.

(e) Reconnect the ignition switch assembly connector.

NG -- REPAIR OR REPLACE HARNESS OR CONNECTOR (IGNITION SWITCH ASSEMBLY - CLUTCH PEDAL SWITCH)
OK -- Continue to next step.

20. CHECK HARNESS AND CONNECTOR (CLUTCH PEDAL SWITCH - ECM)

(a) Disconnect the ECM connector.

(b) Disconnect the clutch pedal switch connector.

(c) Measure the resistance according to the value(s) in the table below.

Standard Resistance (Check for Open):





Standard Resistance (Check for Short):





(d) Reconnect the ECM connector.

(e) Reconnect the clutch pedal switch connector.

NG -- REPAIR OR REPLACE HARNESS OR CONNECTOR (CLUTCH PEDAL SWITCH - ECM)
OK -- Continue to next step.

21. CHECK HARNESS AND CONNECTOR (CLUTCH PEDAL SWITCH - ST RELAY AND ECM)

(a) Disconnect the clutch pedal switch connector.

(b) Remove the ST relay from the No. 5 relay block (TMC made).

(c) Remove the ST relay from the No. 8 relay block (except TMC made).

(d) Disconnect the ECM connector.

(e) Measure the resistance according to the value(s) in the table below.

Standard Resistance (Check for Open):

TMC Made





except TMC Made





Standard Resistance (Check for Short):

TMC Made





except TMC Made





(f) Reconnect the clutch pedal switch connector.

(g) Reinstall the ST relay.

(h) Reconnect the ECM connector.

NG -- REPAIR OR REPLACE HARNESS OR CONNECTOR (CLUTCH PEDAL SWITCH - ST RELAY AND/OR ECM)

OK -- REPLACE ECM Removal

22. INSPECT FUSE (AM2 NO. 2 FUSE)

(a) Remove the AM2 No. 2 fuse from the engine room relay block.





(b) Measure the resistance according to the value(s) in the table below.

Standard Resistance:





(c) Reinstall the AM2 No. 2 fuse.

NG -- CHECK FOR SHORTS IN ALL HARNESSES AND CONNECTORS CONNECTED TO FUSE AND REPLACE FUSE
OK -- Continue to next step.

23. INSPECT IGNITION SWITCH ASSEMBLY

(a) Inspect the ignition switch assembly Testing and Inspection.

NG -- REPLACE IGNITION SWITCH ASSEMBLY Removal
OK -- Continue to next step.

24. CHECK HARNESS AND CONNECTOR (AM2 TERMINAL VOLTAGE)

(a) Disconnect the ignition switch assembly connector.





(b) Measure the voltage according to the value(s) in the table below.

Standard Voltage:





(c) Reconnect the ignition switch assembly connector.

NG -- REPAIR OR REPLACE HARNESS OR CONNECTOR (BATTERY - IGNITION SWITCH ASSEMBLY)

OK -- REPAIR OR REPLACE HARNESS OR CONNECTOR (ECM - IGNITION SWITCH)

25. CHECK HARNESS AND CONNECTOR (ECM - MAIN BODY ECU)

(a) Disconnect the ECM connector.

(b) Disconnect the main body ECU connector.

(c) Measure the resistance according to the value(s) in the table below.

Standard Resistance (Check for Open):





Standard Resistance (Check for Short):





(d) Reconnect the ECM connector.

(e) Reconnect the ignition switch assembly connector.

NG -- REPAIR OR REPLACE HARNESS OR CONNECTOR (ECM - MAIN BODY ECU)

OK -- GO TO SMART KEY SYSTEM How To Proceed With Troubleshooting

26. INSPECT ST RELAY (VOLTAGE)

(a) Remove the ST relay from the No. 5 relay block (TMC made).





(b) Remove the ST relay from the No. 8 relay block (except TMC made).

(c) Turn the ignition switch to ON.

(d) Measure the voltage according to the value(s) in the table below.

Standard Voltage:

TMC Made





except TMC Made





Result:





(e) Reinstall the ST relay.

B -- REPAIR OR REPLACE HARNESS OR CONNECTOR (ST RELAY - PARK/NEUTRAL POSITION SWITCH)

C -- REPAIR OR REPLACE HARNESS OR CONNECTOR (ST RELAY - CLUTCH PEDAL SWITCH)
A -- Continue to next step.

27. INSPECT RELAY (ST RELAY)

(a) Inspect the ST relay Testing and Inspection.

NG -- REPLACE RELAY (ST RELAY)
OK -- Continue to next step.

28. INSPECT ST RELAY (VOLTAGE)

(a) Remove the ST relay from the No. 5 relay block (TMC made).





(b) Remove the ST relay from the No. 8 relay block (except TMC made).

(c) Turn the ignition switch to ON.

(d) Measure the voltage according to the value(s) in the table below.

Standard Voltage:





(e) Reinstall the ST relay.

NG -- REPAIR OR REPLACE HARNESS OR CONNECTOR (BATTERY - ST RELAY)
OK -- Continue to next step.

29. CHECK HARNESS AND CONNECTOR (ST RELAY - BODY GROUND)

(a) Remove the ST relay from the No. 5 relay block (TMC made).

(b) Remove the ST relay from the No. 8 relay block (except TMC made).

(c) Measure the resistance according to the value(s) in the table below.

Standard Resistance (Check for Open):

TMC Made





except TMC Made





(d) Reinstall the ST relay.

NG -- REPAIR OR REPLACE HARNESS OR CONNECTOR (ST RELAY - BODY GROUND)
OK -- Continue to next step.

30. CHECK HARNESS AND CONNECTOR (ST RELAY - STARTER)

(a) Remove the ST relay from the No. 5 relay block (TMC made).

(b) Remove the ST relay from the No. 8 relay block (except TMC made).

(c) Disconnect the starter connector.

(d) Measure the resistance according to the value(s) in the table below.

Standard Resistance (Check for Open):





Standard Resistance (Check for Short):





(e) Reconnect the starter connector.

(f) Reinstall the ST relay.

NG -- REPAIR OR REPLACE HARNESS OR CONNECTOR (ST RELAY - STARTER)
OK -- Continue to next step.

31. CHECK HARNESS AND CONNECTOR (STARTER - BATTERY)

(a) Disconnect the cable from the negative (-) battery terminal.

(b) Disconnect the cable from the positive (+) battery terminal.

(c) Disconnect the starter connector.

(d) Measure the resistance according to the value(s) in the table below.

Standard Resistance (Check for Open):





Standard Resistance (Check for Short):





(e) Reconnect the starter connector.

(f) Reconnect the cable to the positive (+) battery terminal.

(g) Reconnect the cable to the negative (-) battery terminal.

NG -- REPAIR OR REPLACE HARNESS OR CONNECTOR (STARTER - BATTERY)

OK -- PROCEED TO NEXT SUSPECTED AREA SHOWN IN PROBLEM SYMPTOMS TABLE Symptom Related Diagnostic Procedures