Curiosii for ever!
: Car repair manuals for everyone.
Home
>>
Toyota
>>
2012
>>
Corolla L4-1.8L (2ZR-FE)
>>
Repair and Diagnosis
>>
Power and Ground Distribution
>>
Diagrams
>>
Electrical Diagrams
>>
Current Flow Chart
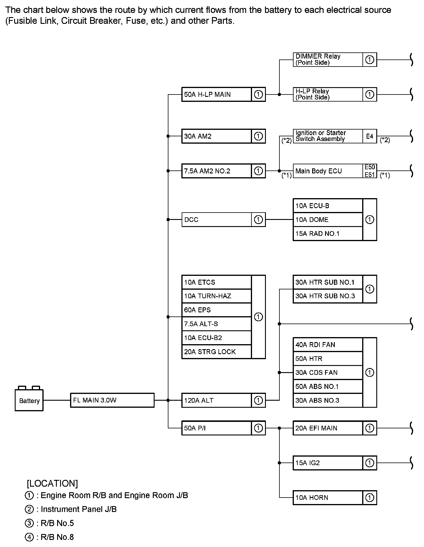
Current Flow Chart
Power Source (current Flow Chart)