Curiosii for ever!
: Car repair manuals for everyone.
Home
>>
Toyota
>>
2012
>>
Corolla L4-1.8L (2ZR-FE)
>>
Repair and Diagnosis
>>
Engine, Cooling and Exhaust
>>
Engine
>>
Intake Manifold
>>
Service and Repair
>>
Components
Components
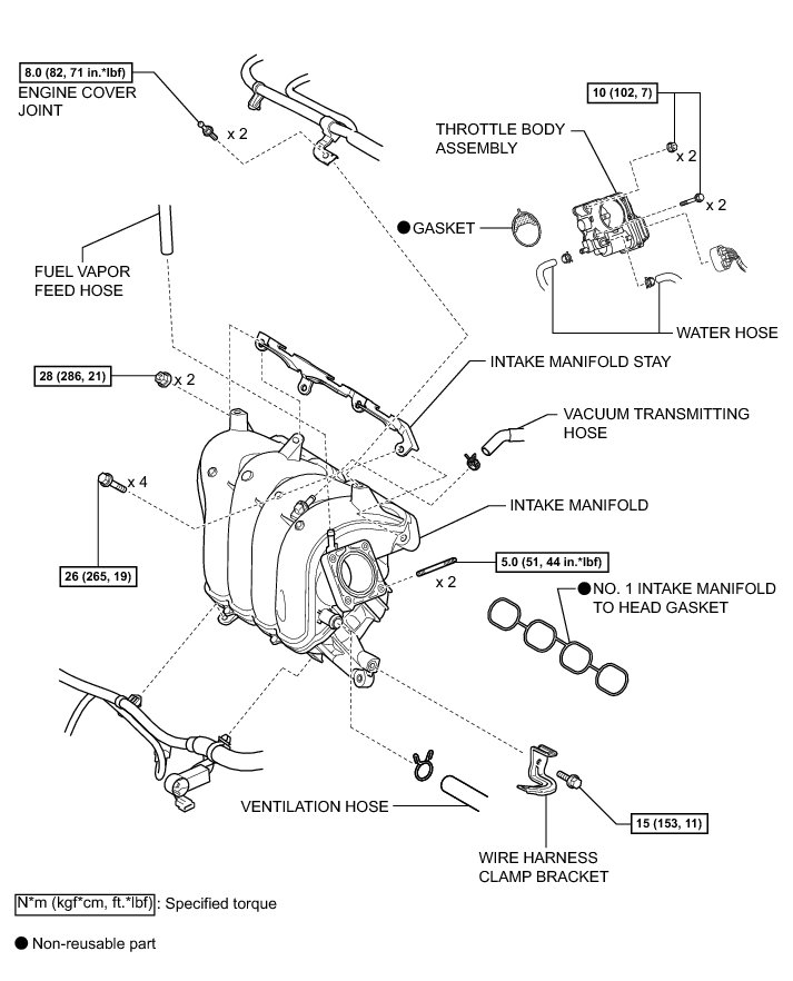
2ZR-FE INTAKE / EXHAUST:
INTAKE MANIFOLD
: COMPONENTS