Curiosii for ever!: Car repair manuals for everyone.

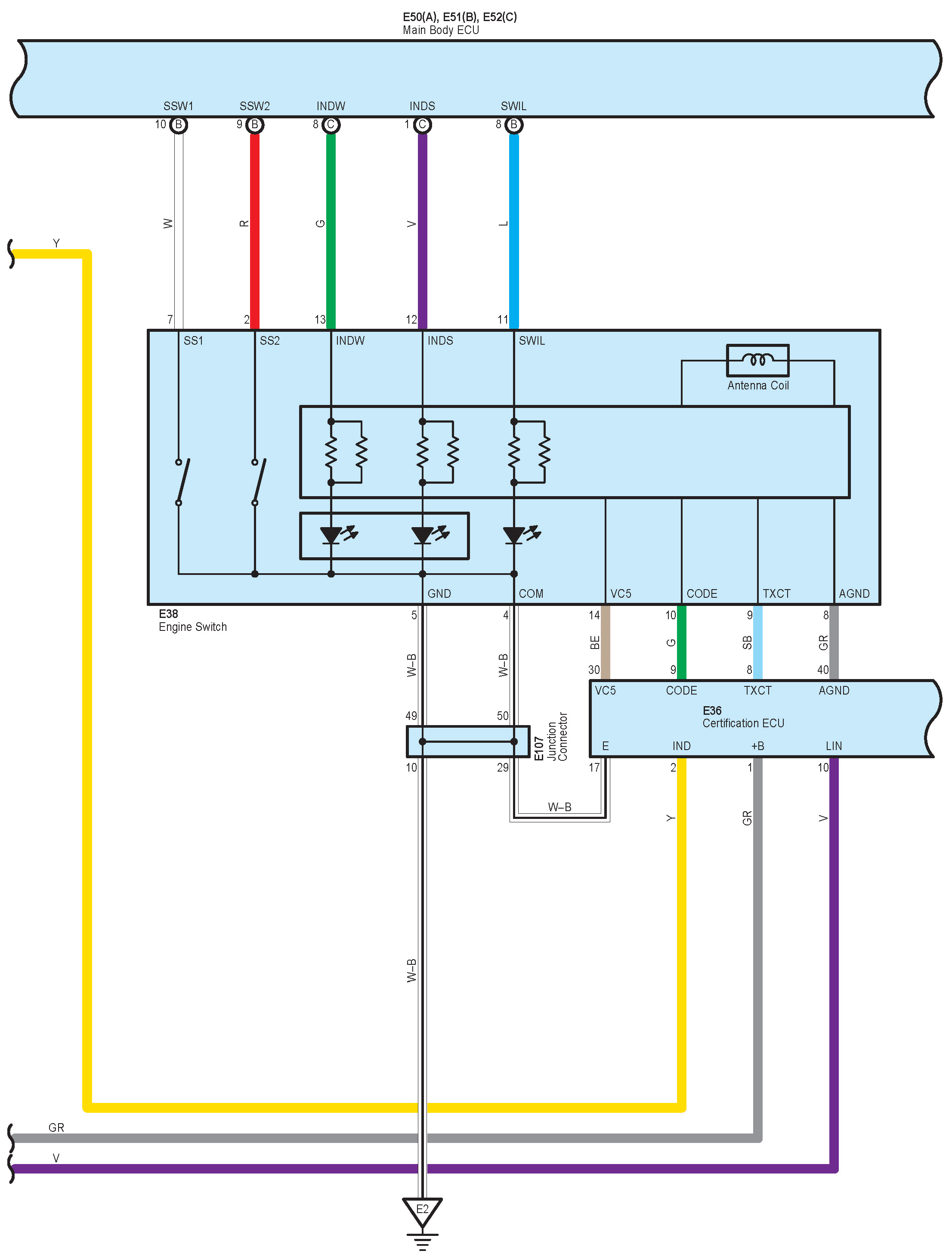
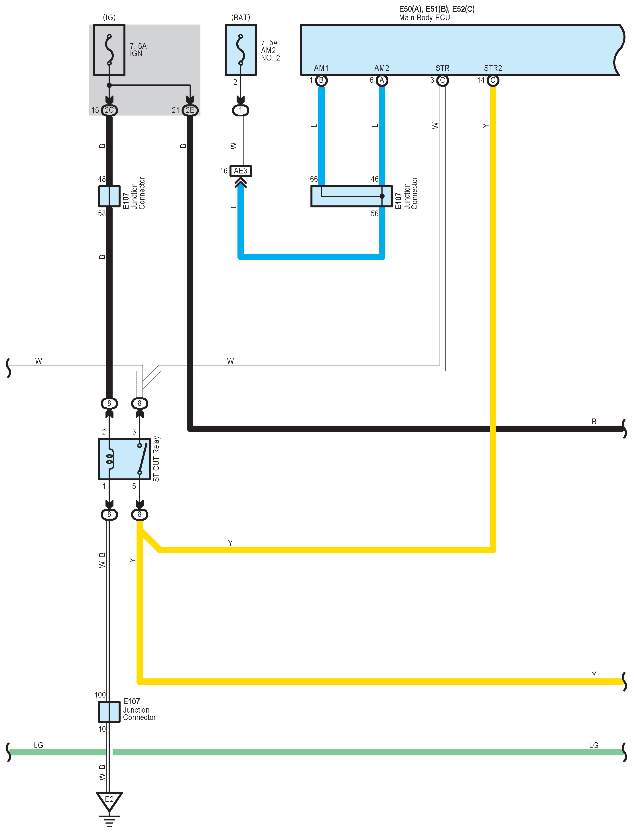
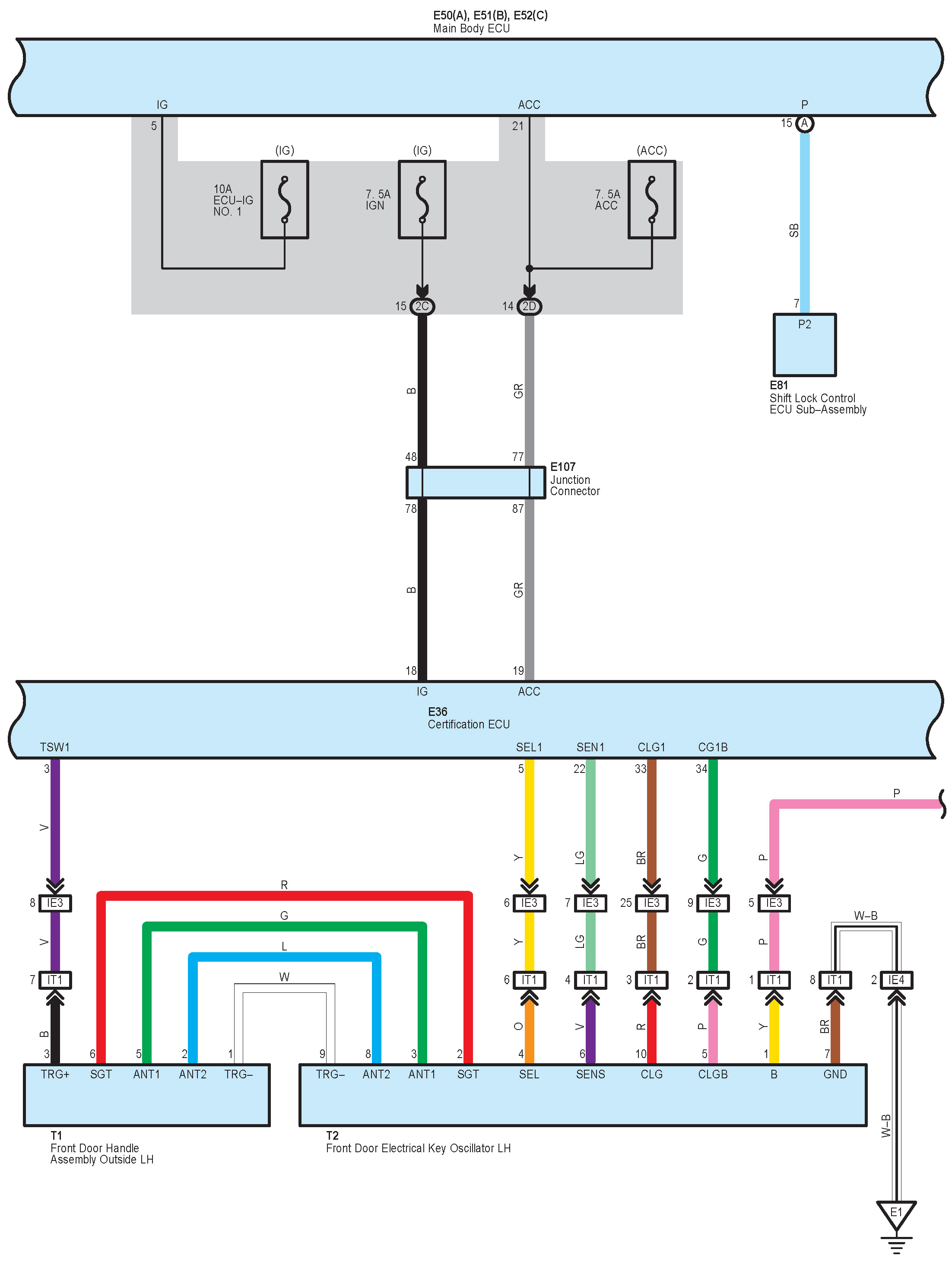
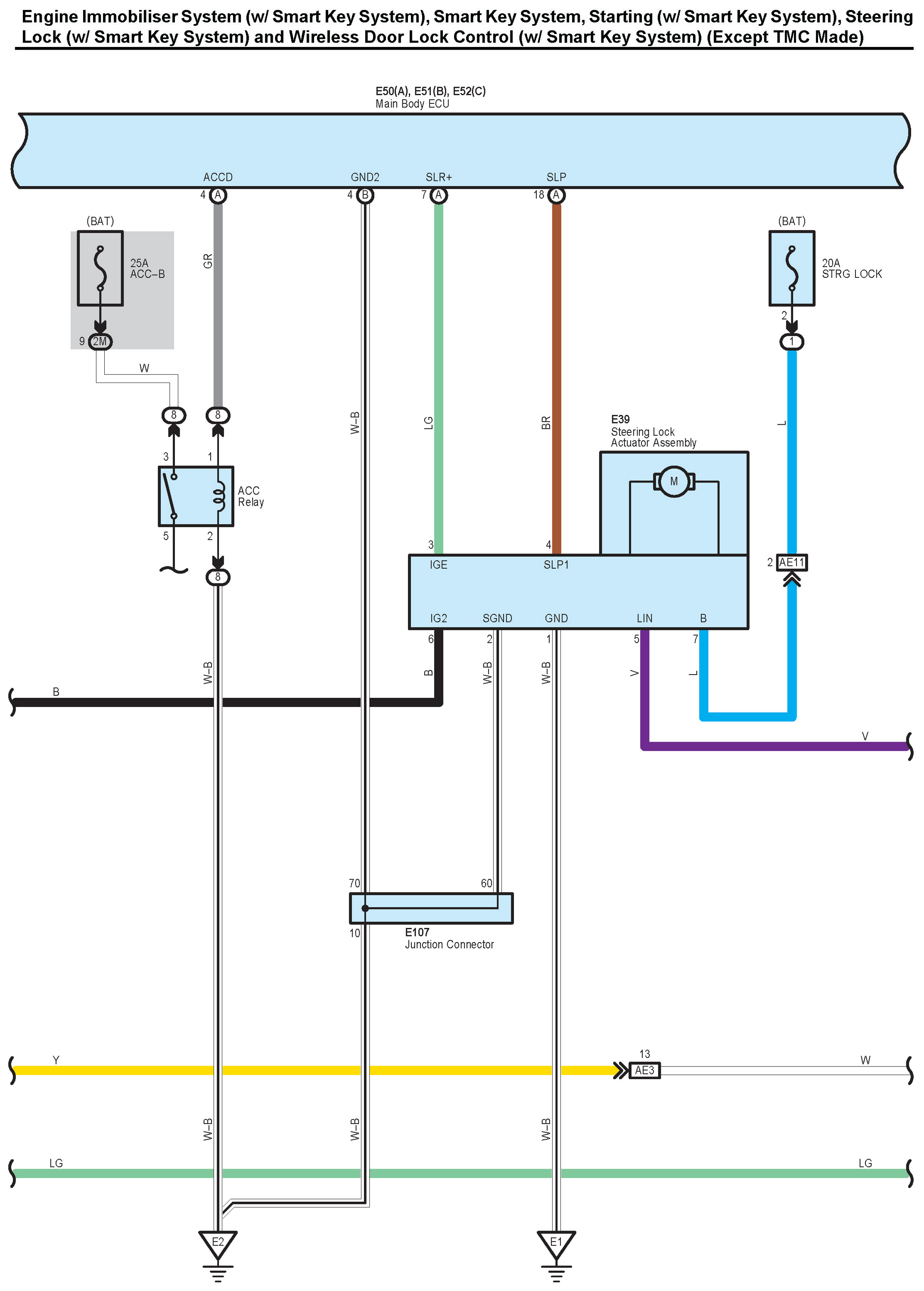
Keyless Starting System

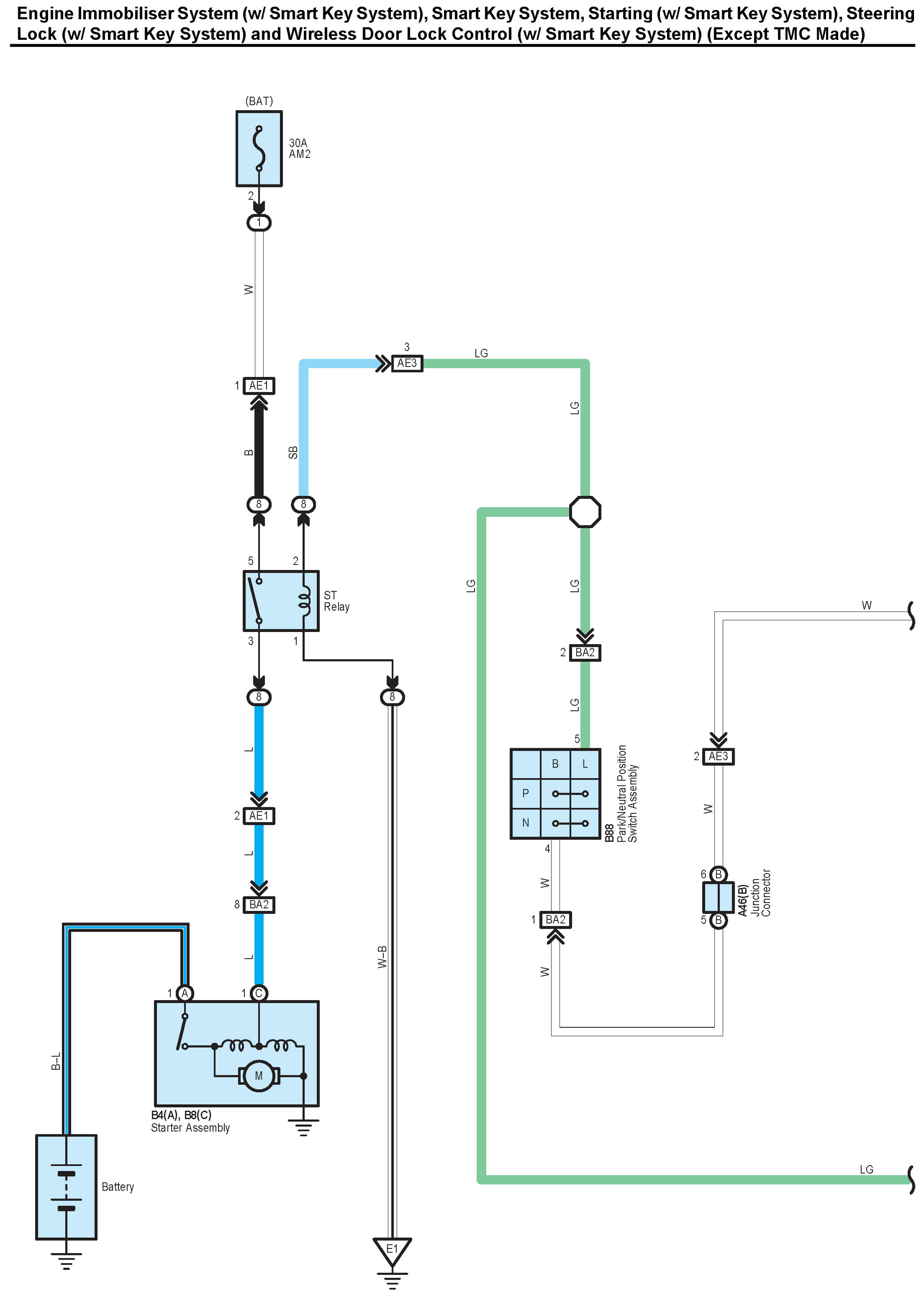
Engine Immobiliser System (w/ Smart Key System), Smart Key System, Starting (w/ Smart Key System), Steering Lock (w/ Smart Key System) and Wireless Door Lock Control (w/ Smart Key System) Part 1:




Engine Immobiliser System (w/ Smart Key System), Smart Key System, Starting (w/ Smart Key System), Steering Lock (w/ Smart Key System) and Wireless Door Lock Control (w/ Smart Key System) Part 2:




Engine Immobiliser System (w/ Smart Key System), Smart Key System, Starting (w/ Smart Key System), Steering Lock (w/ Smart Key System) and Wireless Door Lock Control (w/ Smart Key System) Part 3:




Engine Immobiliser System (w/ Smart Key System), Smart Key System, Starting (w/ Smart Key System), Steering Lock (w/ Smart Key System) and Wireless Door Lock Control (w/ Smart Key System) Part 4:




Engine Immobiliser System (w/ Smart Key System), Smart Key System, Starting (w/ Smart Key System), Steering Lock (w/ Smart Key System) and Wireless Door Lock Control (w/ Smart Key System) Part 5:




Engine Immobiliser System (w/ Smart Key System), Smart Key System, Starting (w/ Smart Key System), Steering Lock (w/ Smart Key System) and Wireless Door Lock Control (w/ Smart Key System) Part 6:




Engine Immobiliser System (w/ Smart Key System), Smart Key System, Starting (w/ Smart Key System), Steering Lock (w/ Smart Key System) and Wireless Door Lock Control (w/ Smart Key System) Part 7:




Engine Immobiliser System (w/ Smart Key System), Smart Key System, Starting (w/ Smart Key System), Steering Lock (w/ Smart Key System) and Wireless Door Lock Control (w/ Smart Key System) Part 8:




Engine Immobiliser System (w/ Smart Key System), Smart Key System, Starting (w/ Smart Key System), Steering Lock (w/ Smart Key System) and Wireless Door Lock Control (w/ Smart Key System) Part 9:




Engine Immobiliser System (w/ Smart Key System), Smart Key System, Starting (w/ Smart Key System), Steering Lock (w/ Smart Key System) and Wireless Door Lock Control (w/ Smart Key System) Part 10:




Engine Immobiliser System (w/ Smart Key System), Smart Key System, Starting (w/ Smart Key System), Steering Lock (w/ Smart Key System) and Wireless Door Lock Control (w/ Smart Key System) Part 11:




Engine Immobiliser System (w/ Smart Key System), Smart Key System, Starting (w/ Smart Key System), Steering Lock (w/ Smart Key System) and Wireless Door Lock Control (w/ Smart Key System) Part 12:




Engine Immobiliser System (w/ Smart Key System), Smart Key System, Starting (w/ Smart Key System), Steering Lock (w/ Smart Key System) and Wireless Door Lock Control (w/ Smart Key System) Part 13:




Engine Immobiliser System (w/ Smart Key System), Smart Key System, Starting (w/ Smart Key System), Steering Lock (w/ Smart Key System) and Wireless Door Lock Control (w/ Smart Key System) Part 14:












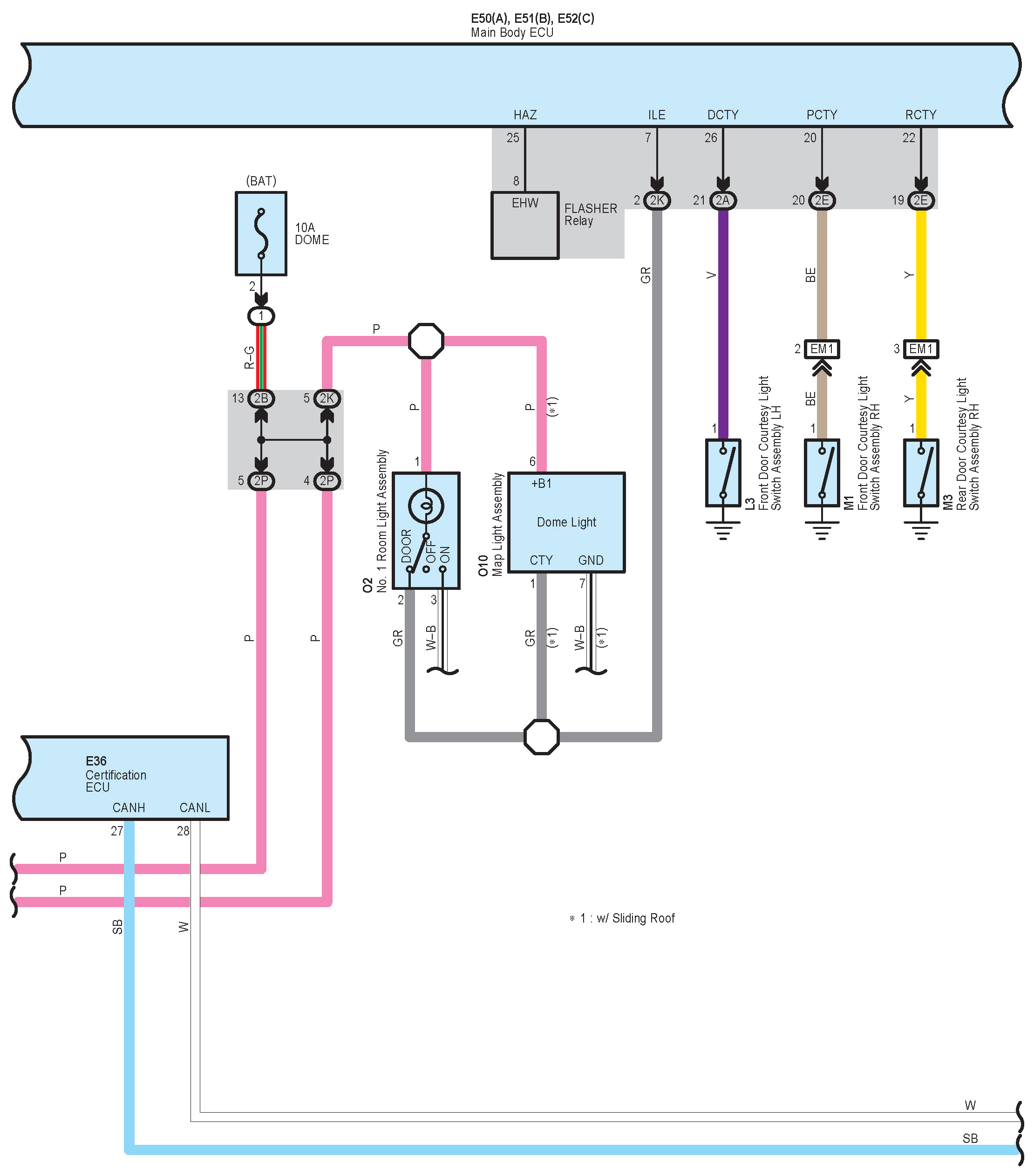
Locations: The locations of components, connectors, ground points, and splices referred to within these diagrams can be found at Vehicle Locations. Locations

Connector Views: Diagrams of the connectors referred to within these diagrams can be found at Connector Views by Connector Number. Connector Views By Connector Number