Curiosii for ever!: Car repair manuals for everyone.

Luggage Compartment Door Entry Unlock Function Does Not Operate When Key Is Outside Luggage Compartment





THEFT DETERRENT / KEYLESS ENTRY: SMART KEY SYSTEM (for Entry Function): Luggage Compartment Door Entry Unlock Function does not Operate when Key is Outside Luggage Compartment
- Luggage Compartment Door Entry Unlock Function does not Operate when Key is Outside Luggage Compartment

DESCRIPTION

If the luggage compartment door entry unlock function does not operate, the request code may not be being transmitted from the luggage compartment door. If the entry functions for other doors operate properly, communication between the electrical key transmitter sub-assembly and door control receiver is normal. In this case, there may be a problem with request code transmission (communication between the certification ECU (smart key ECU assembly) and electrical key antenna (outside luggage)), a luggage compartment door outer switch malfunction or wave interference.

HINT
* If the luggage compartment door open functions does not operate, the cause of the malfunction may be stored in the certification ECU (smart key ECU assembly) Operation History List.
* If the cause of the malfunction is stored in the certification ECU (smart key ECU assembly), the following table is helpful in checking whether or not the malfunction was caused by wave interference.

Radio Wave Interference:





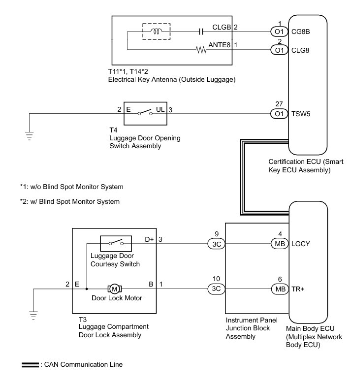
WIRING DIAGRAM





INSPECTION PROCEDURE

NOTICE:
* The smart key system (for Entry Function) uses the CAN communication system and LIN communication system. First inspect the communication systems by following How to Proceed with Troubleshooting How To Proceed With Troubleshooting. Troubleshoot the smart key system (for Entry Function) after confirming that the communication systems are functioning properly.
* When using the Techstream with the engine switch off to troubleshoot:
Connect the Techstream to the DLC3 and turn a courtesy light switch on and off at 1.5-second intervals until communication between the Techstream and vehicle begins.
* Check that there are no electrical key transmitter sub-assemblies in the vehicle.
* Before performing the inspection, check that DTC B1242 (wireless door lock control) is not output Reading and Clearing Diagnostic Trouble Codes.
* Before replacing the certification ECU (smart key ECU assembly), refer to the smart key system (for Entry Function) precaution Smart Key System (for Entry Function).
* After repair, confirm that no DTCs are output by performing the "DTC Output Confirmation Operation".

PROCEDURE

1. READ VALUE USING TECHSTREAM (LUGGAGE COMPARTMENT DOOR OPEN MODE)

(a) Connect the Techstream to the DLC3.

(b) Turn the engine switch on (IG).

(c) Turn the Techstream on.

(d) Enter the following menus: Body Electrical / Smart Key / Data List.

(e) Read the Data List according to the display on the Techstream.

Smart Key





Result:





B -- PERFORM CUSTOMIZE SETTING (Proceed to Customize Parameters) Customize Parameters
A -- Continue to next step.

2. READ VALUE USING TECHSTREAM (LUGGAGE DOOR OPENING SWITCH ASSEMBLY)

(a) Connect the Techstream to the DLC3.

(b) Turn the engine switch on (IG).

(c) Turn the Techstream on.

(d) Enter the following menus: Body Electrical / Smart Key / Data List.

(e) Read the Data List according to the display on the Techstream.

Smart Key





OK:

On the Techstream screen, the display changes between ON and OFF according to the chart above.

NG -- INSPECT LUGGAGE DOOR OPENING SWITCH ASSEMBLY
OK -- Continue to next step.

3. PERFORM ACTIVE TEST USING ACTIVE TEST USING TECHSTREAM

(a) Connect the Techstream to the DLC3.

(b) Turn the engine switch on (IG).

(c) Turn the Techstream on.

(d) Enter the following menus: Body Electrical / Main Body / Active Test.

(e) Read the Data List according to the display on the Techstream.

Main Body





OK:

Luggage compartment door lock motor operates.

NG -- INSPECT LUGGAGE COMPARTMENT DOOR LOCK ASSEMBLY
OK -- Continue to next step.

4. CHECK WAVE ENVIRONMENT

(a) Bring the electrical key transmitter sub-assembly near the electrical key antenna (outside luggage), and perform an entry luggage compartment open function check.





Text in Illustration





NOTICE:
If the electrical key transmitter sub-assembly is brought within 0.2 m (0.656 ft.) of the rear bumper, communication is not possible.

HINT
* When pressing the luggage compartment door opener outer switch, hold the electrical key transmitter sub-assembly approximately 1 m (3.28 ft.) above the ground and approximately 0.3 m (0.984 ft.) away from the vehicle as shown in the illustration.
* When the electrical key transmitter sub-assembly is brought near the electrical key antenna (outside luggage), the possibility of wave interference decreases, and it can be determined if wave interference is causing the problem symptom.
* If the operation check is normal, the possibility of wave interference is high. Also, added vehicle components may cause wave interference. If installed, remove them and perform the operation check.

OK:

Entry functions operate normally.

NG -- CHECK KEY DIAGNOSTIC MODE

OK -- AFFECTED BY WAVE INTERFERENCE

5. CHECK KEY DIAGNOSTIC MODE

(a) Check the following antennas in the key diagnostic mode Operation Check.

(b) Select either channel 1 or channel 2 and inspect the key diagnostic mode for each channel.





Text in Illustration





(1) When the electrical key transmitter sub-assembly is held at the same height as the rear bumper upper surface, align it with the center of the rear of the vehicle and check that the wireless door lock buzzer sounds.

HINT
* Hold the electrical key transmitter sub-assembly at the same height as the rear bumper upper surface and align it with the center of the rear of the vehicle (0.7 to 1.0 m (2.30 to 3.28 ft.)). Make sure that the direction of the electrical key transmitter sub-assembly is as shown in the illustration.
* If the buzzer sounds, it can be determined that the luggage compartment exterior transmitter is operating normally.
* If the buzzer sounds with [CH1] displayed but not with [CH2], the electrical key transmitter sub-assembly cannot be detected by channel 1 due to a malfunction, such as wave interference.

OK:

Wireless door lock buzzer sounds.

NG -- CHECK HARNESS AND CONNECTOR (CERTIFICATION ECU - ELECTRICAL KEY ANTENNA)

OK -- REPLACE CERTIFICATION ECU (SMART KEY ECU ASSEMBLY) Removal

6. CHECK HARNESS AND CONNECTOR (CERTIFICATION ECU - ELECTRICAL KEY ANTENNA)

(a) Disconnect the O1 certification ECU (smart key ECU assembly) connector.

(b) Disconnect the T11*1 or T14*2 outside electrical key antenna (outside luggage) connector.

(c) Measure the resistance according to the value(s) in the table below.

Standard Resistance:





*1: w/o Blind Spot Monitor System

*2: w/ Blind Spot Monitor System

NG -- REPAIR OR REPLACE HARNESS OR CONNECTOR
OK -- Continue to next step.

7. INSPECT ELECTRICAL KEY ANTENNA (OUTSIDE LUGGAGE)

(a) Remove the outside electrical key antenna (outside luggage) Removal





(b) Measure the resistance according to the value(s) in the table below.

Standard Resistance:





Text in Illustration





NG -- REPLACE ELECTRICAL KEY ANTENNA (OUTSIDE LUGGAGE) Removal

OK -- REPLACE CERTIFICATION ECU (SMART KEY ECU ASSEMBLY) Removal

8. INSPECT LUGGAGE DOOR OPENING SWITCH ASSEMBLY

(a) Remove the luggage door opening switch assembly Removal.

(b) Measure the resistance according to the value(s) in the table below.





Standard Resistance:





Text in Illustration





NG -- REPLACE LUGGAGE DOOR OPENING SWITCH ASSEMBLY Removal
OK -- Continue to next step.

9. CHECK HARNESS AND CONNECTOR (CERTIFICATION ECU - OPENING SWITCH)

(a) Disconnect the O1 certification ECU (smart key ECU assembly) connector.

(b) Disconnect the T4 luggage door opening switch assembly connector.

(c) Measure the resistance according to the value(s) in the table below.

Standard Resistance:





NG -- REPAIR OR REPLACE HARNESS OR CONNECTOR

OK -- REPLACE CERTIFICATION ECU (SMART KEY ECU ASSEMBLY) Removal

10. INSPECT LUGGAGE COMPARTMENT DOOR LOCK ASSEMBLY

(a) Remove the luggage compartment door lock assembly Removal.





(b) Check the operation of the door lock motor.

(1) Move the door lock to the close (lock) position.

(2) Apply battery voltage to the door lock motor and check the operation of the door lock motor.

OK:





Text in Illustration





(c) Check the door courtesy light switch.





(1) Move the door lock to the close (lock) position.

(2) Measure the resistance according to the value(s) in the table below.

Standard Resistance:





Text in Illustration





NG -- REPLACE LUGGAGE COMPARTMENT DOOR LOCK ASSEMBLY Removal
OK -- Continue to next step.

11. CHECK HARNESS AND CONNECTOR (LUGGAGE DOOR LOCK - INSTRUMENT PANEL JUNCTION BLOCK)

(a) Luggage compartment door lock motor:

(1) Disconnect the 3C instrument panel junction block assembly connector.

(2) Disconnect the T3 luggage compartment door lock assembly connector.

(3) Measure the resistance according to the value(s) in the table below.

Standard Resistance:





(b) Luggage door courtesy light switch:

(1) Disconnect the 3C instrument panel junction block assembly connector.

(2) Disconnect the T3 luggage compartment door lock assembly connector.

(3) Measure the resistance according to the value(s) in the table below.

Standard Resistance:





NG -- REPAIR OR REPLACE HARNESS OR CONNECTOR
OK -- Continue to next step.

12. REPLACE INSTRUMENT PANEL JUNCTION BLOCK ASSEMBLY

(a) Temporarily replace the instrument panel junction block assembly with a new one Removal.

NEXT -- Continue to next step.

13. CHECK OPERATION

(a) Check that the luggage compartment door entry unlock functions operate normally Operation Check.

OK:

Luggage compartment door entry unlock functions operate normally.

NG -- REPLACE MAIN BODY ECU (MULTIPLEX NETWORK BODY ECU) Removal

OK -- END (INSTRUMENT PANEL JUNCTION BLOCK ASSEMBLY WAS DEFECTIVE)