Curiosii for ever!: Car repair manuals for everyone.

ECM Power Source Circuit





2AR-FXE ENGINE CONTROL: SFI SYSTEM: ECM Power Source Circuit
- ECM Power Source Circuit

DESCRIPTION

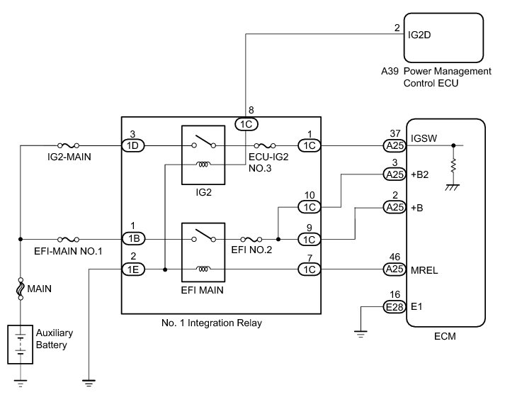
When the power switch is turned on (IG), auxiliary battery voltage is applied to the IGSW terminal of the ECM. The output signal from the MREL terminal of the ECM causes current to flow to the coil of the No. 1 integration relay (EFI MAIN relay), closing the contact and supplying power to terminals +B and +B2 of the ECM.

WIRING DIAGRAM





INSPECTION PROCEDURE

NOTICE:
Inspect the fuses for circuits related to this system before performing the following inspection procedure.

PROCEDURE

1. CHECK HARNESS AND CONNECTOR (ECM - BODY GROUND)

(a) Disconnect the ECM connector.

(b) Measure the resistance according to the value(s) in the table below.

Standard Resistance:





NG -- REPAIR OR REPLACE HARNESS OR CONNECTOR
OK -- Continue to next step.

2. CHECK TERMINAL VOLTAGE (IGSW VOLTAGE)

(a) Disconnect the ECM connector.





(b) Turn the power switch on (IG).

(c) Measure the voltage according to the value(s) in the table below.

Standard Voltage:





Text in Illustration





NG -- INSPECT NO. 1 INTEGRATION RELAY (IG2 RELAY)
OK -- Continue to next step.

3. INSPECT NO. 1 INTEGRATION RELAY (EFI MAIN RELAY)

(a) Inspect the No. 1 integration relay (EFI MAIN relay) Inspection.

NG -- REPLACE NO. 1 INTEGRATION RELAY (EFI MAIN RELAY) Removal
OK -- Continue to next step.

4. CHECK HARNESS AND CONNECTOR (NO. 1 INTEGRATION RELAY - ECM)

(a) Remove the No. 1 integration relay from the engine room relay block and junction block assembly.

(b) Disconnect the ECM connector.

(c) Measure the resistance according to the value(s) in the table below.

Standard Resistance:





NG -- REPAIR OR REPLACE HARNESS OR CONNECTOR
OK -- Continue to next step.

5. CHECK TERMINAL VOLTAGE (POWER SOURCE OF NO. 1 INTEGRATION RELAY)

(a) Remove the No. 1 integration relay from the engine room relay block and junction block assembly.





(b) Measure the voltage according to the value(s) in the table below.

Standard Voltage:





Text in Illustration





NG -- REPAIR OR REPLACE HARNESS OR CONNECTOR (AUXILIARY BATTERY - NO. 1 INTEGRATION RELAY)

OK -- PROCEED TO NEXT SUSPECTED AREA SHOWN IN PROBLEM SYMPTOMS TABLE Symptom Related Diagnostic Procedures

6. INSPECT NO. 1 INTEGRATION RELAY (IG2 RELAY)

(a) Inspect the No. 1 integration relay (IG2 relay) Inspection.

NG -- REPLACE NO. 1 INTEGRATION RELAY (IG2 RELAY) Removal
OK -- Continue to next step.

7. CHECK HARNESS AND CONNECTOR (NO. 1 INTEGRATION RELAY - ECM)

(a) Remove the No. 1 integration relay from the engine room relay block and junction block assembly.

(b) Disconnect the ECM connector.

(c) Measure the resistance according to the value(s) in the table below.

Standard Resistance:





NG -- REPAIR OR REPLACE HARNESS OR CONNECTOR
OK -- Continue to next step.

8. CHECK TERMINAL VOLTAGE (POWER SOURCE OF NO. 1 INTEGRATION RELAY)

(a) Remove the No. 1 integration relay from the engine room relay block and junction block assembly.





(b) Measure the voltage according to the value(s) in the table below.

Standard Voltage:





Text in Illustration





NG -- REPAIR OR REPLACE HARNESS OR CONNECTOR (AUXILIARY BATTERY - NO. 1 INTEGRATION RELAY)
OK -- Continue to next step.

9. CHECK HARNESS AND CONNECTOR (NO. 1 INTEGRATION RELAY - BODY GROUND)

(a) Remove the No. 1 integration relay from the engine room relay block and junction block assembly.

(b) Measure the resistance according to the value(s) in the table below.

Standard Resistance:





NG -- REPAIR OR REPLACE HARNESS OR CONNECTOR
OK -- Continue to next step.

10. CHECK HARNESS AND CONNECTOR (POWER MANAGEMENT CONTROL ECU - NO. 1 INTEGRATION RELAY

(a) Disconnect the power management control ECU connector.

(b) Remove the No. 1 integration relay from the engine room relay block and junction block assembly.

(c) Measure the resistance according to the value(s) in the table below.

Standard Resistance:





NG -- REPAIR OR REPLACE HARNESS OR CONNECTOR

OK -- GO TO SMART KEY SYSTEM How To Proceed With Troubleshooting