Curiosii for ever!: Car repair manuals for everyone.

Power Source Mode does not Change to ON (IG)





THEFT DETERRENT / KEYLESS ENTRY: SMART KEY SYSTEM (for Start Function): Power Source Mode does not Change to ON (IG)
- Power Source Mode does not Change to ON (IG)

DESCRIPTION

If the power switch is pressed with the electrical key transmitter sub-assembly in the cabin, the power management control ECU receives a signal and changes the power source mode.

HINT
When the cable is disconnected and reconnected to the negative (-) auxiliary battery terminal, the power source mode returns to the state it was in before the cable was disconnected.

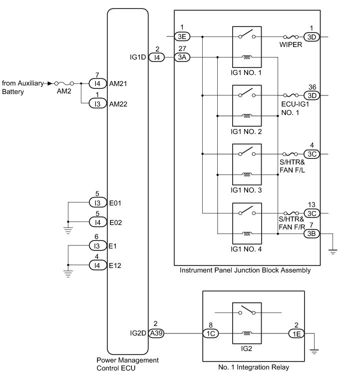
WIRING DIAGRAM





INSPECTION PROCEDURE

NOTICE:
* When using the Techstream with the power switch off, perform either of the following: 1) Turn a courtesy light switch on and off at intervals of 1.5 seconds or less until communication between the Techstream and vehicle begins, or 2) connect the Techstream to the vehicle, select the vehicle type under manual mode, and then enter the following menus:
for Power Source Control: Body Electrical / Power Source Control / DTC.
for Smart Key: Body Electrical / Smart Key / DTC.
* The smart key system (for Start Function) uses a multiplex communication system (LIN communication system) and the CAN communication system. Inspect the communication function by following How to Proceed with Troubleshooting How To Proceed With Troubleshooting. Troubleshoot the smart key system (for Start Function) after confirming that the communication systems are functioning properly.
* Make sure that no DTCs are output. If any DTCs are output, proceed to the Diagnostic Trouble Code Chart Smart Key System (for Start Function).
* If the smart key system is disabled through the customize function, enable the system before performing troubleshooting Smart Key System (for Start Function).
* Inspect the fuses of circuits related to this system before performing the following inspection procedure.
* After completing repairs, confirm that the problem does not occur.

HINT

Related Data List and Active Test Items








PROCEDURE

1. CHECK HARNESS AND CONNECTOR (POWER MANAGEMENT CONTROL ECU - NO. 1 INTEGRATION RELAY)

(a) Disconnect the A39 connector from the power management control ECU.

(b) Disconnect the 1C and 1E connectors from the No. 1 integration relay.

(c) Measure the resistance according to the value(s) in the table below.

Standard Resistance:





NG -- REPAIR OR REPLACE HARNESS OR CONNECTOR
OK -- Continue to next step.

2. INSPECT NO. 1 INTEGRATION RELAY (IG2 RELAY)

(a) Remove the No. 1 integration relay Removal.

(b) Inspect the No. 1 integration relay Testing and Inspection.

NG -- REPLACE NO. 1 INTEGRATION RELAY Removal
OK -- Continue to next step.

3. CHECK HARNESS AND CONNECTOR (POWER MANAGEMENT CONTROL ECU - INSTRUMENT PANEL JUNCTION BLOCK ASSEMBLY)

(a) Disconnect the I4 connector from the power management control ECU.

(b) Disconnect the 3A and 3B connectors from the instrument panel junction block assembly.

(c) Measure the resistance according to the value(s) in the table below.

Standard Resistance:





NG -- REPAIR OR REPLACE HARNESS OR CONNECTOR
OK -- Continue to next step.

4. INSPECT INSTRUMENT PANEL JUNCTION BLOCK ASSEMBLY (IG1 NO. 1, IG1 NO. 2, IG1 NO. 3 AND IG1 NO. 4 RELAY)

(a) Remove the instrument panel junction block assembly Removal.

(b) Remove the main body ECU (multiplex network body ECU) from the instrument panel junction block assembly Removal.

(c) Measure the resistance according to the value(s) in the table below.





Text in Illustration





Standard Resistance:





NG -- REPLACE INSTRUMENT PANEL JUNCTION BLOCK ASSEMBLY Removal
OK -- Continue to next step.

5. CHECK POWER MANAGEMENT CONTROL ECU

(a) Reconnect the A39 and I4 power management control ECU connectors.





(b) Measure the voltage according to the value(s) in the table below.

Standard Voltage:





Text in Illustration





NG -- REPLACE POWER MANAGEMENT CONTROL ECU Removal

OK -- CHECK RELAY CONTACT SIDE CIRCUIT