Curiosii for ever!: Car repair manuals for everyone.

Part 1





THEFT DETERRENT / KEYLESS ENTRY: SMART KEY SYSTEM (for Entry Function): All Door Entry Lock/Unlock Functions and Wireless Functions do not Operate
- All Door Entry Lock/Unlock Functions and Wireless Functions do not Operate

DESCRIPTION

When the entry operation and wireless operation of the door lock functions do not operate, a malfunction or wave interference may be occurring in either of the following: 1) the signal communication line between the door control receiver and certification ECU (smart key ECU assembly) (the line used for entry and wireless operations); or 2) the electrical key transmitter sub-assembly. If the entry lock and wireless lock operations cannot be performed, there may be electrical key transmitter sub-assembly malfunctions, wave interference or problems in the communication which is used for the entry and wireless function between the door control receiver and certification ECU (smart key ECU assembly).

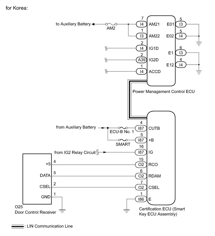
WIRING DIAGRAM









INSPECTION PROCEDURE

NOTICE:
* The smart key system (for Entry Function) uses the CAN communication system and LIN communication system. First inspect the communication systems by following How to Proceed with Troubleshooting How To Proceed With Troubleshooting. Troubleshoot the smart key system (for Entry Function) after confirming that the communication systems are functioning properly.
* When using the Techstream with the power switch off to troubleshoot:
Connect the Techstream to the DLC3 and turn a courtesy light switch on and off at 1.5-second intervals until communication between the Techstream and vehicle begins.
* Check that there are no electrical key transmitter sub-assemblies in the vehicle.
* Before performing the inspection, check that DTC B1242 (wireless door lock control) is not output Reading and Clearing Diagnostic Trouble Codes.
* Inspect the fuses for circuits related to this system before performing the following inspection procedure.
* Before replacing the certification ECU (smart key ECU assembly), refer to the smart key system (for Entry Function) precaution Smart Key System (for Entry Function).
* After repair, confirm that no DTCs are output by performing the "DTC Output Confirmation Operation".
* The door control receiver has a constant voltage (5 V) supply circuit connected to terminal "+5".
* When replacing the door control receiver, read the transmitter IDs (tire pressure warning system) stored in the old ECU using the Techstream and write them down before removal Registration.*
* It is necessary to perform initialization Initialization after registration Registration of the transmitter IDs into the door control receiver if the door control receiver has been replaced.*
*: w/ Tire Pressure Warning System

PROCEDURE

1. INSPECT AUXILIARY BATTERY VOLTAGE

(a) Measure the voltage of the vehicle auxiliary battery with the power switch off.

Standard voltage:

11 to 14 V

HINT
It may be possible to tell whether the vehicle auxiliary battery is discharged by operating the horn.

If the voltage is below 11 V, recharge or replace the vehicle auxiliary battery before proceeding.

NEXT -- Continue to next step.

2. CHECK FOR DTC

(a) Open the driver door using the mechanical key built into the electrical key transmitter sub-assembly.

(b) Connect the Techstream and check for DTCs Smart Key System (for Entry Function).

HINT
When using the Techstream with the power switch off to troubleshoot: Connect the Techstream to the DLC3 and turn a courtesy light switch on and off at 1.5-second intervals until communication between the Techstream and vehicle begins.

OK:

DTC is not output.

NG -- GO TO DIAGNOSTIC TROUBLE CODE CHART Smart Key System (for Entry Function)
OK -- Continue to next step.

3. CHECK POWER DOOR LOCK CONTROL SYSTEM

(a) When the door control switch on the multiplex network master switch assembly on the driver door is operated, check that the doors unlock and lock according to the switch operation Operation Check.

OK:

Door locks operate normally.

NG -- GO TO POWER DOOR LOCK CONTROL SYSTEM How To Proceed With Troubleshooting
OK -- Continue to next step.

4. SYSTEM CHECK

(a) Check the system provided (multi-channel system or single channel system).

Result:





B -- CHECK ELECTRICAL KEY TRANSMITTER SUB-ASSEMBLY
A -- Continue to next step.

5. CHECK KEY DIAGNOSTIC MODE

(a) Check the following antennas in the key diagnostic mode Operation Check.

(b) Select either channel 1 or channel 2 and inspect the key diagnostic mode for each channel.

HINT
If the buzzer sounds with [CH1] displayed but not with [CH2], the electrical key transmitter cannot be detected by channel 2 due to a malfunction, such as wave interference.

(1) Check the electrical key antenna (for driver door):





Text in Illustration





When the electrical key transmitter sub-assembly is brought within 0.7 to 1 m (2.30 to 3.28 ft.) of the front door outside handle assembly (for driver door), check that the wireless door lock buzzer sounds.

(2) Check the electrical key antenna (for front passenger door):





Text in Illustration





When the electrical key transmitter sub-assembly is brought within 0.7 to 1 m (2.30 to 3.28 ft.) of the front door outside handle assembly (for front passenger door), check that the wireless door lock buzzer sounds.

(3) Check the No. 1 indoor electrical key antenna (front floor):





Text in Illustration





When the electrical key transmitter sub-assembly is at the inspection point, check that the wireless door lock buzzer sounds.

(4) Check the No. 2 indoor electrical key antenna (rear floor):





Text in Illustration





When the electrical key transmitter sub-assembly is at the inspection point, check that the wireless door lock buzzer sounds.

(5) Check the electrical key antenna (outside luggage):





Text in Illustration





When the electrical key transmitter sub-assembly is brought within 0.7 to 1 m (2.30 to 3.28 ft.) of the electrical key antenna (outside luggage), check that the wireless door lock buzzer sounds.

OK:

Wireless door lock buzzer sounds.

Result:





B -- CHECK WAVE ENVIRONMENT

C -- CHECK WAVE ENVIRONMENT
A -- Continue to next step.

6. CHECK ELECTRICAL KEY TRANSMITTER SUB-ASSEMBLY

(a) Check if there are any other registered electrical key transmitter sub-assemblies.

Result:





B -- CHECK ENTRY DOOR LOCK OPERATION
A -- Continue to next step.

7. ELECTRICAL KEY TRANSMITTER SUB-ASSEMBLY REGISTRATION (NEW ELECTRICAL KEY TRANSMITTER SUB-ASSEMBLY)

(a) Register a new electrical key transmitter sub-assembly Engine Immobilizer System.

NEXT -- Continue to next step.

8. CHECK ENTRY DOOR LOCK OPERATION

(a) Using another registered electrical key transmitter sub-assembly, check if an entry lock/unlock operation can be performed twice in succession.

OK:

Entry lock/unlock operate normally.

NG -- CHECK WAVE ENVIRONMENT
OK -- Continue to next step.

9. CHECK TRANSMITTER BATTERY

(a) Check the transmitter battery level of the electrical key transmitter sub-assembly that was checked first.

(1) Press and hold the lock switch of the transmitter for 5 seconds and check the number of times that the transmitter LED illuminates.

Result:





HINT
* The electrical key transmitter sub-assembly sends voltage information to the certification ECU (smart key ECU assembly) when it is being used. The certification ECU (smart key ECU assembly) displays "Yes" for the "Key Low Battery" item of the Data List when this voltage information indicates 2.2 V or less Smart Key System (for Entry Function).
* Even if the transmitter battery is depleted, it is still possible to start the hybrid system by holding the electrical key transmitter sub-assembly against the power switch, depressing the brake pedal and pressing the power switch.

B -- REPLACE ELECTRICAL KEY TRANSMITTER SUB-ASSEMBLY Engine Immobilizer System

C -- REPLACE TRANSMITTER BATTERY Transmitter Battery
A -- Continue to next step.

10. INSPECT TRANSMITTER BATTERY (VOLTAGE)

(a) Inspect the transmitter battery

(1) Remove the transmitter battery from the electrical key transmitter sub-assembly that does not operate Transmitter Battery.





(2) Attach a lead wire (0.60 mm (0.0236 in.) in diameter or less including wire sheath) with tape or equivalent to the negative terminal.

Text in Illustration





NOTICE:
Do not wrap the lead wire around a terminal, wedge it between terminals, or solder it. The terminal may be deformed or damaged, and the transmitter battery will not be able to be installed correctly.

(3) Carefully pull the lead wire out from the position shown in the illustration and install the previously removed transmitter battery.

(4) Measure the voltage of the transmitter battery.

HINT
* When measuring the transmitter battery voltage, bring the electrical key transmitter sub-assembly within the lock entry operating range while operating the lock sensor of a door handle to perform the measurement.
* Perform the measurement when the key is at room temperature.
* The key sends voltage information to the certification ECU (smart key ECU assembly) when it is transmitting. When this voltage is 2.2 V or less the Data List item "Key Low Battery" displays "Yes". Smart Key System (for Entry Function)





Text in Illustration





Standard Voltage:





NG -- REPLACE TRANSMITTER BATTERY Transmitter Battery

OK -- REPLACE ELECTRICAL KEY TRANSMITTER SUB-ASSEMBLY Engine Immobilizer System

11. CHECK WAVE ENVIRONMENT

(a) Bring the electrical key transmitter sub-assembly near the door control receiver and perform a wireless and entry function operation check.

HINT
* When the electrical key transmitter sub-assembly is brought near the door control receiver, the possibility of wave interference decreases, and it can be determined if wave interference is causing the problem symptom.
* If the inspection result is that the problem only occurs in certain locations or at certain times of day, the possibility of wave interference is high. Also, added vehicle components may cause wave interference. If installed, remove them and perform the operation check.
* There may be wave interference if the vehicle is near broadcasting antennas, large video displays, wireless garage door opener systems, wireless security cameras, home security systems, etc. In this case, move the vehicle to a different location and check if there is any improvement.
* If a tool for checking electric waves, such as a signal strength meter, is available, move around the area while observing both the LF band (used by the vehicle antenna to form the detection area) and RF band (used by the electrical key transmitter sub-assembly for transmission) to check for locations where there is wave interference.

OK:

Wireless and entry functions operate normally.

Result:





B -- CHECK POWER MANAGEMENT CONTROL ECU

C -- READ VALUE USING TECHSTREAM (ACC SW, IG SW)

A -- AFFECTED BY WAVE INTERFERENCE

12. CHECK POWER MANAGEMENT CONTROL ECU

(a) Measure the voltage according to the value(s) in the table below.





Text in Illustration





(b) Connect the Techstream to the DLC3.

(c) Turn the power switch on (IG).

(d) Turn the Techstream on.

(e) Enter the following menus: Body Electrical / Power Source Control / Data List.

(f) Read the Data List according to the display on the Techstream.

Power Source Control





(g) Measure the voltage while checking the Data List on the Techstream.

Standard Voltage:





HINT
Using the Techstream, measure the voltage while confirming the power source mode on the Data List.

NG -- REPLACE CERTIFICATION ECU (SMART KEY ECU) Removal
OK -- Continue to next step.

13. READ VALUE USING TECHSTREAM (IG SW)

(a) Connect the Techstream to the DLC3.

(b) Turn the power switch on (IG).

(c) Turn the Techstream on.

(d) Enter the following menus: Body Electrical / Smart Key / Data List.

(e) Read the Data List according to the display on the Techstream.

Smart Key





NG -- CHECK RELAY CONTACT SIDE CIRCUIT
OK -- Continue to next step.

14. READ VALUE USING TECHSTREAM (ACC SW, IG SW)

(a) Connect the Techstream to the DLC3.

(b) Turn the power switch on (IG).

(c) Turn the Techstream on.

(d) Enter the following menus: Body Electrical / Main Body / Data List.

(e) Read the Data List according to the display on the Techstream.

Main Body





HINT
If the certification ECU (smart key ECU assembly) misjudges that the power source is on even though the power source is off for any reason, the entry lock/unlock functions stop.

OK:

The main body ECU (multiplex network body ECU) judges properly that the power source is off when the power source is off.

NG -- TROUBLESHOOT MAIN BODY ECU (MULTIPLEX NETWORK BODY ECU) Smart Key System (for Entry Function)
OK -- Continue to next step.

15. CHECK HARNESS AND CONNECTOR (CERTIFICATION ECU - AUXILIARY BATTERY AND BODY GROUND)

(a) Disconnect the I86 and I87 certification ECU (smart key ECU assembly) connectors.





(b) Measure the resistance according to the value(s) in the table below.

Standard Resistance:





(c) Measure the voltage according to the value(s) in the table below.

Standard Voltage:





Text in Illustration





NG -- REPAIR OR REPLACE HARNESS OR CONNECTOR
OK -- Continue to next step.