Curiosii for ever!: Car repair manuals for everyone.

Remote Up / Down Function Does Not Operate





WINDOW / GLASS: POWER WINDOW CONTROL SYSTEM: Remote Up / Down Function does not Operate
- Remote Up / Down Function does not Operate

DESCRIPTION

With the ignition switch ON, the power window regulator master switch assembly transmits remote operation signals to each power window regulator switch assembly. Then, the power window regulator switch assembly drives each power window regulator motor assembly.

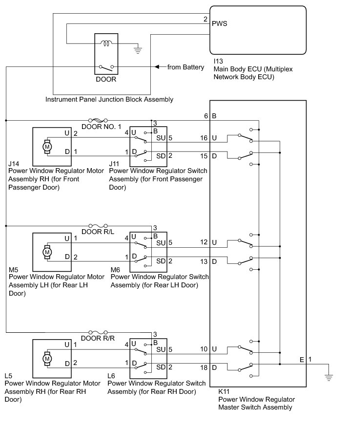
WIRING DIAGRAM





INSPECTION PROCEDURE

NOTICE:
Inspect the fuses for circuits related to this system before performing the following inspection procedure.

PROCEDURE

1. CHECK POWER WINDOW REGULATOR MASTER SWITCH ASSEMBLY (WINDOW LOCK SWITCH)

(a) Turn the window lock switch off and operate the switches on the power window regulator master switch assembly. Check that the remote UP/DOWN function operates normally.

OK:

Remote UP/DOWN function operates normally.

NG -- CHECK POWER WINDOW CONTROL SYSTEM (USING EACH POWER WINDOW REGULATOR SWITCH ASSEMBLY)

OK -- END

2. CHECK POWER WINDOW CONTROL SYSTEM (USING EACH POWER WINDOW REGULATOR SWITCH ASSEMBLY)

(a) Check front passenger, rear LH and rear RH door power windows operation by using each power window regulator switch assembly.

Result:





B -- GO TO OTHER PROBLEM (Front Passenger Side Power Window does not Operate with Front Passenger Side Power Window Switch) Front Passenger Side Power Window Does Not Operate With Front Passenger Side Power Window Switch

C -- GO TO OTHER PROBLEM (Rear Power Window LH does not Operate with Rear Power Window Switch LH) Rear Power Window LH Does Not Operate With Rear Power Window Switch LH

D -- GO TO OTHER PROBLEM (Rear Power Window RH does not Operate with Rear Power Window Switch RH) Rear Power Window RH Does Not Operate With Rear Power Window Switch RH

A -- REPLACE POWER WINDOW REGULATOR MASTER SWITCH ASSEMBLY Removal