Curiosii for ever!: Car repair manuals for everyone.

Power Window Control System





WINDOW / GLASS: POWER WINDOW CONTROL SYSTEM: Power Windows do not Operate Using All Window Switch
- Power Windows do not Operate Using All Window Switch

DESCRIPTION

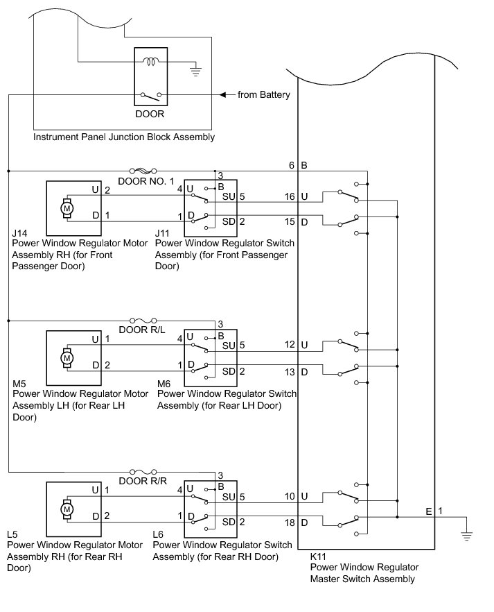
The power windows operate by using the power window regulator master switch assembly or power window regulator switch assemblies.

The power window regulator master switch assembly and each power window regulator switch assembly connect the same power supply and ground lines.

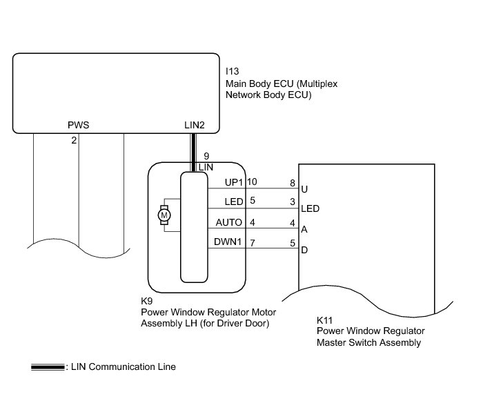
WIRING DIAGRAM









INSPECTION PROCEDURE

NOTICE:
Inspect the fuses for circuits related to this system before performing the following inspection procedure.

PROCEDURE

1. CHECK HARNESS AND CONNECTOR (POWER WINDOW MASTER SWITCH ASSEMBLY - BATTERY AND BODY GROUND)

(a) Disconnect the power window regulator master switch assembly connector.

(b) Measure the voltage and resistance according to the value(s) in the table below.

Standard Voltage:





Standard Resistance:





NG -- REPAIR OR REPLACE HARNESS OR CONNECTOR
OK -- Continue to next step.

2. REPLACE POWER WINDOW REGULATOR MASTER SWITCH ASSEMBLY

(a) Replace the power window regulator master switch assembly Removal.

NEXT -- Continue to next step.

3. CHECK POWER WINDOW CONTROL SYSTEM

(a) Check the power windows operation by using the power window regulator master switch assembly and power window regulator switch assemblies.

OK:

All power windows operate normally.

NG -- REPLACE MAIN BODY ECU (MULTIPLEX NETWORK BODY ECU) Removal

OK -- END (POWER WINDOW REGULATOR MASTER SWITCH ASSEMBLY WAS DEFECTIVE)