Curiosii for ever!: Car repair manuals for everyone.

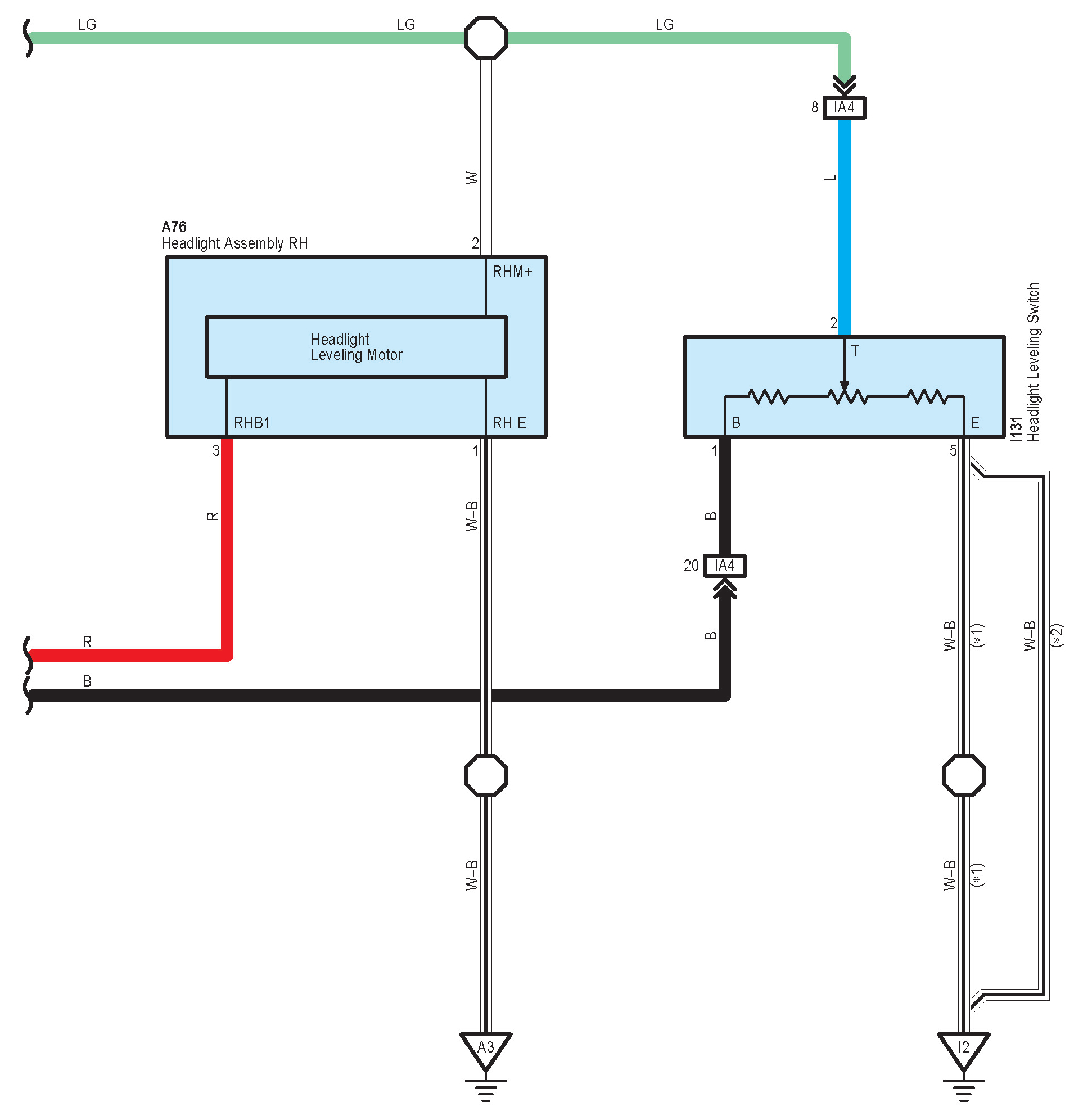
Headlight Beam Level Control (Manual)

Headlight Beam Level Control (Manual) Part 1:




Headlight Beam Level Control (Manual) Part 2:









Locations: The locations of components, connectors, ground points, and splices referred to within these diagrams can be found at Vehicle Locations. Locations

Connector Views: Diagrams of the connectors referred to within these diagrams can be found at Connector Views by Connector Number. Connector Views By Connector Number