Curiosii for ever!: Car repair manuals for everyone.

Engine Control Part 4

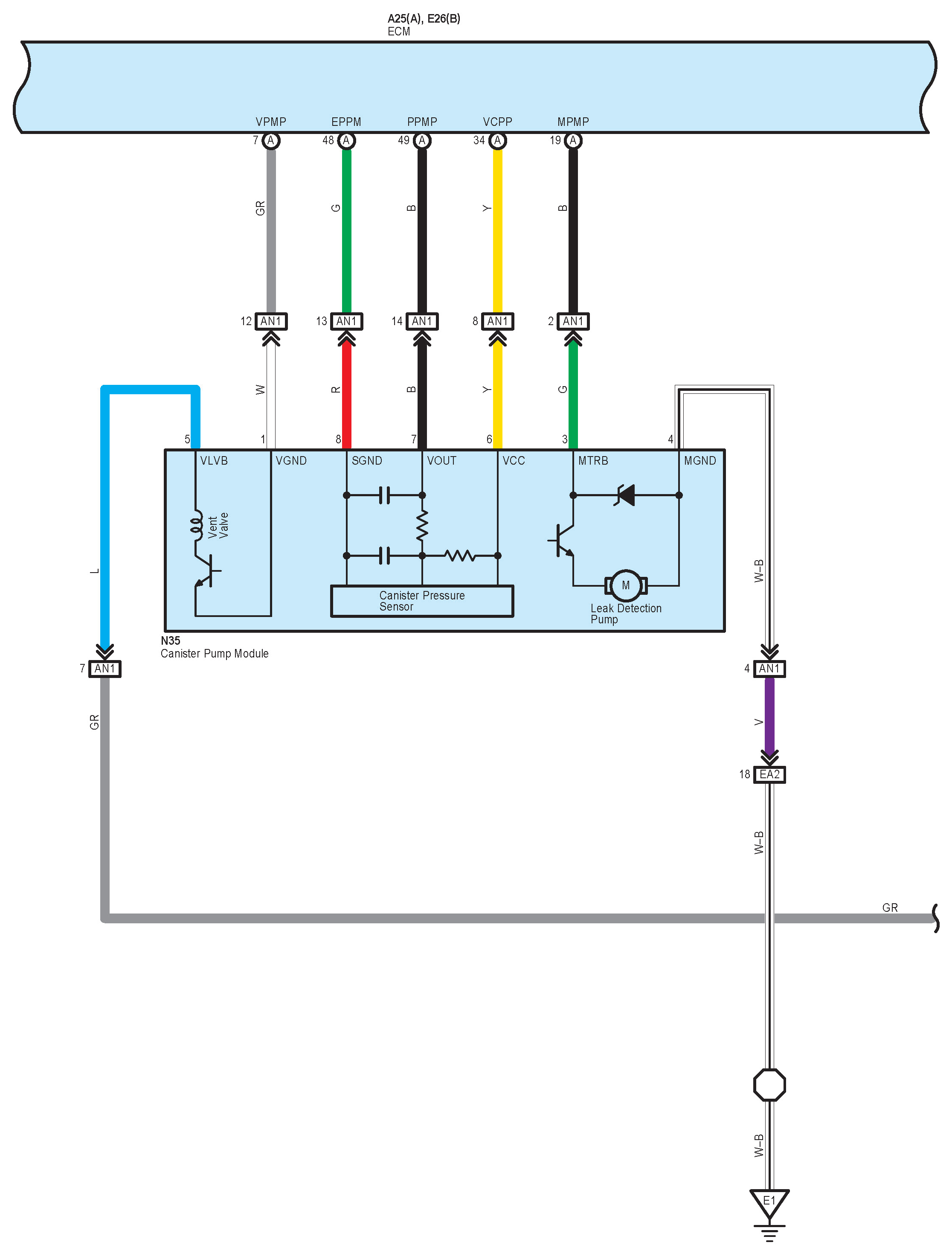
Cruise Control, Electronically Controlled Transmission and A/T Indicator and Engine Control Part 4:









Next Diagram [1][2]Electrical Diagrams

Previous Diagram [1][2]Electrical Diagrams

Locations: The locations of components, connectors, ground points, and splices referred to within these diagrams can be found at Vehicle Locations. Locations

Connector Views: Diagrams of the connectors referred to within these diagrams can be found at Connector Views by Connector Number. Connector Views By Connector Number