Curiosii for ever!: Car repair manuals for everyone.

Part 2





2AR-FE ENGINE CONTROL: SFI SYSTEM: EVAP System
- EVAP System - (Continued)

28. INSPECT CANISTER PUMP MODULE (VENT VALVE OPERATION)

(a) Turn the ignition switch off.

(b) Disconnect the canister pump module connector.





Text in Illustration





(c) Apply the battery voltage to terminals VLVB and VGND of the pump module.

(d) Touch the canister pump module to confirm the vent valve operation.

Result





B -- REPLACE CANISTER PUMP MODULE
A -- Continue to next step.

29. CHECK HARNESS AND CONNECTOR (CANISTER PUMP MODULE - ECM)

(a) Turn the ignition switch off.

(b) Disconnect the ECM connector.

(c) Disconnect the canister pump module connector.

(d) Measure the resistance according to the value(s) in the table below.

Result





B -- REPAIR OR REPLACE HARNESS OR CONNECTOR
A -- Continue to next step.

30. INSPECT CANISTER (CHARCOAL FILTER INSIDE CANISTER)

(a) Check for filter blockage in the canister Testing and Inspection.

OK:

No blockages in the canister.

OK -- REPLACE ECM

NG -- REPLACE CANISTER

31. PERFORM ACTIVE TEST USING TECHSTREAM (ACTIVATE THE VACUUM PUMP)

(a) Turn the ignition switch off.

(b) Disconnect the canister pump module connector.





Text in Illustration





(c) Turn the ignition switch to ON.

(d) Enter the following menus: Powertrain / Engine and ECT / Active Test / Activate the Vacuum Pump.

(e) Measure the voltage according to the value(s) in the table below.

Result





B -- CHECK HARNESS AND CONNECTOR (ECM - CANISTER PUMP MODULE)

C -- REPLACE ECM
A -- Continue to next step.

32. CHECK HARNESS AND CONNECTOR (CANISTER PUMP MODULE - BODY GROUND)

(a) Turn the ignition switch off.

(b) Disconnect the canister pump module connector.

(c) Measure the resistance according to the value(s) in the table below.

Result





A -- REPLACE CANISTER PUMP MODULE

B -- REPAIR OR REPLACE HARNESS OR CONNECTOR

33. CHECK HARNESS AND CONNECTOR (ECM - CANISTER PUMP MODULE)

(a) Turn the ignition switch off.

(b) Disconnect the canister pump module connector.

(c) Disconnect the ECM connector.

(d) Measure the resistance according to the value(s) in the table below.

Standard Resistance:





Result





A -- REPLACE ECM

B -- REPAIR OR REPLACE HARNESS OR CONNECTOR

34. INSPECT INTAKE MANIFOLD (EVAP PURGE PORT)

(a) Stop the engine.

(b) Disconnect the EVAP hose from the intake manifold.

(c) Start the engine.

(d) Use your finger to confirm that the port of the intake manifold has suction.

Result





A -- REPAIR OR REPLACE EVAP PURGE LINE (INTAKE MANIFOLD - PURGE VSV)

B -- INSPECT INTAKE MANIFOLD (EVAP PURGE PORT)

35. CORRECTLY REINSTALL OR REPLACE FUEL TANK CAP ASSEMBLY

HINT
* When reinstalling the fuel cap, tighten it firmly (only one click sound could be head).
* When replacing the fuel cap, use a fuel cap that meets OEM specifications, and install it firmly.

NEXT -- PERFORM EVAP SYSTEM CHECK (AUTOMATIC MODE)

36. REPLACE TANK CAP

HINT
When installing the fuel cap, tighten it firmly (only one click sound could be head).

NEXT -- PERFORM EVAP SYSTEM CHECK (AUTOMATIC MODE)

37. LOCATE EVAP LEAK PART

(a) Disconnect the vent hose.





Text in Illustration









Text in Illustration





(b) Connect the EVAP pressure tester tool to the canister pump module with the adapter.





Text in Illustration





(c) Pressurize the EVAP system to 3.2 to 3.7 kPa(gauge) [24 to 27.75 mmHg(gauge)].

(d) Apply soapy water to the piping and connecting parts of the EVAP system.

(e) Look for areas where bubbles appear. This indicates the leak point.

(f) Repair or replace the leak point.

HINT
Disconnect the hose between the canister and fuel tank from the canister. Block the canister side and conduct an inspection. In this way, the fuel tank can be excluded as an area suspected of causing fuel leaks.

NEXT -- PERFORM EVAP SYSTEM CHECK (AUTOMATIC MODE)

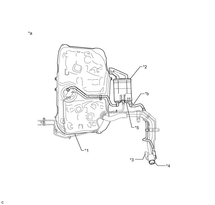
38. REPLACE CANISTER PUMP MODULE

(a) Replace the canister pump module Removal.

NOTICE:
* When replacing the canister pump module, check the canister pump module interior, canister interior and related pipes for water, fuel and other liquids. If liquids are present, check for disconnections and/or cracks in the following: 1) the pipe from the air inlet port to the canister pump module; 2) the canister filter; and 3) the fuel tank vent hose. If liquids are present in the canister interior, replace canister and canister pump module together.
* Check for filter blockage in the canister. If the charcoal filter inside the canister is clogged, replace the canister and canister pump module together.
* Check for filter blockage in the canister filter. if the canister filter has blockages, replace the canister filter.





Text in Illustration









Text in Illustration





NEXT -- PERFORM EVAP SYSTEM CHECK (AUTOMATIC MODE)

39. REPLACE PURGE VSV

(a) Replace the purge VSV Removal.

NEXT -- PERFORM EVAP SYSTEM CHECK (AUTOMATIC MODE)

40. REPAIR OR REPLACE HARNESS OR CONNECTOR

NEXT -- PERFORM EVAP SYSTEM CHECK (AUTOMATIC MODE)

41. REPAIR OR REPLACE EVAP PURGE LINE (INTAKE MANIFOLD - PURGE VSV)

NEXT -- PERFORM EVAP SYSTEM CHECK (AUTOMATIC MODE)

42. INSPECT INTAKE MANIFOLD (EVAP PURGE PORT)

(a) Check that the EVAP purge port of the intake manifold is not clogged. If necessary, replace the intake manifold Removal.

NEXT -- PERFORM EVAP SYSTEM CHECK (AUTOMATIC MODE)

43. REPAIR OR REPLACE PARTS AND COMPONENTS INDICATED BY OUTPUT DTCS

(a) Repair the malfunctioning areas indicated by the DTCs that had been confirmed when the vehicle was brought in.

NEXT -- PERFORM EVAP SYSTEM CHECK (AUTOMATIC MODE)

44. REPAIR OR REPLACE EVAP PURGE LINE (PURGE VSV - CANISTER)

NEXT -- PERFORM EVAP SYSTEM CHECK (AUTOMATIC MODE)

45. REPLACE CANISTER PUMP MODULE

(a) Replace the canister pump module Removal.

NOTICE:
* When replacing the canister pump module, check the canister pump module interior, canister interior and related pipes for water, fuel and other liquids. If liquids are present, check for disconnections and/or cracks in the following: 1) the pipe from the air inlet port to the canister pump module; 2) the canister filter; and 3) the fuel tank vent hose. If liquids are present in the canister interior, replace canister and canister pump module together.
* Check for filter blockage in the canister. If the charcoal filter inside the canister is clogged, replace the canister and canister pump module together.
* Check for filter blockage in the canister filter. if the canister filter has blockages, replace the canister filter.





Text in Illustration









Text in Illustration





NEXT -- Continue to next step.

46. PERFORM EVAP SYSTEM CHECK (AUTOMATIC MODE)

NOTICE:
* The Evaporative System Check (Automatic Mode) consists of 6 steps performed automatically by the Techstream. It takes a maximum of approximately 24 minutes.
* Do not perform the Evaporative System Check when the fuel tank is higher than 90% full because the cut-off valve may be closed, making the fuel tank leak check unavailable.
* Do not run the engine in this step.
* When the temperature of the fuel is 35°C (95°F) or higher, a large amount of vapor forms and any check results become inaccurate. When performing an Evaporative System Check, keep the fuel temperature below 35°C (95°F).

(a) Connect the Techstream to the DLC3.

(b) Turn the ignition switch to ON.

(c) Turn the Techstream on.

(d) Clear the DTCs Reading and Clearing Diagnostic Trouble Codes.

(e) Enter the following menus: Powertrain / Engine and ECT / Utility / Evaporative System Check / Automatic Mode.

(f) After the Evaporative System Check is completed, check for pending DTCs by entering the following menus: Powertrain / Engine and ECT / Trouble Codes.





B -- END
A -- Continue to next step.

47. REPLACE ECM

(a) Replace the ECM Removal.

NEXT -- PERFORM EVAP SYSTEM CHECK (AUTOMATIC MODE)

48. REPLACE CANISTER

(a) Replace the canister Removal.

NOTICE:
* When replacing the canister, check the canister pump module interior and related pipes for water, fuel and other liquids. If liquids are present, check for disconnections and/or cracks in the following: 1) the pipe from the air inlet port to the canister pump module; 2) the canister filter; and 3) the fuel tank vent hose.
* Check for filter blockage in the canister filter. if the canister filter has blockages, replace the canister filter.





Text in Illustration









Text in Illustration





NEXT -- Continue to next step.

49. PERFORM EVAP SYSTEM CHECK (AUTOMATIC MODE)

NOTICE:
* The Evaporative System Check (Automatic Mode) consists of 6 steps performed automatically by the Techstream. It takes a maximum of approximately 24 minutes.
* Do not perform the Evaporative System Check when the fuel tank is higher than 90% full because the cut-off valve may be closed, making the fuel tank leak check unavailable.
* Do not run the engine in this step.
* When the temperature of the fuel is 35°C (95°F) or higher, a large amount of vapor forms and any check results become inaccurate. When performing an Evaporative System Check, keep the fuel temperature below 35°C (95°F).

(a) Connect the Techstream to the DLC3.

(b) Turn the ignition switch to ON.

(c) Turn the Techstream on.

(d) Clear the DTCs Reading and Clearing Diagnostic Trouble Codes.

(e) Enter the following menus: Powertrain / Engine and ECT / Utility / Evaporative System Check / Automatic Mode.

(f) After the Evaporative System Check is completed, check for pending DTCs by entering the following menus: Powertrain / Engine and ECT / Trouble Codes.

HINT
If no pending DTCs are found, the repair has been successfully completed.

NEXT -- END

CONFIRMATION DRIVING PATTERN

HINT
After a repair, check Monitor Status by performing the Key-Off Monitor Confirmation and Purge Flow Monitor Confirmation described below.

1. KEY-OFF MONITOR CONFIRMATION

(a) Preconditions

The monitor will not run unless:

* The vehicle has been driven for 10 minutes or more (in a city area or on a freeway).

* The fuel tank is less than 90% full.

* The altitude is less than 2400 m (7875 ft.).

* The engine coolant temperature is between 4.4°C and 35°C (40°F and 95°F).

* The intake air temperature is between 4.4°C and 35°C (40°F and 95°F).

* The vehicle remains stationary (the vehicle speed is 0 km/h [0 mph]).

(b) Monitor Conditions

(1) Allow the engine to idle for at least 5 minutes.

(2) Turn the ignition switch off and wait for 6 hours (8 or 10.5 hours).

HINT
Do not start the engine until checking Monitor Status. If the engine is started, the steps described above must be repeated.

(c) Monitor Status

(1) Connect the Techstream to the DLC3.

(2) Turn the ignition switch to ON.

(3) Turn the Techstream on.

(4) Enter the following menus: Powertrain / Engine and ECT / Monitor / Current Monitor.

(5) Check the Monitor Status displayed on the Techstream.

HINT
If Incomplete is displayed, the monitor did not complete. Make sure that the preconditions have been met, and perform the Monitor Conditions again.

2. PURGE FLOW MONITOR CONFIRMATION (P0441)

HINT
Perform this monitor confirmation after the Key-Off Monitor Confirmation shows Complete.

(a) Preconditions

The monitor will not run unless:

* The vehicle has been driven for 10 minutes or more (in a city area or on a freeway).

* The engine coolant temperature is 4.4°C (40°F) or higher.

* The intake air temperature is 4.4°C (40°F) or higher.

(b) Monitor Conditions

(1) Release the pressure from the fuel tank by removing and reinstalling the fuel cap.

(2) Warm the engine up until the engine coolant temperature reaches higher than 75°C (167°F).

(3) Increase the engine speed to 3000 rpm once.

(4) Allow the engine to idle and turn the A/C switch on for 1 minute.

(c) Monitor Status

(1) Turn the ignition switch off (if ON or if the engine is running).

(2) Connect the Techstream to the DLC3.

(3) Turn the ignition switch to ON.

(4) Turn the Techstream on.

(5) Enter the following menus: Powertrain / Engine and ECT / Monitor / Current Monitor.

(6) Check the Monitor Status displayed on the Techstream.

HINT
If Incomplete is displayed, the monitor did not complete. Make sure that the preconditions have been met, and perform the Monitor Conditions again.

MONITOR RESULT

Refer to detailed information in Checking Monitor Status Mode 6 Data.

P0456: Evaporative System / SMALL LEAK





P0455: Evaporative System / GROSS LEAK





P2401: Evaporative System / VACUUM PMP OFF





P2402: Evaporative System / VACUUM PMP ON





P2420: Evaporative System / VENT VALVE OFF





P2419: Evaporative System / VENT VALVE ON





P043E: Evaporative System / ORIFICE CLOGGED





P043F: Evaporative System / ORIFICE HI-FLW





P0441: Evaporative System / PURGE VSV CLOSED





P0441: Evaporative System / PURGE VSV OPENED





P0441: Evaporative System / PURGE FLOW