Curiosii for ever!: Car repair manuals for everyone.

Open in CAN Main Bus Line





NETWORKING: CAN COMMUNICATION SYSTEM: Open in CAN Main Bus Line
- Open in CAN Main Bus Line

DESCRIPTION

There may be an open circuit in one of the V Bus main lines and/or a DLC3 branch line when the resistance between terminals 6 (CANH) and 14 (CANL) of the DLC3 is 70 Ohms or higher.





This malfunction is not related to the lines of a CAN main bus branch or to ECUs or sensors connected a CAN main bus branch.

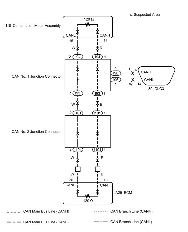
WIRING DIAGRAM





INSPECTION PROCEDURE

NOTICE:
* Before measuring the resistance of the CAN bus, turn the ignition switch off and leave the vehicle for 1 minute or more without operating the key, switches or opening or closing the doors. After that, disconnect the cable from the negative (-) battery terminal and leave the vehicle for 1 minute or more before measuring the resistance.
* After turning the ignition switch off, waiting time may be required before disconnecting the cable from the negative (-) battery terminal. Therefore, make sure to read the disconnecting the cable from the negative (-) battery terminal notice before proceeding with work Service Precautions.
* Because the order of diagnosis is important to allow correct diagnosis, make sure to begin troubleshooting using How to Proceed with Troubleshooting when CAN communication system related DTCs are output How to Proceed With Troubleshooting.
* After performing repairs, perform the DTC check procedure and confirm that the DTCs are not output again.
* DTC check procedure: Turn the ignition switch to ON, turn the blind spot monitor system on using the blind spot monitor main switch (ON/OFF switch), wait at least 31 seconds, and then drive the vehicle at a speed of 20 km/h (12 mph) or more at least 5 minutes. Check that the warning light remains off after turning off following the initial light check.
* After the repair, perform CAN Bus Check and check that all the ECUs and sensors connected to the CAN communication system are displayed Diagnosis System.

HINT
* Operating the ignition switch, any other switches or a door triggers related ECU and sensor communication on the CAN. This communication will cause the resistance value to change.
* Even after DTCs are cleared, if a DTC is stored again after driving the vehicle for a while, the malfunction may be occurring due to vibration of the vehicle. In such a case, wiggling the ECUs or wire harness while performing the inspection below may help determine the cause of the malfunction.
* Connectors that connect to the CAN junction connector can be distinguished by color of their CAN bus lines. When the connectors have been disconnected from the CAN junction connector, reconnecting the connectors to non-original positions on the CAN junction connector does not affect system performance. However, it is preferred to reconnect the connectors to their original positions to avoid negative effects on the wiring such as tension on the wiring harnesses, and to make future maintenance easier.

PROCEDURE

1. CHECK FOR OPEN IN CAN BUS LINES (DLC3 BRANCH LINE)

(a) Disconnect the cable from the negative (-) battery terminal.

(b) Measure the resistance according to the value(s) in the table below.





Standard Resistance:





Text in Illustration





NOTICE:
When the measured value is 133 Ohms or higher and a CAN communication system DTC is output, there may be a fault besides disconnection of the DLC3 branch line. For that reason, troubleshooting should be performed again from How to Proceed with Troubleshooting after repairing the trouble area How to Proceed With Troubleshooting.

NG -- REPAIR OR REPLACE CAN BRANCH LINE CONNECTED TO DLC3
OK -- Continue to next step.

2. CHECK FOR OPEN IN CAN BUS LINES (ECM - CAN NO. 2 J/C)

(a) Disconnect the ECM connector.





(b) Measure the resistance according to the value(s) in the table below.

Standard Resistance:





Text in Illustration





Result:





B -- REPLACE ECM Removal

C -- CHECK FOR OPEN IN CAN BUS LINES (COMBINATION METER ASSEMBLY - CAN NO. 1 J/C)

A -- REPLACE ECM Removal

3. CHECK FOR OPEN IN CAN BUS LINES (COMBINATION METER ASSEMBLY - CAN NO. 1 J/C)

(a) Reconnect the ECM connector.

(b) Disconnect the combination meter assembly connector.





(c) Measure the resistance according to the value(s) in the table below.

Standard Resistance:





Text in Illustration





NG -- CHECK FOR OPEN IN CAN BUS LINES (CAN NO. 1 J/C)

OK -- REPLACE COMBINATION METER ASSEMBLY Removal

4. CHECK FOR OPEN IN CAN BUS LINES (CAN NO. 1 J/C)

(a) Reconnect the combination meter assembly connector.

(b) Disconnect the CAN No. 1 junction connectors (I94 and I93).





(c) Measure the resistance according to the value(s) in the table below.

Standard Resistance:





Wiring Color:





Text in Illustration





NOTICE:
* Before disconnecting the connectors, make a note of where they are connected.
* Reconnect each connector to its original position.

Result:





B -- REPAIR OR REPLACE CAN MAIN BUS LINE OR CONNECTOR (CAN NO. 1 J/C - COMBINATION METER ASSEMBLY)

C -- CHECK FOR OPEN IN CAN BUS LINES (CAN NO. 2 J/C)

A -- REPLACE CAN NO. 1 JUNCTION CONNECTOR

5. CHECK FOR OPEN IN CAN BUS LINES (CAN NO. 2 J/C)

(a) Reconnect the CAN No. 1 junction connector (I94 and I93).

(b) Disconnect the CAN No. 2 junction connectors (I104 and I101).





(c) Measure the resistance according to the value(s) in the table below.

Standard Resistance:





Wiring Color:





Text in Illustration





NOTICE:
* Before disconnecting the connectors, make a note of where they are connected.
* Reconnect each connector to its original position.

Result:





B -- REPAIR OR REPLACE CAN MAIN BUS LINE OR CONNECTOR (CAN NO. 1 J/C - CAN NO. 2 J/C)

C -- REPAIR OR REPLACE CAN MAIN BUS LINE OR CONNECTOR (CAN NO. 2 J/C - ECM)

A -- REPLACE CAN NO. 2 JUNCTION CONNECTOR