Smart Key System, Wireless Door Lock Control (w/ Smart Key system)
Engine Immobiliser System (w/ Smart Key System), Remote Engine Starter System, Smart Key System, Starting (w/ Smart Key System), Steering Lock (w/ Smart Key System) and Wireless Door Lock Control (w/ Smart Key System) Part 1:
Engine Immobiliser System (w/ Smart Key System), Remote Engine Starter System, Smart Key System, Starting (w/ Smart Key System), Steering Lock (w/ Smart Key System) and Wireless Door Lock Control (w/ Smart Key System) Part 2:
Engine Immobiliser System (w/ Smart Key System), Remote Engine Starter System, Smart Key System, Starting (w/ Smart Key System), Steering Lock (w/ Smart Key System) and Wireless Door Lock Control (w/ Smart Key System) Part 3:
Engine Immobiliser System (w/ Smart Key System), Remote Engine Starter System, Smart Key System, Starting (w/ Smart Key System), Steering Lock (w/ Smart Key System) and Wireless Door Lock Control (w/ Smart Key System) Part 4:
Engine Immobiliser System (w/ Smart Key System), Remote Engine Starter System, Smart Key System, Starting (w/ Smart Key System), Steering Lock (w/ Smart Key System) and Wireless Door Lock Control (w/ Smart Key System) Part 5:
Engine Immobiliser System (w/ Smart Key System), Remote Engine Starter System, Smart Key System, Starting (w/ Smart Key System), Steering Lock (w/ Smart Key System) and Wireless Door Lock Control (w/ Smart Key System) Part 6:
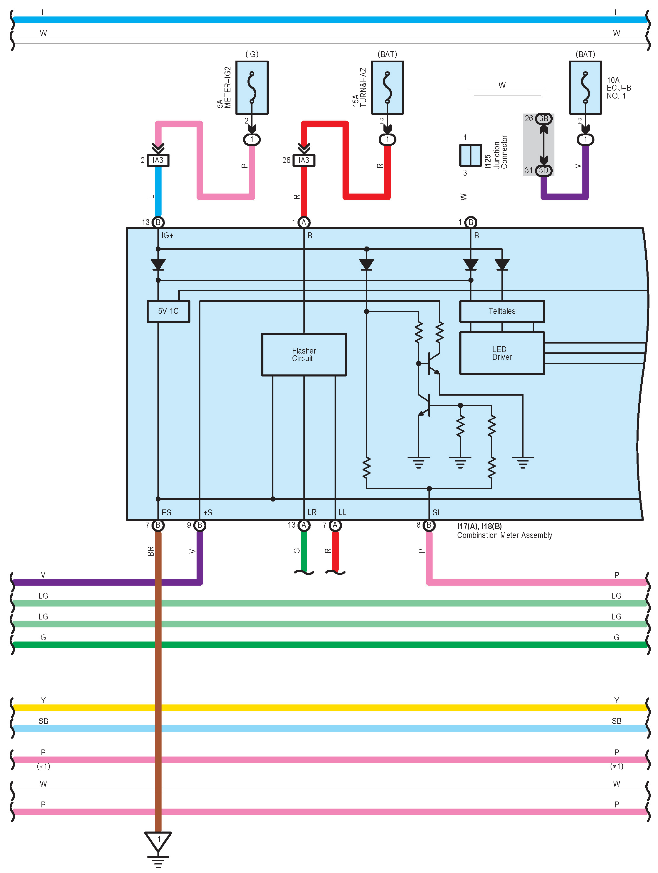
Engine Immobiliser System (w/ Smart Key System), Remote Engine Starter System, Smart Key System, Starting (w/ Smart Key System), Steering Lock (w/ Smart Key System) and Wireless Door Lock Control (w/ Smart Key System) Part 7:
Engine Immobiliser System (w/ Smart Key System), Remote Engine Starter System, Smart Key System, Starting (w/ Smart Key System), Steering Lock (w/ Smart Key System) and Wireless Door Lock Control (w/ Smart Key System) Part 8:
Engine Immobiliser System (w/ Smart Key System), Remote Engine Starter System, Smart Key System, Starting (w/ Smart Key System), Steering Lock (w/ Smart Key System) and Wireless Door Lock Control (w/ Smart Key System) Part 9:
Engine Immobiliser System (w/ Smart Key System), Remote Engine Starter System, Smart Key System, Starting (w/ Smart Key System), Steering Lock (w/ Smart Key System) and Wireless Door Lock Control (w/ Smart Key System) Part 10:
Engine Immobiliser System (w/ Smart Key System), Remote Engine Starter System, Smart Key System, Starting (w/ Smart Key System), Steering Lock (w/ Smart Key System) and Wireless Door Lock Control (w/ Smart Key System) Part 11:
Engine Immobiliser System (w/ Smart Key System), Remote Engine Starter System, Smart Key System, Starting (w/ Smart Key System), Steering Lock (w/ Smart Key System) and Wireless Door Lock Control (w/ Smart Key System) Part 12:
Engine Immobiliser System (w/ Smart Key System), Remote Engine Starter System, Smart Key System, Starting (w/ Smart Key System), Steering Lock (w/ Smart Key System) and Wireless Door Lock Control (w/ Smart Key System) Part 13:
Engine Immobiliser System (w/ Smart Key System), Remote Engine Starter System, Smart Key System, Starting (w/ Smart Key System), Steering Lock (w/ Smart Key System) and Wireless Door Lock Control (w/ Smart Key System) Part 14:
Engine Immobiliser System (w/ Smart Key System), Remote Engine Starter System, Smart Key System, Starting (w/ Smart Key System), Steering Lock (w/ Smart Key System) and Wireless Door Lock Control (w/ Smart Key System) Part 15:
Engine Immobiliser System (w/ Smart Key System), Remote Engine Starter System, Smart Key System, Starting (w/ Smart Key System), Steering Lock (w/ Smart Key System) and Wireless Door Lock Control (w/ Smart Key System) Part 16:
Engine Immobiliser System (w/ Smart Key System), Remote Engine Starter System, Smart Key System, Starting (w/ Smart Key System), Steering Lock (w/ Smart Key System) and Wireless Door Lock Control (w/ Smart Key System) Part 17:
Engine Immobiliser System (w/ Smart Key System), Remote Engine Starter System, Smart Key System, Starting (w/ Smart Key System), Steering Lock (w/ Smart Key System) and Wireless Door Lock Control (w/ Smart Key System) Part 18:
Engine Immobiliser System (w/ Smart Key System), Remote Engine Starter System, Smart Key System, Starting (w/ Smart Key System), Steering Lock (w/ Smart Key System) and Wireless Door Lock Control (w/ Smart Key System) Part 19:
Engine Immobiliser System (w/ Smart Key System), Remote Engine Starter System, Smart Key System, Starting (w/ Smart Key System), Steering Lock (w/ Smart Key System) and Wireless Door Lock Control (w/ Smart Key System) Part 20:
Locations: The locations of components, connectors, ground points, and splices referred to within these diagrams can be found at Vehicle Locations. Locations
Connector Views: Diagrams of the connectors referred to within these diagrams can be found at Connector Views by Connector Number. Connector Views By Connector Number