Curiosii for ever!: Car repair manuals for everyone.

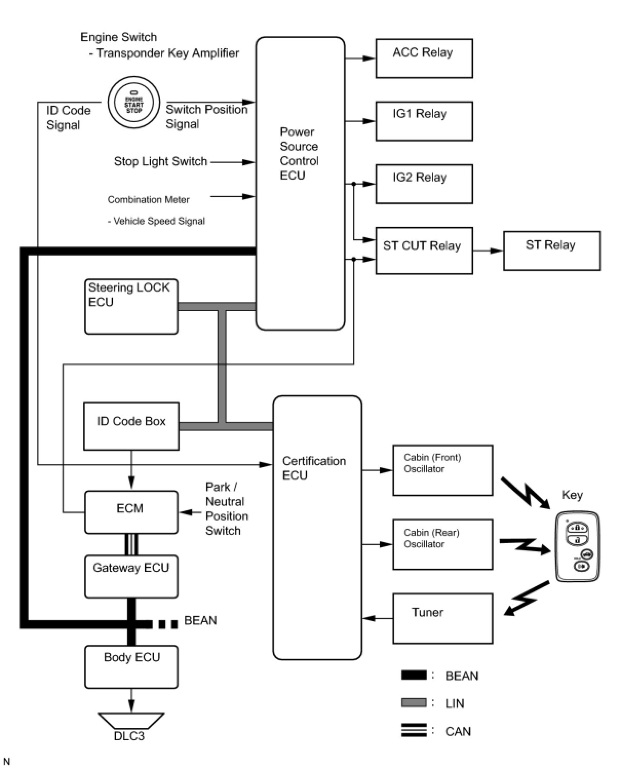
System Diagram





2GR-FE STARTING: SMART KEY SYSTEM: SYSTEM DIAGRAM