Curiosii for ever!: Car repair manuals for everyone.

Electrical Diagrams

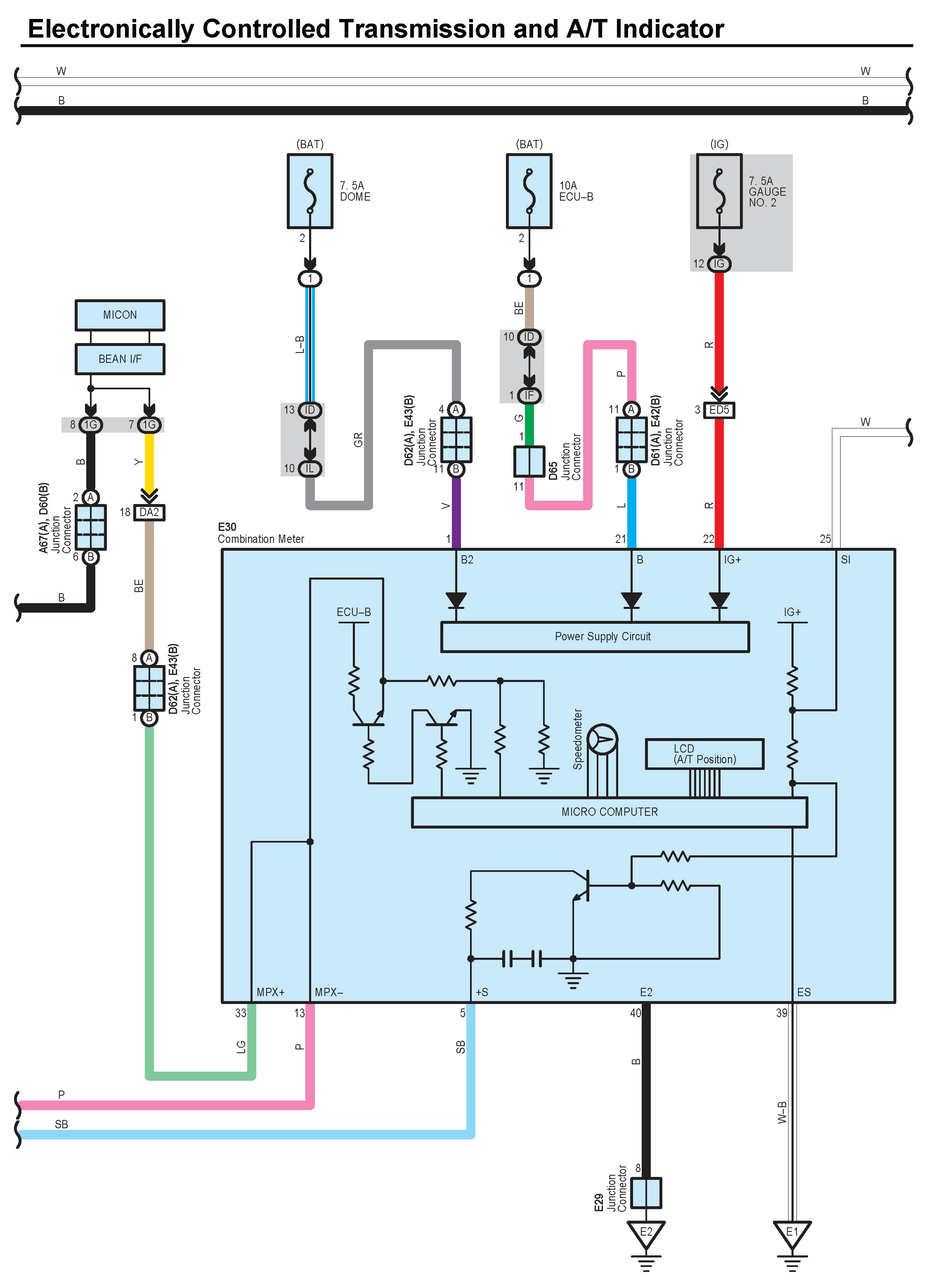
Electronically Controlled Transmission and A/T Indicator Part 1:




Electronically Controlled Transmission and A/T Indicator Part 2:




Electronically Controlled Transmission and A/T Indicator Part 3:




Electronically Controlled Transmission and A/T Indicator Part 4:




Electronically Controlled Transmission and A/T Indicator Part 5:




Electronically Controlled Transmission and A/T Indicator Part 6:




Electronically Controlled Transmission and A/T Indicator Part 7:




Electronically Controlled Transmission and A/T Indicator Part 8:




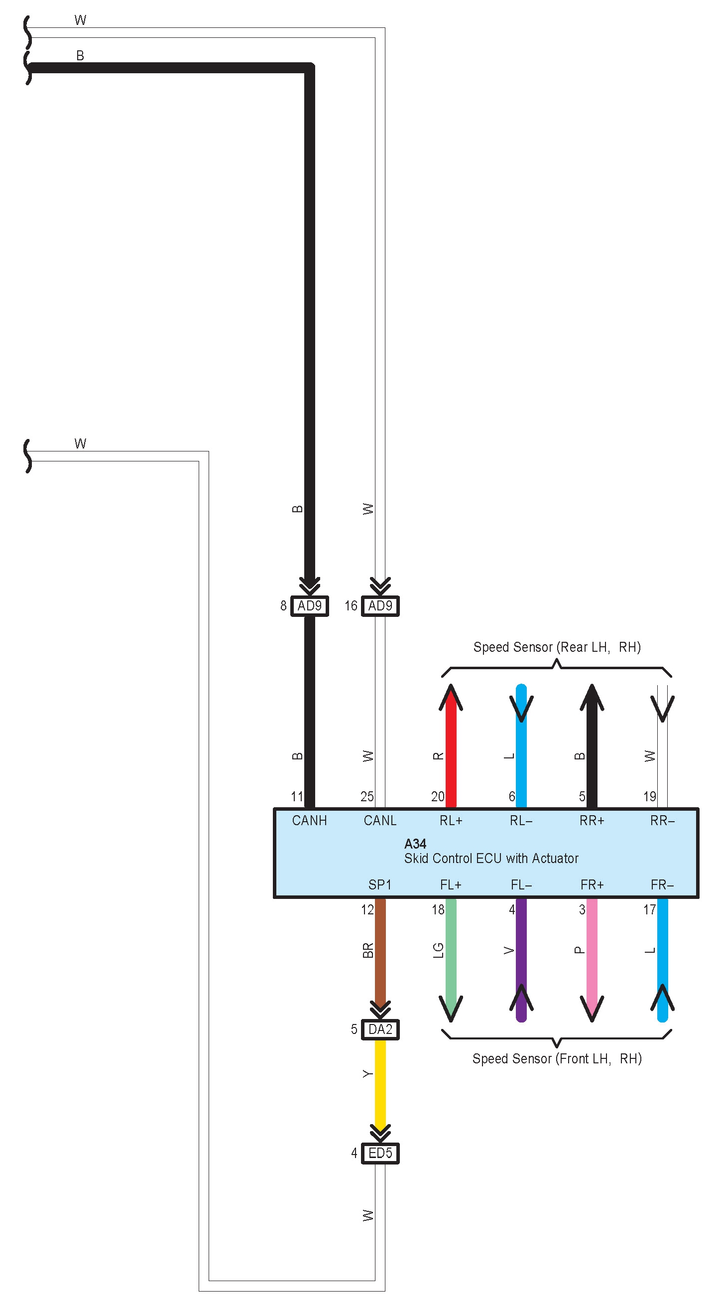
Electronically Controlled Transmission and A/T Indicator Part 9:




Electronically Controlled Transmission and A/T Indicator Part 10:









Locations: The locations of components, connectors, ground points, and splices referred to within these diagrams can be found at Vehicle Locations. Locations

Connector Views: Diagrams of the connectors referred to within these diagrams can be found at Connector Views by Connector Number. Connector Views By Connector Number