Curiosii for ever!: Car repair manuals for everyone.

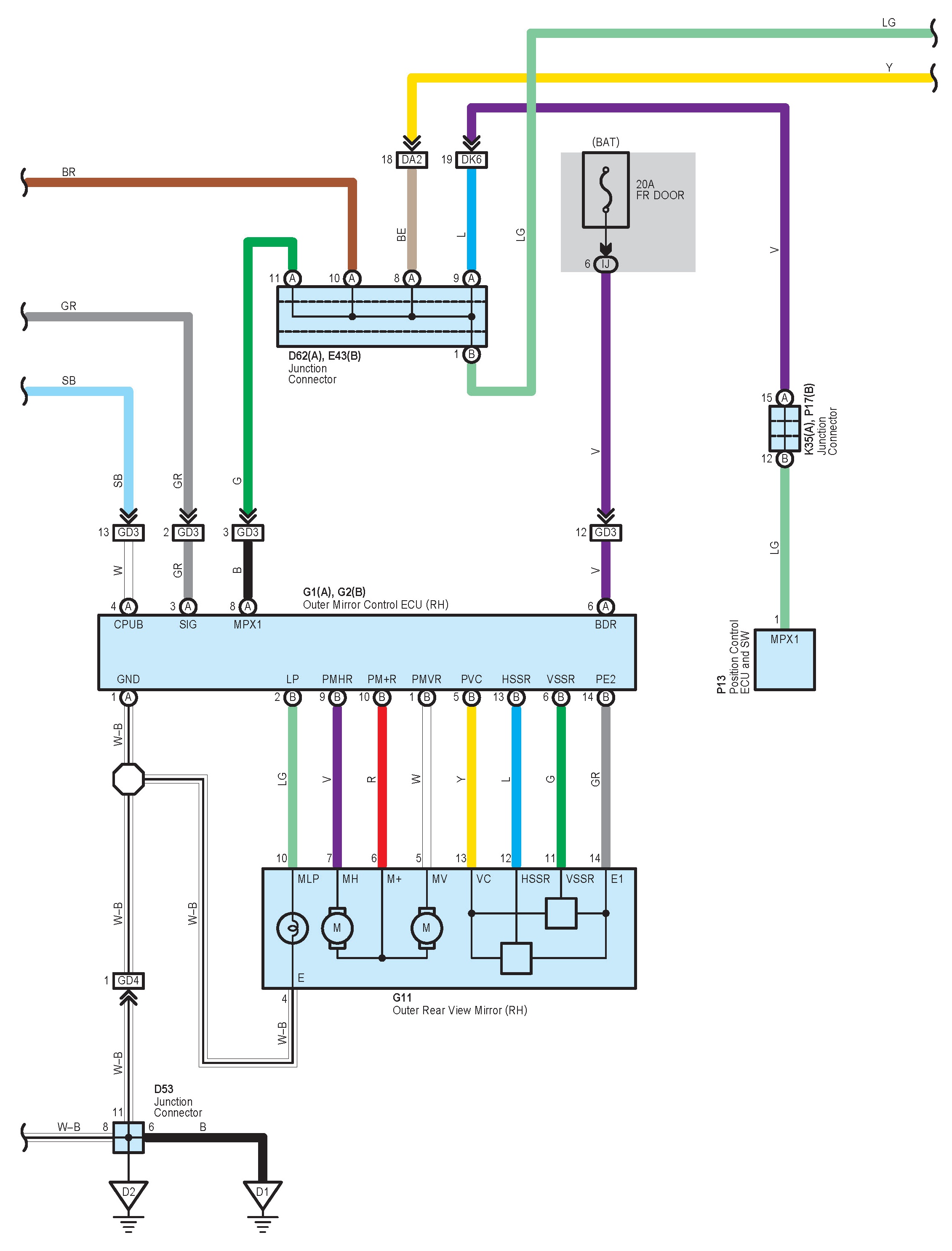
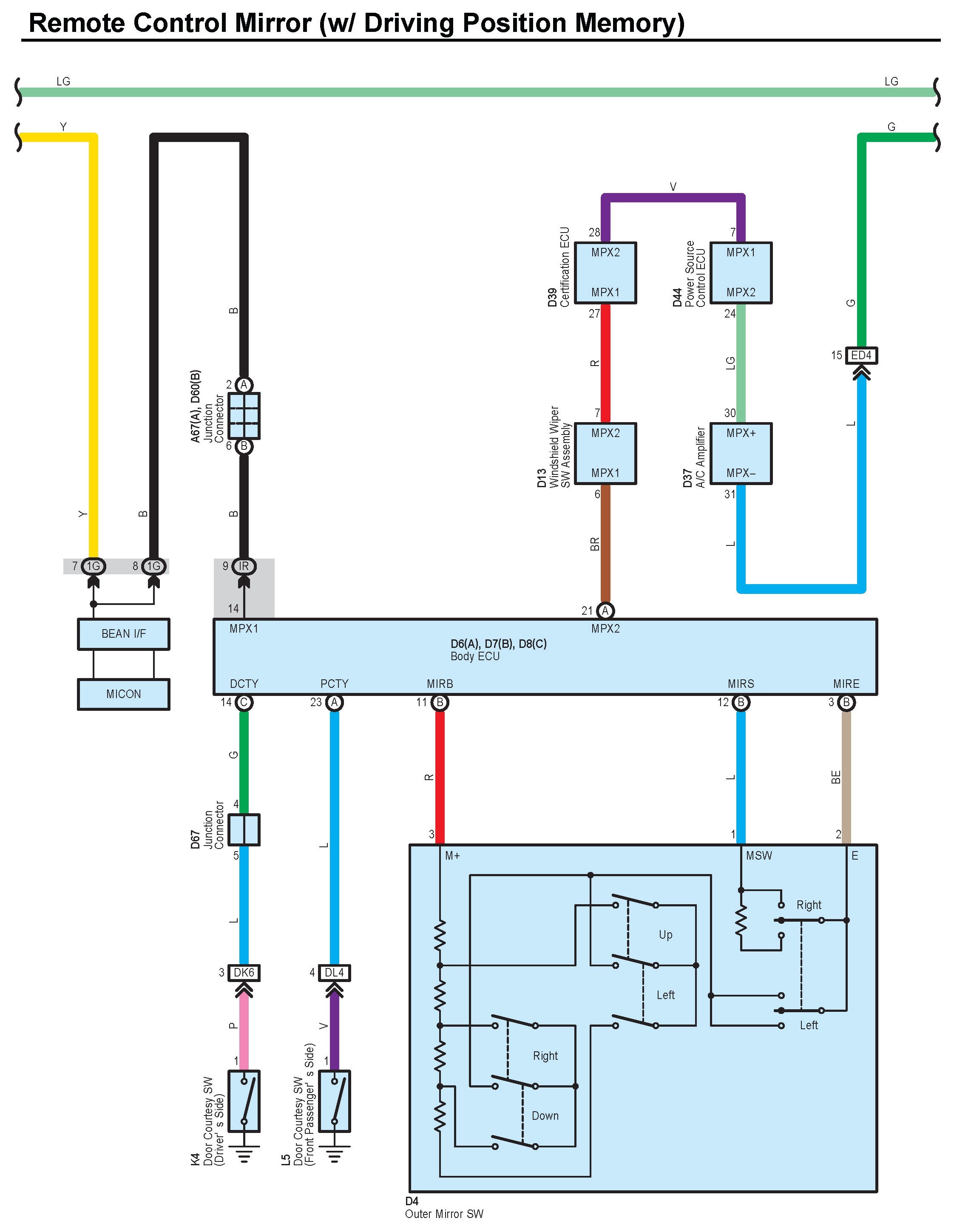
Remote Control Mirror (w/ Driving Position Memory)

Remote Control Mirror (w/ Driving Position Memory) Part 1:




Remote Control Mirror (w/ Driving Position Memory) Part 2:




Remote Control Mirror (w/ Driving Position Memory) Part 3:




Remote Control Mirror (w/ Driving Position Memory) Part 4:









Locations: The locations of components, connectors, ground points, and splices referred to within these diagrams can be found at Vehicle Locations. Locations

Connector Views: Diagrams of the connectors referred to within these diagrams can be found at Connector Views by Connector Number. Connector Views By Connector Number