Curiosii for ever!: Car repair manuals for everyone.

Part 1





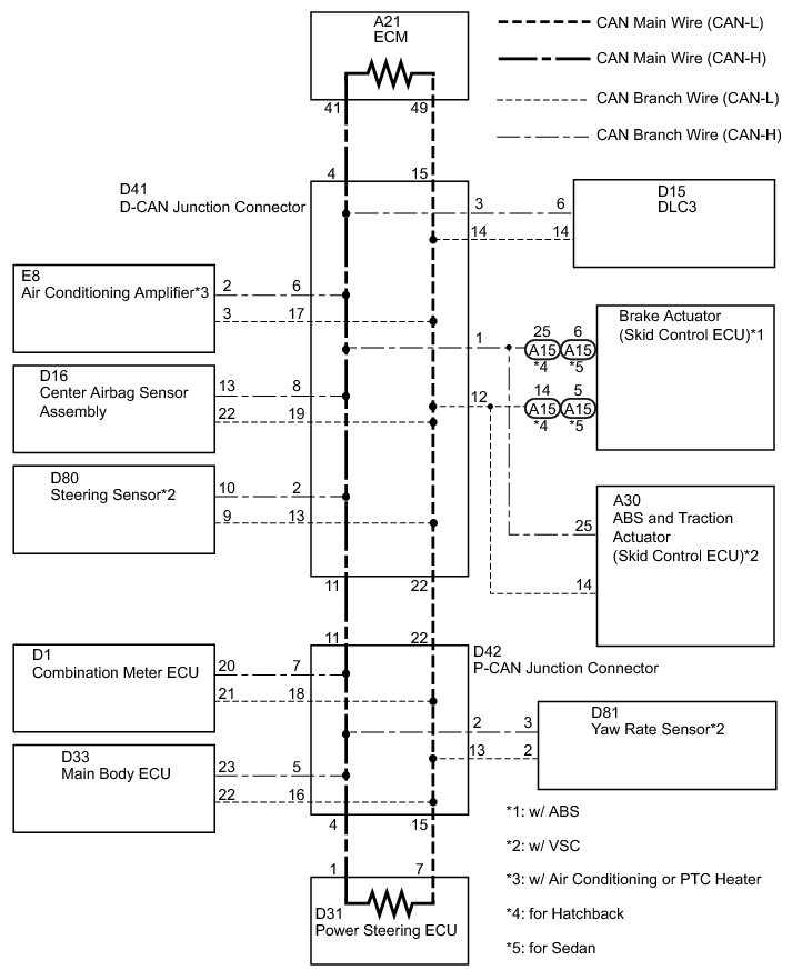
CAN COMMUNICATION: CAN COMMUNICATION SYSTEM: Check CAN Bus Lines for Short Circuit
- Check CAN Bus Lines for Short Circuit

DESCRIPTION

There may a short circuit in the CAN main wire and/or CAN branch wire when the resistance between terminals 6 (CANH) and 14 (CANL) of the DLC3 is below 54 Ohms.





* *1: w/ ABS

* *2: w/ VSC

* *3: w/ Air conditioning or PTC heater

WIRING DIAGRAM





INSPECTION PROCEDURE

NOTICE:
* Turn the ignition switch off before measuring the resistances of the CAN main wire and the CAN branch wire.
* After the ignition switch is turned off, check that the key reminder warning system and light reminder warning system are not in operation.
* Before measuring the resistance, leave the vehicle as is for at least 1 minute and do not operate the ignition switch, any other switches or the doors. If doors need to be opened in order to check connectors, open the doors and leave them open.

HINT
Operating the ignition switch, any switches or any doors triggers related ECU and sensor communication with the CAN, which causes resistance variation.

PROCEDURE

1. CHECK CAN BUS LINES FOR SHORT CIRCUIT (DLC3 BRANCH WIRE)

(a) Turn the ignition switch off.





(b) Disconnect the D41 D-CAN junction connector.

Text in Illustration





(c) Measure the resistance according to the value(s) in the table below.





Standard Resistance:





Text in Illustration





NG -- REPAIR OR REPLACE CAN BRANCH WIRE CONNECTED TO DLC3 (CAN-H, CAN-L)
OK -- Continue to next step.

2. CONNECT CONNECTOR

(a) Reconnect the D-CAN junction connector.

NEXT -- Continue to next step.

3. CHECK CAN BUS LINES FOR SHORT CIRCUIT (P-CAN J/C SIDE)

(a) Turn the ignition switch off.





(b) Disconnect the D42 P-CAN junction connector.

Text in Illustration





(c) Measure the resistance according to the value(s) in the table below.





Standard Resistance:





Text in Illustration





NG -- CHECK CAN BUS LINES FOR SHORT CIRCUIT (D-CAN J/C - P-CAN J/C)
OK -- Continue to next step.

4. CHECK CAN BUS LINES FOR SHORT CIRCUIT (P-CAN J/C - POWER STEERING ECU)

(a) Measure the resistance according to the value(s) in the table below.





HINT
The resistance must be measured after the D42 P-CAN junction connector is disconnected.

Standard Resistance:





Text in Illustration





NG -- CHECK CAN BUS LINES FOR SHORT CIRCUIT (POWER STEERING ECU MAIN WIRE)
OK -- Continue to next step.

5. CHECK CAN BUS LINES FOR SHORT CIRCUIT (P-CAN J/C - MAIN BODY ECU)

(a) Measure the resistance according to the value(s) in the table below.





HINT
The resistance must be measured after the D42 P-CAN junction connector is disconnected.

Standard Resistance:





Text in Illustration





NG -- CHECK CAN BUS LINES FOR SHORT CIRCUIT (MAIN BODY ECU BRANCH WIRE)
OK -- Continue to next step.

6. CHECK CAN BUS LINES FOR SHORT CIRCUIT (P-CAN J/C - YAW RATE SENSOR)

HINT
For vehicles without VSC, go to step 7.

(a) Measure the resistance according to the value(s) in the table below.





HINT
The resistance must be measured after the D42 P-CAN junction connector is disconnected.

Standard Resistance:





Text in Illustration





NG -- CHECK CAN BUS LINES FOR SHORT CIRCUIT (YAW RATE SENSOR BRANCH WIRE)
OK -- Continue to next step.

7. CHECK CAN BUS LINES FOR SHORT CIRCUIT (P-CAN J/C - COMBINATION METER ECU)

(a) Measure the resistance according to the value(s) in the table below.





HINT
The resistance must be measured after the D42 P-CAN junction connector is disconnected.

Standard Resistance:





Text in Illustration





NG -- CHECK CAN BUS LINES FOR SHORT CIRCUIT (COMBINATION METER ECU BRANCH WIRE)

OK -- REPLACE P-CAN JUNCTION CONNECTOR

8. CHECK CAN BUS LINES FOR SHORT CIRCUIT (D-CAN J/C - P-CAN J/C)

(a) Turn the ignition switch off.





(b) Disconnect the D41 D-CAN junction connector.

(c) Measure the resistance according to the value(s) in the table below.

HINT
The resistance must be measured after the D42 P-CAN junction connector is disconnected.

Standard Resistance:





Text in Illustration





NG -- REPAIR OR REPLACE CAN MAIN WIRE OR CONNECTOR (D-CAN J/C - P-CAN J/C (CAN-H, CAN-L))
OK -- Continue to next step.

9. CONNECT CONNECTOR

(a) Reconnect the P-CAN junction connector.

NEXT -- Continue to next step.

10. CHECK CAN BUS LINES FOR SHORT CIRCUIT (D-CAN J/C - ECM)

(a) Measure the resistance according to the value(s) in the table below.





HINT
The resistance must be measured after the D41 D-CAN junction connector is disconnected.

Standard Resistance:





Text in Illustration





NG -- CHECK CAN BUS LINES FOR SHORT CIRCUIT (ECM MAIN WIRE)
OK -- Continue to next step.

11. CHECK CAN BUS LINES FOR SHORT CIRCUIT (D-CAN J/C - BRAKE ACTUATOR (SKID CONTROL ECU))

HINT
For vehicles without ABS, go to step 12.

(a) Measure the resistance according to the value(s) in the table below.





HINT
The resistance must be measured after the D41 D-CAN junction connector is disconnected.

Standard Resistance:





Text in Illustration





NG -- CHECK CAN BUS LINES FOR SHORT CIRCUIT (BRAKE ACTUATOR (SKID CONTROL ECU) BRANCH WIRE)
OK -- Continue to next step.

12. CHECK CAN BUS LINES FOR SHORT CIRCUIT (D-CAN J/C - ABS AND TRACTION ACTUATOR (SKID CONTROL ECU))

HINT
For vehicles without VSC, go to step 14.

(a) Measure the resistance according to the value(s) in the table below.





HINT
The resistance must be measured after the D41 D-CAN junction connector is disconnected.

Standard Resistance:





Text in Illustration





NG -- CHECK CAN BUS LINES FOR SHORT CIRCUIT (ABS AND TRACTION ACTUATOR (SKID CONTROL ECU) BRANCH WIRE)
OK -- Continue to next step.

13. CHECK CAN BUS LINES FOR SHORT CIRCUIT (D-CAN J/C - STEERING SENSOR)

(a) Measure the resistance according to the value(s) in the table below.





HINT
The resistance must be measured after the D41 D-CAN junction connector is disconnected.

Standard Resistance:





Text in Illustration





NG -- CHECK CAN BUS LINES FOR SHORT CIRCUIT (STEERING SENSOR BRANCH WIRE)
OK -- Continue to next step.

14. CHECK CAN BUS LINES FOR SHORT CIRCUIT (D-CAN J/C - AIR CONDITIONING AMPLIFIER)

HINT
For vehicles without air conditioning or PTC heater, go to step 15.

(a) Measure the resistance according to the value(s) in the table below.





HINT
The resistance must be measured after the D41 D-CAN junction connector is disconnected.

Standard Resistance:





Text in Illustration





NG -- CHECK CAN BUS LINES FOR SHORT CIRCUIT (AIR CONDITIONING AMPLIFIER BRANCH WIRE)
OK -- Continue to next step.

15. CHECK CAN BUS LINES FOR SHORT CIRCUIT (D-CAN J/C - CENTER AIRBAG SENSOR ASSEMBLY)

(a) Measure the resistance according to the value(s) in the table below.





HINT
The resistance must be measured after the D41 D-CAN junction connector is disconnected.

Standard Resistance:





Text in Illustration





NG -- CHECK CAN BUS LINES FOR SHORT CIRCUIT (CENTER AIRBAG SENSOR ASSEMBLY BRANCH WIRE)

OK -- REPLACE D-CAN JUNCTION CONNECTOR