Curiosii for ever!: Car repair manuals for everyone.

Electrical Diagrams

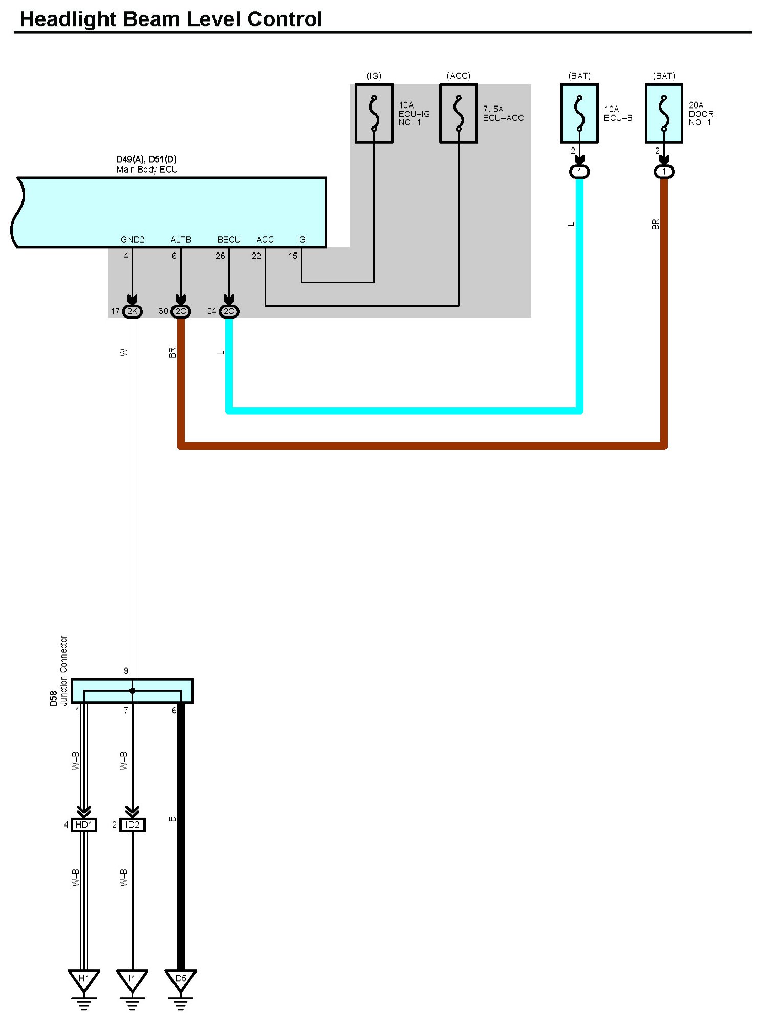
Headlight Beam Level Control Part 1:




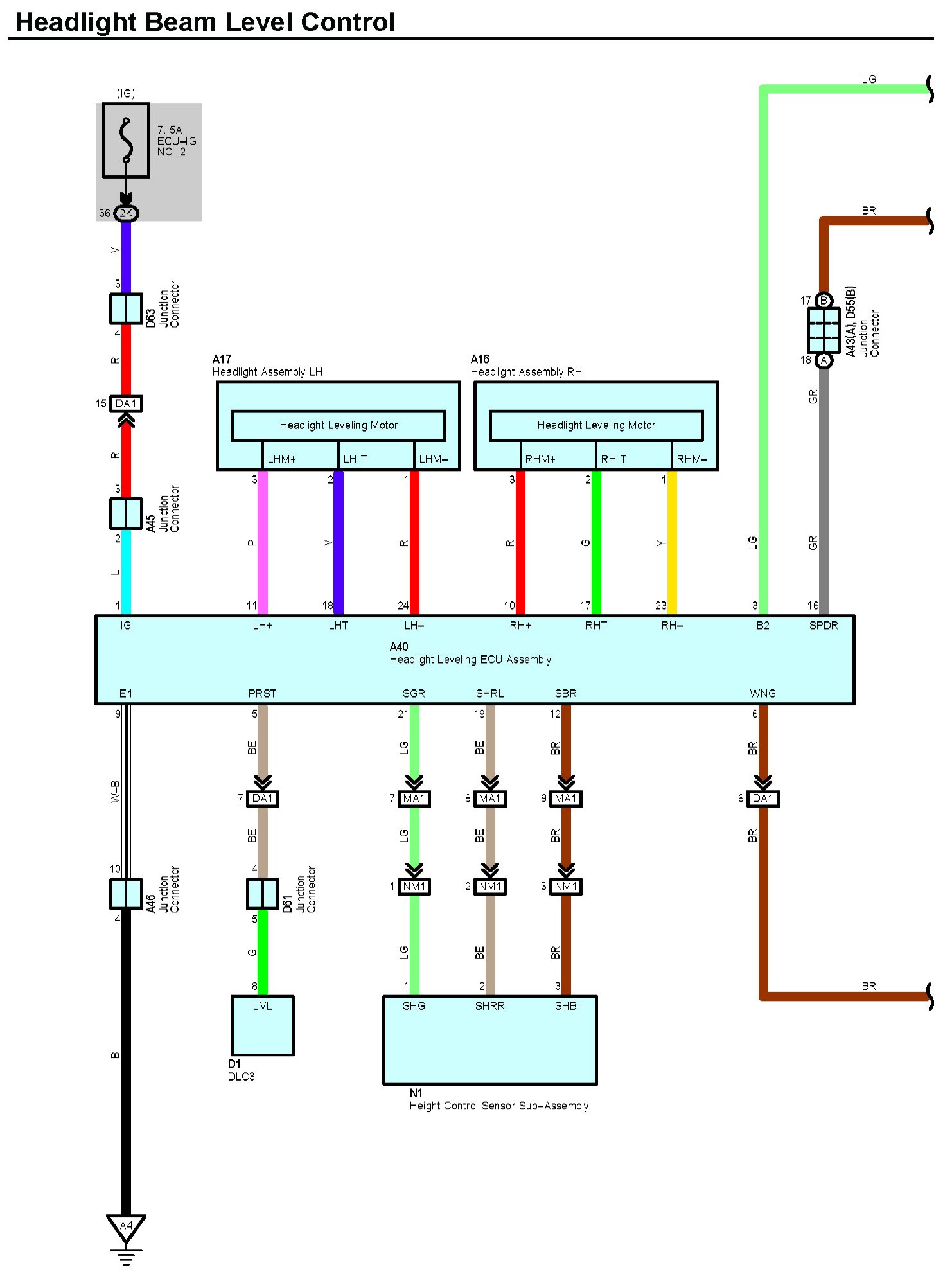
Headlight Beam Level Control Part 2:




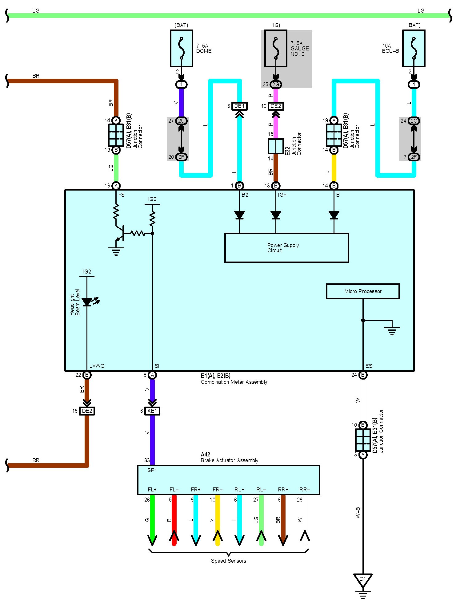
Headlight Beam Level Control Part 3:




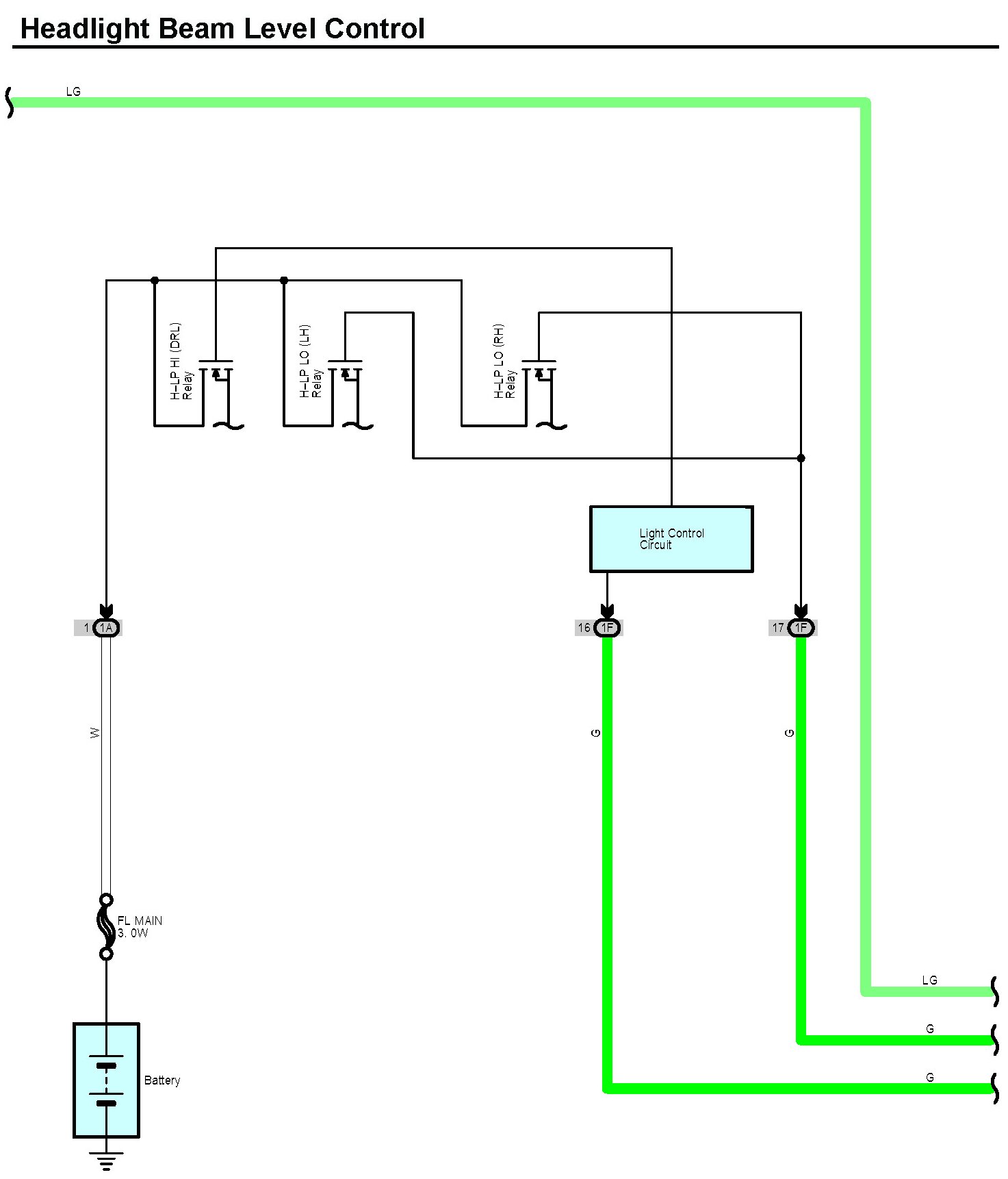
Headlight Beam Level Control Part 4:




Headlight Beam Level Control Part 5:









Locations: The locations of components, connectors, ground points, and splices referred to within these diagrams can be found at Vehicle Locations. Locations

Connector Views: Diagrams of the connectors referred to within these diagrams can be found at Connector Views by Connector Number. Connector Views By Connector Number