Curiosii for ever!: Car repair manuals for everyone.

Integration Relay





POWER DISTRIBUTION: INTEGRATION RELAY: INSPECTION

1. INSPECT INTEGRATION RELAY

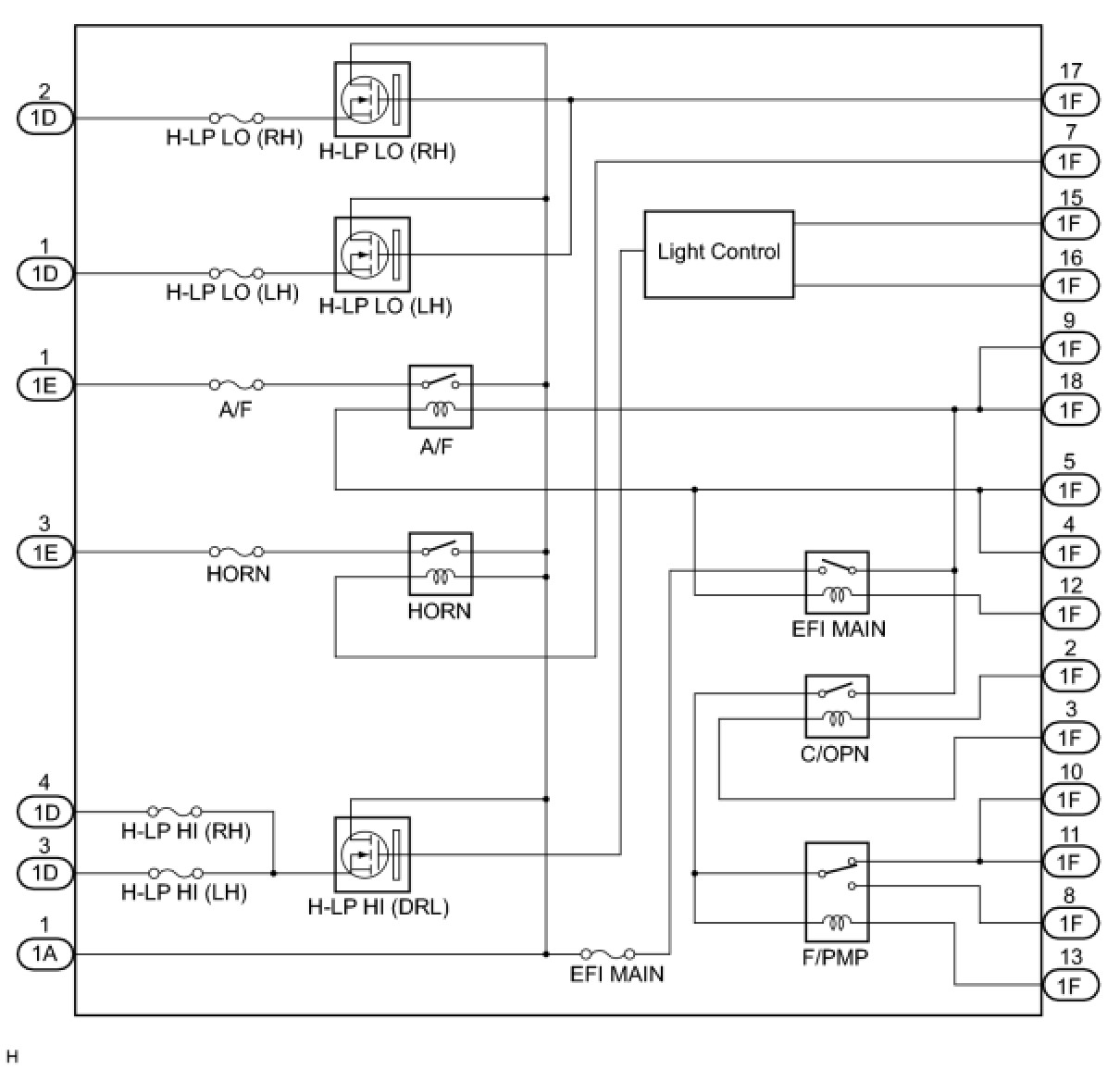
(a) Inner circuit (for 2GR-FE)





(1) for EFI MAIN relay

Measure the resistance according to the value(s) in the table below.





Standard Resistance:





Text in Illustration





HINT
If the result is not as specified, replace the integration relay.

(2) for A/F relay

Measure the resistance according to the value(s) in the table below.





Standard Resistance:





Text in Illustration





HINT
If the result is not as specified, replace the integration relay.

(3) for F/PMP relay (for AWD)

Measure the resistance according to the value(s) in the table below.





Standard Resistance:





Text in Illustration





HINT
If the result is not as specified, replace the integration relay.

(4) for C/OPN relay

Measure the resistance according to the value(s) in the table below.





Standard Resistance:





Text in Illustration





HINT
If the result is not as specified, replace the integration relay.

(5) for HORN relay

Measure the voltage according to the value(s) in the table below.





Standard Voltage:





Text in Illustration





HINT
If the result is not as specified, replace the integration relay.

(6) for H-LP LO (LH) relay

Measure the voltage according to the value(s) in the table below.





Standard Voltage:





Text in Illustration





HINT
If the result is not as specified, replace the integration relay.

(7) for H-LP LO (RH) relay

Measure the voltage according to the value(s) in the table below.





Standard Voltage:





Text in Illustration





HINT
If the result is not as specified, replace the integration relay.

(8) for H-LP HI (DRL) relay

for Halogen headlight

1 Measure the voltage according to the value(s) in the table below.





Standard Voltage:





for HID headlight

1 Measure the voltage according to the value(s) in the table below.

Standard Voltage:





Text in Illustration





HINT
If the result is not as specified, replace the integration relay.

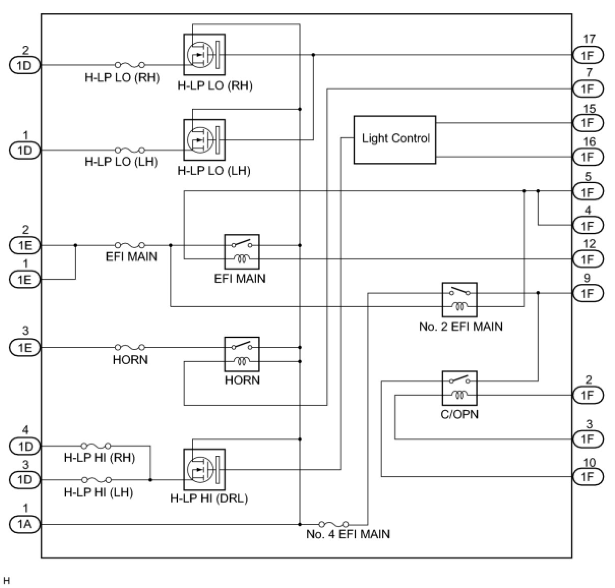
(b) Inner circuit (for 1AR-FE)





(1) for No. 2 EFI MAIN relay

Measure the resistance according to the value(s) in the table below.





Standard Resistance:





Text in Illustration





HINT
If the result is not as specified, replace the integration relay.

(2) for EFI MAIN relay

Measure the resistance according to the value(s) in the table below.





Standard Resistance:





Text in Illustration





HINT
If the result is not as specified, replace the integration relay.

(3) for C/OPN relay

Measure the resistance according to the value(s) in the table below.





Standard Resistance:





Text in Illustration





HINT
If the result is not as specified, replace the integration relay.

(4) for HORN relay

Measure the voltage according to the value(s) in the table below.





Standard Voltage:





Text in Illustration





HINT
If the result is not as specified, replace the integration relay.

(5) for H-LP LO (LH) relay

Measure the voltage according to the value(s) in the table below.





Standard Voltage:





Text in Illustration





HINT
If the result is not as specified, replace the integration relay.

(6) for H-LP LO (RH) relay

Measure the voltage according to the value(s) in the table below.





Standard Voltage:





Text in Illustration





HINT
If the result is not as specified, replace the integration relay.

(7) for H-LP HI (DRL) relay

for Halogen headlight

1 Measure the voltage according to the value(s) in the table below.





Standard Voltage:





for HID headlight

1 Measure the voltage according to the value(s) in the table below.

Standard Voltage:





Text in Illustration





HINT
If the result is not as specified, replace the integration relay.