Curiosii for ever!: Car repair manuals for everyone.

Starter Relay: Testing and Inspection





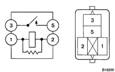
2AZ-FE STARTING: RELAY: ON-VEHICLE INSPECTION

1. INSPECT STARTER RELAY

(a) Check the resistance.





(1) Using an ohmmeter, measure the resistance between the terminals.

Standard Resistance:





If the result is not as specified, replace the relay.

2. INSPECT ACC RELAY

(a) Check the resistance.





(1) Using an ohmmeter, measure the resistance between the terminals.

Standard Resistance:





If the result is not as specified, replace the relay.