Curiosii for ever!: Car repair manuals for everyone.

Engine Switch Indicator Circuit





THEFT DETERRENT / KEYLESS ENTRY: SMART KEY SYSTEM (for Start Function): Engine Switch Indicator Circuit
- Engine Switch Indicator Circuit

DESCRIPTION

Engine start conditions or system malfunctions can be checked by the status of the engine switch indicator light.

Engine Switch Indicator Light Condition





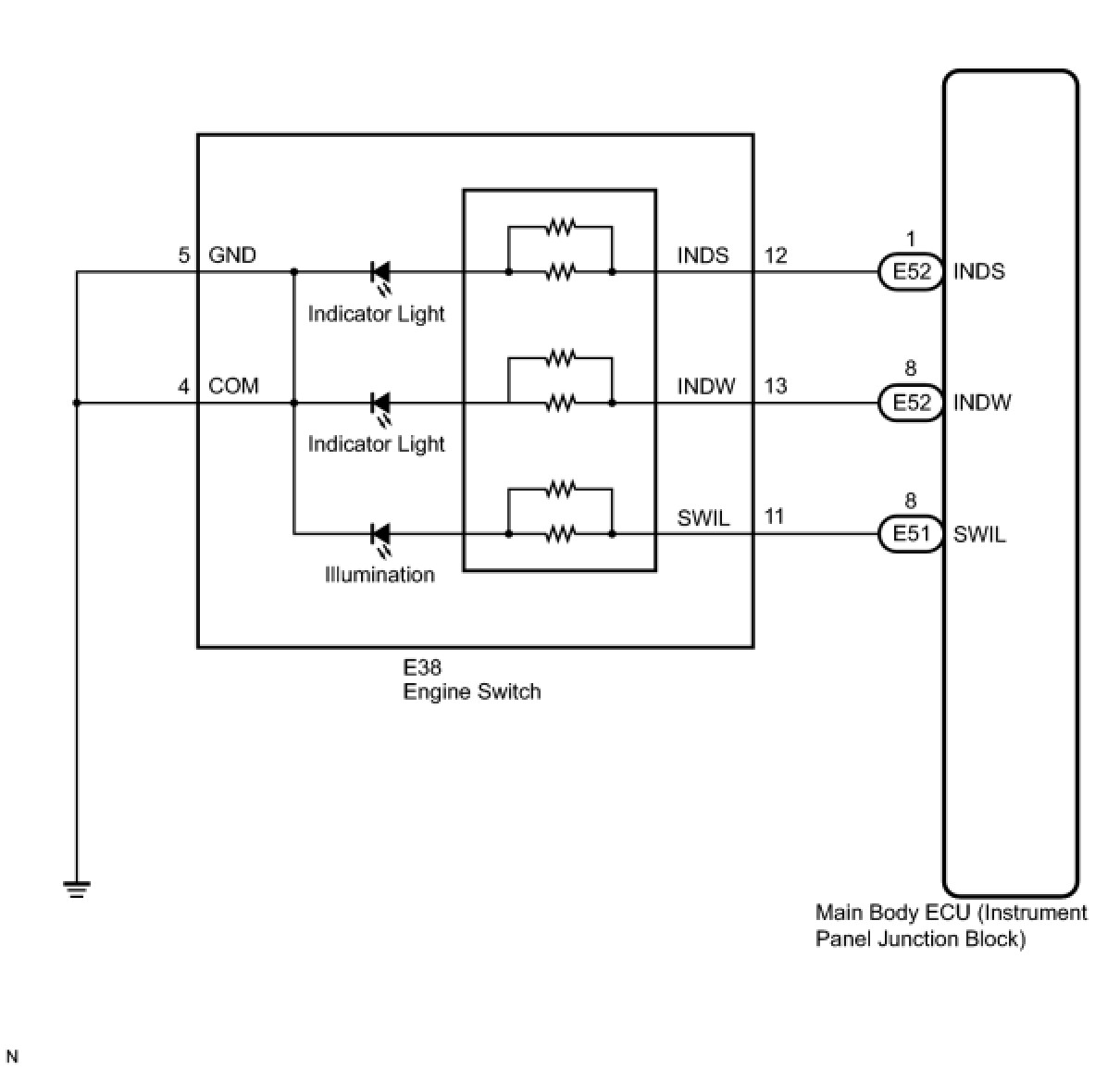
WIRING DIAGRAM





INSPECTION PROCEDURE

PROCEDURE

1. INSPECT ENGINE SWITCH

(a) Remove the engine switch Removal.





(b) Apply battery voltage between the terminals of the switch, and check the illumination condition of the switch.

NOTICE:
* If the positive (+) lead and the negative (-) lead are incorrectly connected, the engine switch indicator will not illuminate.
* If the voltage is too low, the indicator will not illuminate.

OK:





NG -- REPLACE ENGINE SWITCH Removal
OK -- Continue to next step.

2. CHECK HARNESS AND CONNECTOR (ENGINE SWITCH - MAIN BODY ECU AND BODY GROUND)

(a) Disconnect the E38 switch connector.





(b) Disconnect the E51 and E52 ECU connectors.

(c) Measure the resistance according to the value(s) in the table below.

Standard Resistance:





NG -- REPAIR OR REPLACE HARNESS OR CONNECTOR

OK -- REPLACE MAIN BODY ECU (INSTRUMENT PANEL JUNCTION BLOCK)