Curiosii for ever!: Car repair manuals for everyone.

ECM Power Source Circuit





2GR-FE ENGINE CONTROL SYSTEM: SFI SYSTEM: ECM Power Source Circuit
- ECM Power Source Circuit

DESCRIPTION

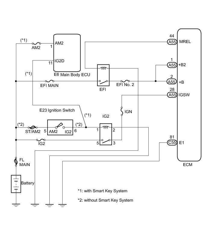
When the ignition switch is turned ON, the battery voltage is applied to terminal IGSW of the ECM. The ECM MREL output signal causes a current to flow to the coil, closing the contacts of the EFI relay and supplying power to terminal +B and +B2 of the ECM.

If the ignition switch is turned off, the ECM holds the EFI relay ON for a maximum of 2 seconds to allow for the initial setting of the throttle valve.

When the ignition switch is turned ON, voltage from the ECM's MREL terminal applies to the engine room junction block (EFI relay). This causes the contacts of the engine room junction block (EFI relay) to close, which supplies power to terminal +B or +B2 of the ECM.

WIRING DIAGRAM





INSPECTION PROCEDURE

NOTICE:
Inspect the fuses for circuits related to this system before performing the following inspection procedure.

PROCEDURE

1. CHECK HARNESS AND CONNECTOR (ECM - BODY GROUND)

(a) Disconnect the ECM connector.

(b) Measure the resistance between the terminals.

Standard resistance:





(c) Reconnect the ECM connector.

NG -- REPAIR OR REPLACE HARNESS OR CONNECTOR
OK -- Continue to next step.

2. CHECK ENGINE ROOM JUNCTION BLOCK (EFI RELAY VOLTAGE)

(a) Remove the engine room junction block from the engine room R/B.





(b) Turn the ignition switch to ON.

(c) Measure the voltage between the terminals.

Standard voltage:





Result:





(d) Reinstall the engine room junction block.

B -- INSPECT ENGINE ROOM JUNCTION BLOCK (EFI RELAY)
A -- Continue to next step.

3. CHECK HARNESS AND CONNECTOR (ENGINE ROOM RELAY BLOCK - BATTERY)

(a) Disconnect the negative battery terminal.

(b) Disconnect the positive battery terminal.

(c) Remove the engine room junction block from the engine room R/B.

(d) Measure the resistance between the terminals.

Standard resistance (Check for open):





Standard resistance (Check for short):





(e) Reinstall the engine room junction block.

(f) Reconnect the positive battery terminal.

(g) Reconnect the negative battery terminal.

NG -- REPAIR OR REPLACE HARNESS OR CONNECTOR

OK -- PROCEED TO NEXT CIRCUIT INSPECTION SHOWN IN PROBLEM SYMPTOMS TABLE Symptom Related Diagnostic Procedures

4. INSPECT ENGINE ROOM JUNCTION BLOCK (EFI RELAY)

(a) Remove the engine room junction block from the engine room R/B.





(b) Measure the resistance between the terminals.

Standard resistance:





(c) Reinstall the engine room junction block.

NG -- REPLACE ENGINE ROOM JUNCTION BLOCK
OK -- Continue to next step.

5. CHECK HARNESS AND CONNECTOR (ECM - ENGINE ROOM JUNCTION BLOCK)

(a) Disconnect the ECM connector.

(b) Remove the engine room junction block from the engine room R/B.

(c) Measure the resistance between the terminals.

Standard resistance (Check for open):





Standard resistance (Check for short):





(d) Reinstall the engine room junction block.

(e) Reconnect the ECM connector.

NG -- REPAIR OR REPLACE HARNESS OR CONNECTOR
OK -- Continue to next step.

6. INSPECT ECM (IGSW VOLTAGE)

(a) Disconnect the ECM connector.





(b) Turn the ignition switch to ON.

(c) Measure the voltage between the terminals.

Standard voltage:





Result:





(d) Reconnect the ECM connector.

B -- CHECK HARNESS AND CONNECTOR (ECM - BODY GROUND)
A -- Continue to next step.

7. INSPECT IG2 RELAY

(a) Remove the IG2 relay from the engine room R/B.





(b) Measure the resistance between the terminals.

Standard resistance:





(c) Reinstall the IG2 relay.

NG -- REPLACE IG2 RELAY
OK -- Continue to next step.

8. CHECK HARNESS AND CONNECTOR (IG2 RELAY - BODY GROUND)

(a) Remove the IG2 relay from the engine room R/B.

(b) Measure the resistance between the terminals.

Standard resistance:





(c) Reinstall the IG2 relay.

Result:





C -- REPAIR OR REPLACE HARNESS OR CONNECTOR

B -- GO TO SMART KEY SYSTEM How To Proceed With Troubleshooting
A -- Continue to next step.

9. INSPECT IGNITION SWITCH ASSEMBLY

(a) Disconnect the ignition switch connector.





(b) Measure the resistance between the terminals.

Standard resistance:





(c) Reconnect the ignition switch connector.

NG -- REPLACE IGNITION SWITCH ASSEMBLY

OK -- REPAIR OR REPLACE HARNESS OR CONNECTOR (ECM - BATTERY)

10. CHECK HARNESS AND CONNECTOR (ECM - BODY GROUND)

(a) Disconnect the ECM connector.

(b) Measure the resistance between the terminals.

Standard resistance:





(c) Reconnect the ECM connector.

NG -- REPAIR OR REPLACE HARNESS OR CONNECTOR

OK -- REPLACE ECM Removal