Curiosii for ever!: Car repair manuals for everyone.

ID Code Box Power Source Circuit





ENGINE IMMOBILISER: ENGINE IMMOBILISER SYSTEM (w/ Smart Key System): ID Code Box Power Source Circuit
- ID Code Box Power Source Circuit

DESCRIPTION

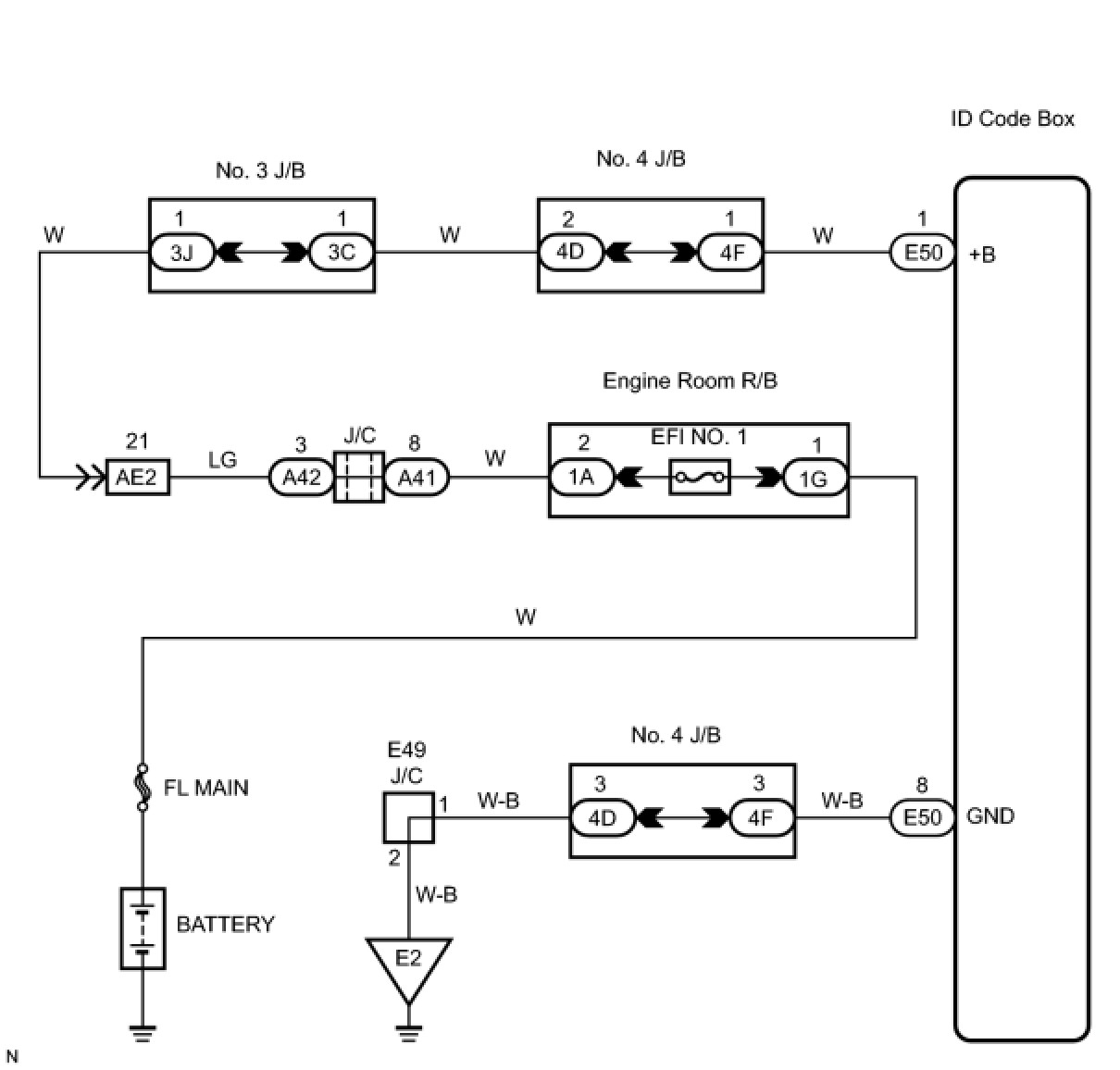
This circuit provides power to operate the ID code box.

WIRING DIAGRAM





INSPECTION PROCEDURE

NOTICE:
If the ID code box is replaced, register the key and ECU communication ID Engine Immobiliser System (W/ Smart Key System).

PROCEDURE

1. INSPECT FUSE (EFI NO. 1)

(a) Remove the EFI No. 1 fuse from the No. 1 engine room R/B.

(b) Measure the resistance of the fuse.

Standard resistance:

Below 1 Ohms

NG -- REPLACE FUSE
OK -- Continue to next step.

2. CHECK HARNESS AND CONNECTOR (ID CODE BOX - BATTERY)

(a) Disconnect the E50 ID code box connector.





(b) Measure the voltage according to the value(s) in the table below.

Standard voltage:





NG -- REPAIR OR REPLACE HARNESS OR CONNECTOR
OK -- Continue to next step.

3. CHECK HARNESS AND CONNECTOR (ID CODE BOX - BODY GROUND)

(a) Measure the resistance according to the value(s) in the table below.





Standard resistance:





NG -- REPAIR OR REPLACE HARNESS OR CONNECTOR

OK -- PROCEED TO NEXT CIRCUIT INSPECTION SHOWN IN PROBLEM SYMPTOMS TABLE