Curiosii for ever!: Car repair manuals for everyone.

EFI Relay





2AR-FE ENGINE CONTROL SYSTEM: EFI RELAY: INSPECTION

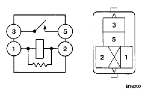
1. INSPECT EFI MAIN RELAY

(a) Using an ohmmeter, measure the resistance according to the value(s) in the table below.





Standard Resistance:





If the result is not as specified, replace the relay.

2. INSPECT EFI 2 RELAY

(a) Using an ohmmeter, measure the resistance according to the value(s) in the table below.





Standard Resistance: