Curiosii for ever!: Car repair manuals for everyone.

Component Tests and General Diagnostics





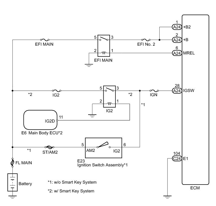
2AR-FE ENGINE CONTROL SYSTEM: SFI SYSTEM: ECM Power Source Circuit
- ECM Power Source Circuit

DESCRIPTION

When the ignition switch is turned to ON, the battery voltage is applied to terminal IGSW of the ECM. The ECM MREL output signal causes a current to flow to the coil, closing the contacts of the EFI MAIN relay and supplying power to terminal +B, +B2 of the ECM.

WIRING DIAGRAM





INSPECTION PROCEDURE

NOTICE:
Inspect the fuses for circuits related to this system before performing the following inspection procedure.

PROCEDURE

1. CHECK HARNESS AND CONNECTOR (ECM - BODY GROUND)

(a) Disconnect the ECM connector.

(b) Measure the resistance according to the value(s) in the table below.

Standard Resistance (Check for Open):





(c) Reconnect the ECM connector.

NG -- REPAIR OR REPLACE HARNESS OR CONNECTOR
OK -- Continue to next step.

2. INSPECT ECM (IGSW VOLTAGE)

(a) Disconnect the ECM connector.





(b) Turn the ignition switch to ON.

(c) Measure the voltage according to the value(s) in the table below.

Standard Voltage:





Result:





(d) Reconnect the ECM connector.

C -- CHECK HARNESS AND CONNECTOR (IGNITION SWITCH ASSEMBLY - ECM)

B -- INSPECT IG2 RELAY
A -- Continue to next step.

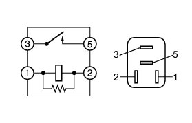
3. INSPECT EFI MAIN RELAY

(a) Remove the EFI MAIN relay from the engine room relay block.





(b) Measure the resistance according to the value(s) in the table below.

Standard Resistance:





(c) Reinstall the EFI MAIN relay.

NG -- REPLACE EFI MAIN RELAY
OK -- Continue to next step.

4. CHECK HARNESS AND CONNECTOR (EFI MAIN RELAY - ECM)

(a) Remove the EFI MAIN relay from the engine room relay block.

(b) Disconnect the ECM connector.

(c) Measure the resistance according to the value(s) in the table below.

Standard Resistance (Check for Open):





Standard Resistance (Check for Short):





(d) Reconnect the ECM connector.

(e) Reinstall the EFI MAIN relay.

NG -- REPAIR OR REPLACE HARNESS OR CONNECTOR
OK -- Continue to next step.

5. CHECK HARNESS AND CONNECTOR (EFI MAIN RELAY - BODY GROUND)

(a) Remove the EFI MAIN relay from the engine room relay block.

(b) Measure the resistance according to the value(s) in the table below.

Standard Resistance (Check for Open):





(c) Reinstall the EFI MAIN relay.

NG -- REPAIR OR REPLACE HARNESS OR CONNECTOR
OK -- Continue to next step.

6. CHECK HARNESS AND CONNECTOR (EFI MAIN RELAY - BATTERY)

(a) Disconnect the cable from the negative (-) battery terminal.

(b) Disconnect the cable from the positive (+) battery terminal.

(c) Remove the EFI MAIN relay from the engine room relay block.

(d) Measure the resistance according to the value(s) in the table below.

Standard Resistance (Check for Open):





Standard Resistance (Check for Short):





(e) Reinstall the EFI MAIN relay.

(f) Reconnect the cable to the positive (+) battery terminal.

(g) Reconnect the cable to the negative (-) battery terminal.

NG -- REPAIR OR REPLACE HARNESS OR CONNECTOR

OK -- PROCEED TO NEXT SUSPECTED AREA SHOWN IN PROBLEM SYMPTOMS TABLE Symptom Related Diagnostic Procedures

7. INSPECT IG2 RELAY

(a) Remove the IG2 relay from the engine room relay block.





(b) Measure the resistance according to the value(s) in the table below.

Standard Resistance:





(c) Reinstall the IG2 relay.

NG -- REPLACE IG2 RELAY
OK -- Continue to next step.

8. CHECK HARNESS AND CONNECTOR (ECM - IG2 RELAY)

(a) Remove the IG2 relay from the engine room relay block.

(b) Disconnect the ECM connector.

(c) Measure the resistance according to the value(s) in the table below.

Standard Resistance (Check for Open):





Standard Resistance (Check for Short):





(d) Reconnect the ECM connector.

(e) Reinstall the IG2 relay.

NG -- REPAIR OR REPLACE HARNESS OR CONNECTOR
OK -- Continue to next step.

9. CHECK HARNESS AND CONNECTOR (IG2 RELAY POWER SOURCE)

(a) Remove the IG2 relay from the engine room relay block.

(b) Measure the voltage according to the value(s) in the table below.

Standard Voltage:





(c) Reinstall the IG2 relay.

NG -- REPAIR OR REPLACE HARNESS OR CONNECTOR (BATTERY - IG2 RELAY)
OK -- Continue to next step.

10. CHECK HARNESS AND CONNECTOR (IG2 RELAY - BODY GROUND)

(a) Remove the IG2 relay from the engine room relay block.

(b) Measure the resistance according to the value(s) in the table below.

Standard Resistance (Check for Open):





(c) Reinstall the IG2 relay.

NG -- REPAIR OR REPLACE HARNESS OR CONNECTOR
OK -- Continue to next step.

11. CHECK HARNESS AND CONNECTOR (MAIN BODY ECU - IG2 RELAY)

(a) Disconnect the main body ECU connector.

(b) Remove the IG2 relay from the engine room relay block.

(c) Measure the resistance according to the value(s) in the table below.

Standard Resistance (Check for Open):





Standard Resistance (Check for Short):





(d) Reconnect the main body ECU connector.

(e) Reinstall the IG2 relay.

NG -- REPAIR OR REPLACE HARNESS OR CONNECTOR

OK -- CHECK SMART KEY SYSTEM Problem Symptoms Table

12. CHECK HARNESS AND CONNECTOR (IGNITION SWITCH ASSEMBLY - ECM)

(a) Disconnect the ignition switch assembly connector.

(b) Disconnect the ECM connector.

(c) Measure the resistance according to the value(s) in the table below.

Standard Resistance (Check for Open):





Standard Resistance (Check for Short):





(d) Reconnect the ECM connector.

(e) Reconnect the ignition switch assembly connector.

NG -- REPAIR OR REPLACE HARNESS OR CONNECTOR
OK -- Continue to next step.

13. INSPECT IGNITION SWITCH ASSEMBLY

(a) Inspect the ignition switch assembly Testing and Inspection.

NG -- REPLACE IGNITION SWITCH ASSEMBLY

OK -- REPAIR OR REPLACE HARNESS OR CONNECTOR (IGNITION SWITCH ASSEMBLY - BATTERY)