Curiosii for ever!: Car repair manuals for everyone.

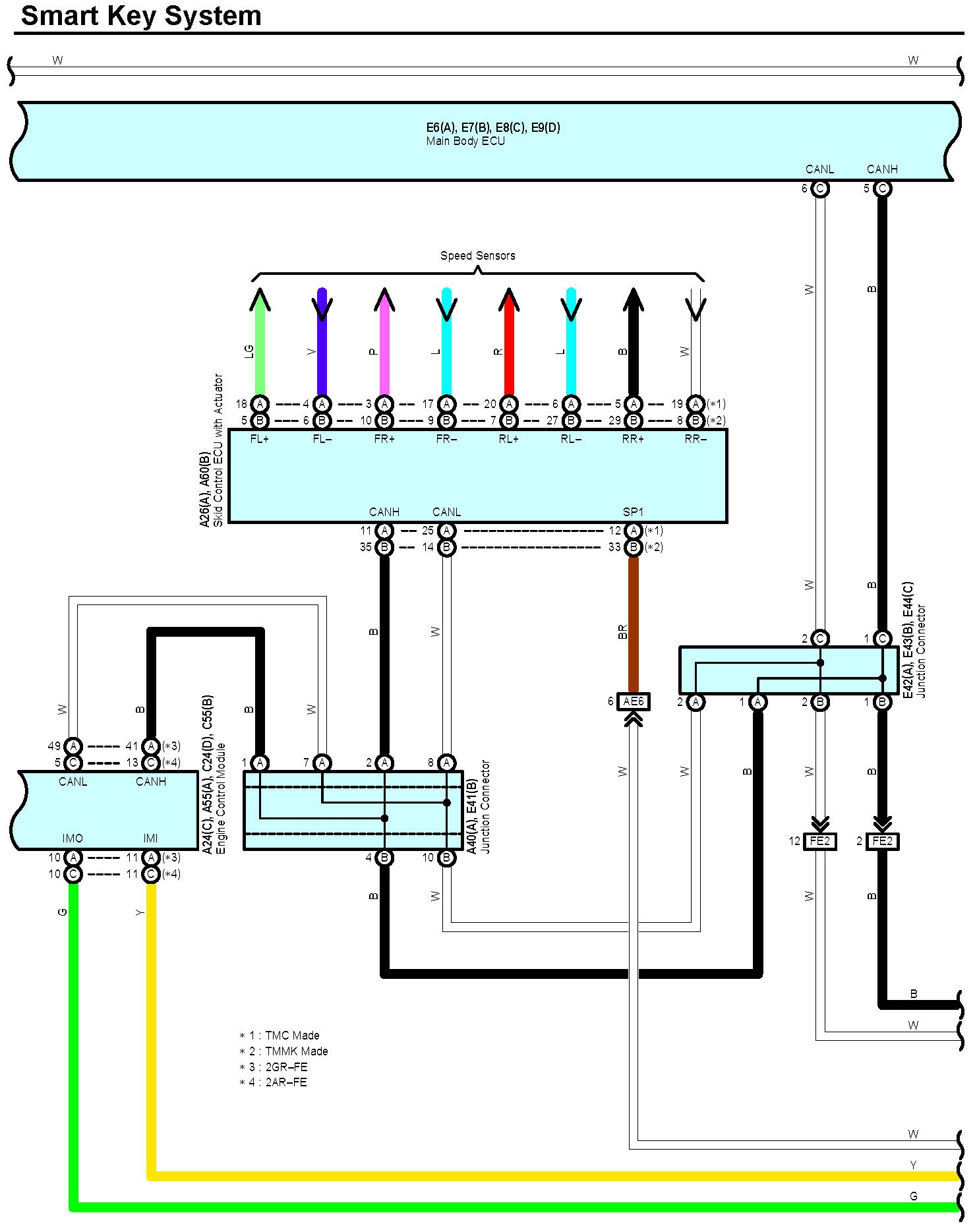
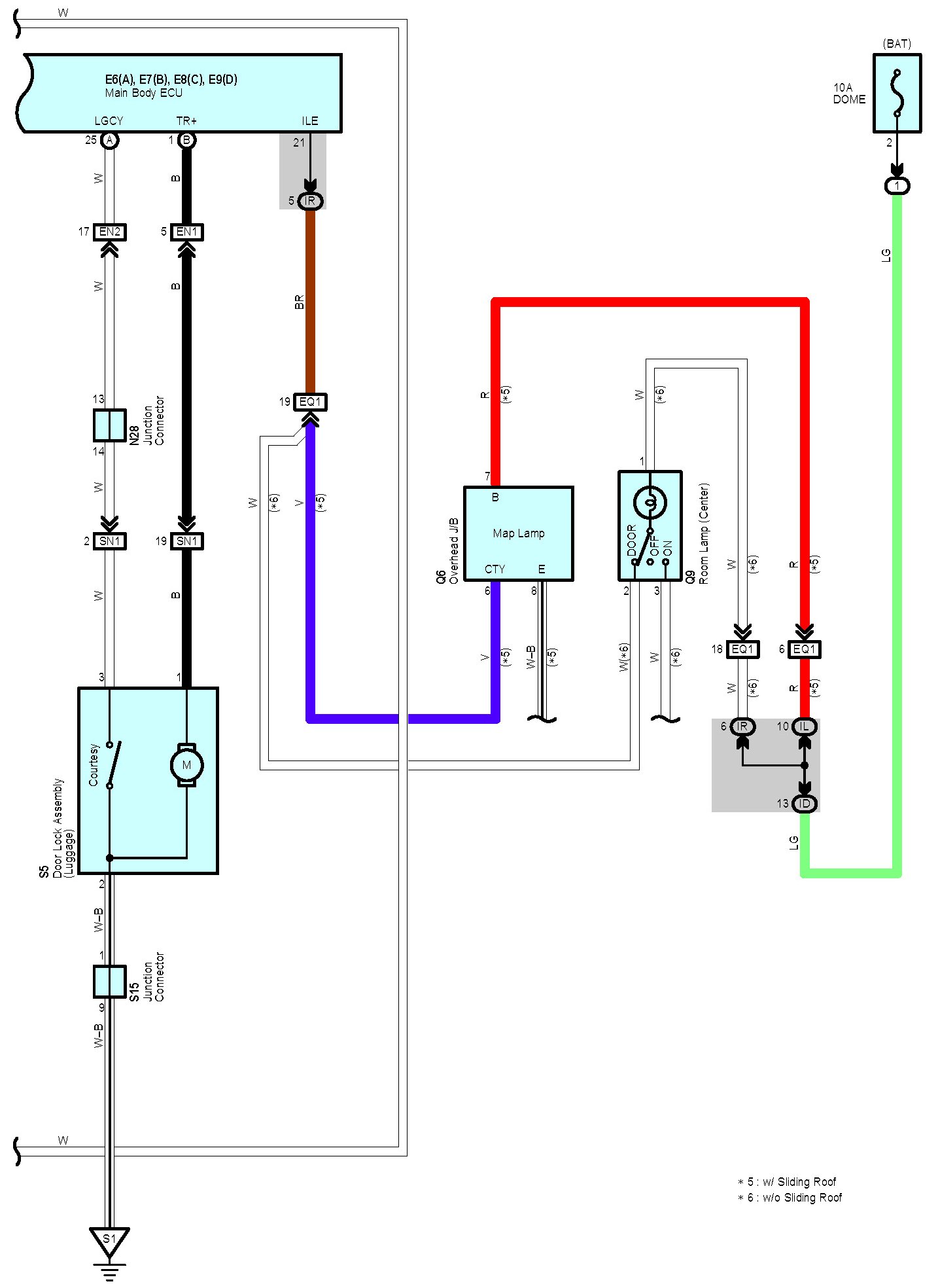
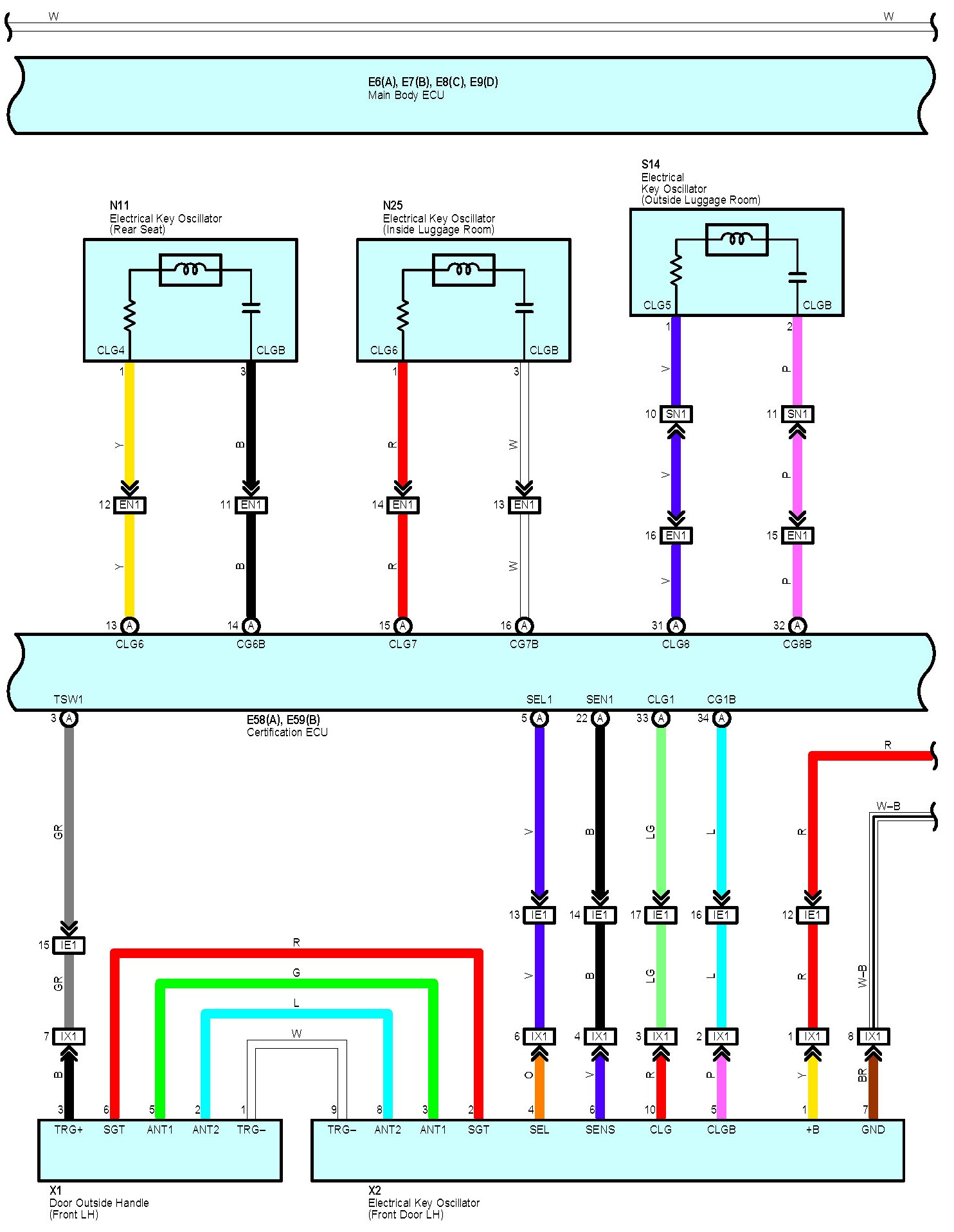
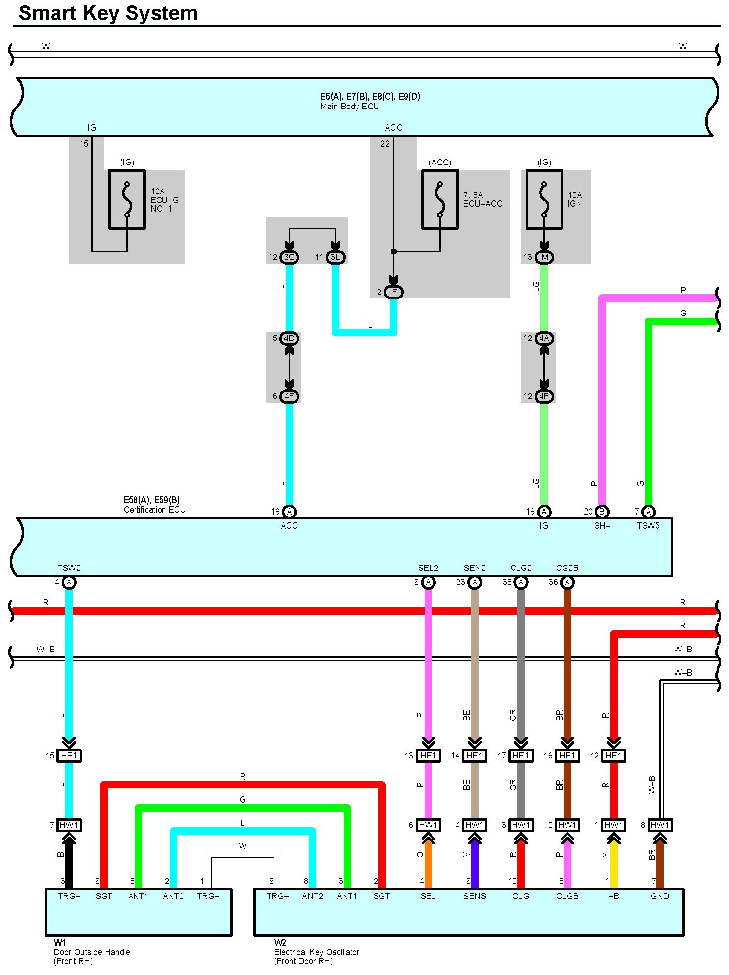
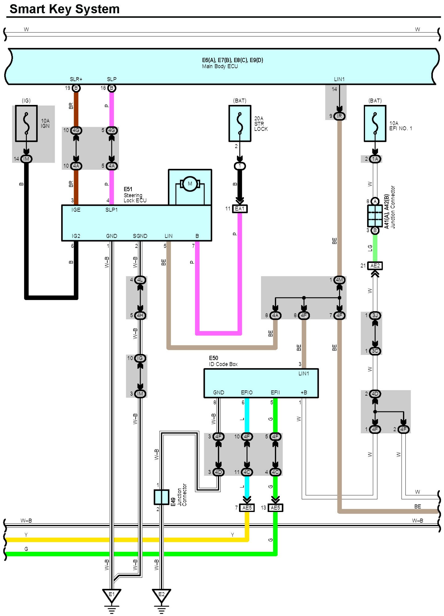
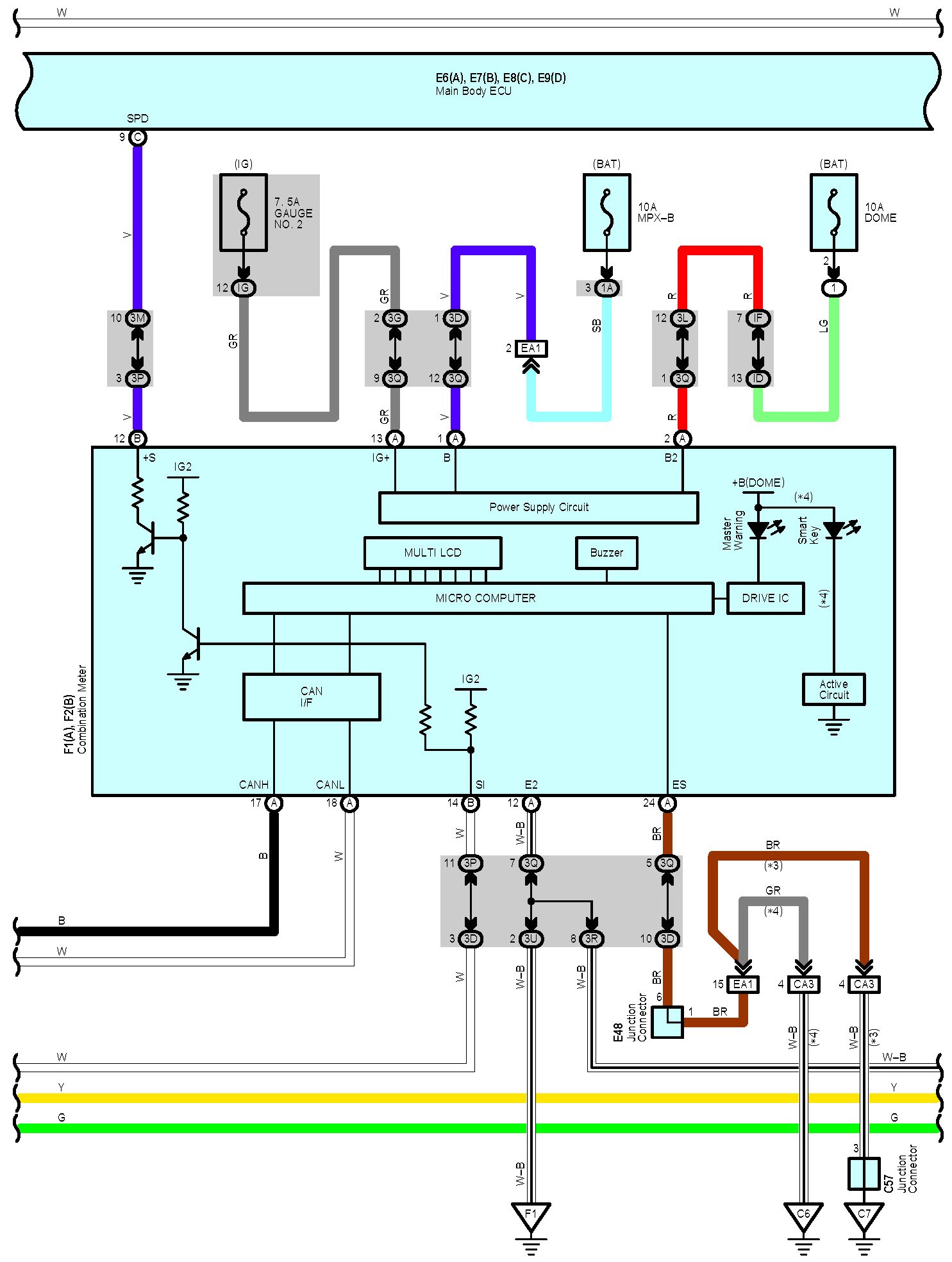
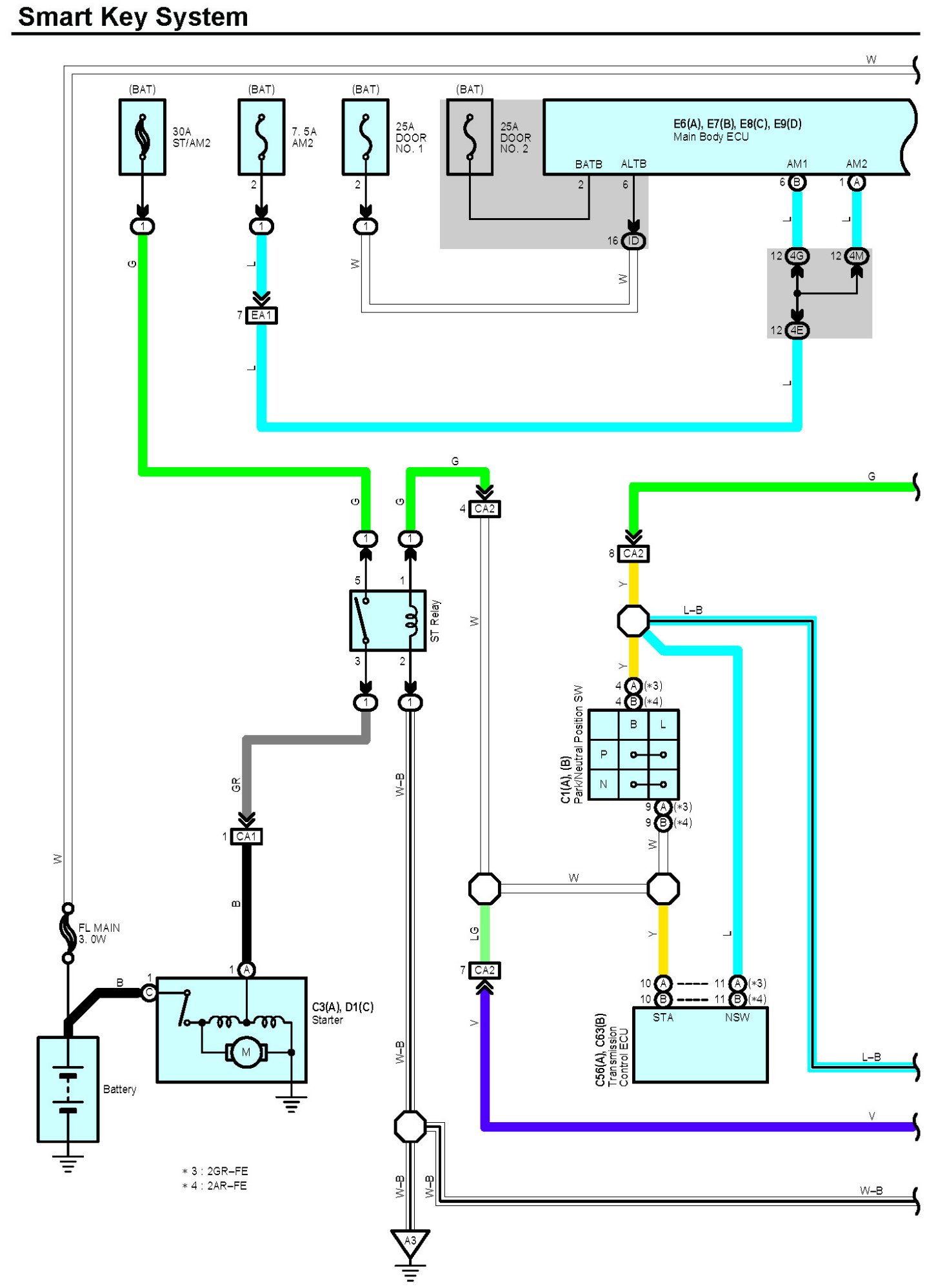
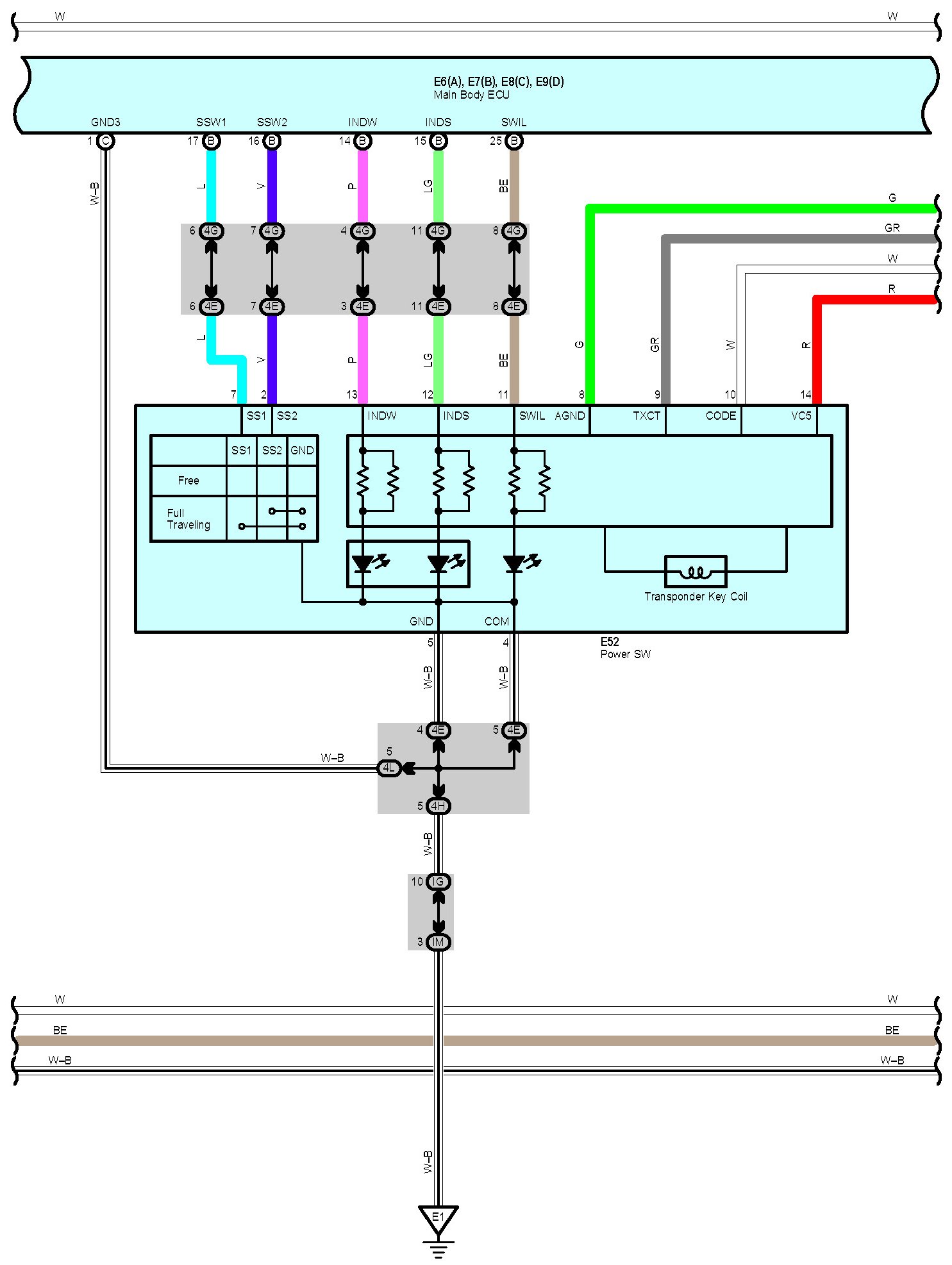
Smart Key System

Smart Key System Part 1:




Smart Key System Part 2:




Smart Key System Part 3:




Smart Key System Part 4:




Smart Key System Part 5:




Smart Key System Part 6:




Smart Key System Part 7:




Smart Key System Part 8:




Smart Key System Part 9:




Smart Key System Part 10:




Smart Key System Part 11:




Smart Key System Part 12:




Smart Key System Part 13:




Smart Key System Part 14:















Locations: The locations of components, connectors, ground points, and splices referred to within these diagrams can be found at Vehicle Locations. Locations

Connector Views: Diagrams of the connectors referred to within these diagrams can be found at Connector Views by Connector Number. Connector Views By Connector Number