Curiosii for ever!: Car repair manuals for everyone.

Air Intake Control Circuit (from 12/2010)





2GR-FE ENGINE CONTROL SYSTEM: SFI SYSTEM: Air Intake Control Circuit
- Air Intake Control Circuit

DESCRIPTION

The air cleaner is equipped with two inlets, one of which is opened or closed by the Air Intake Control Valve (AICV). This system reduces intake noise and increases engine power at low-to-high engine speeds range.

When the engine is operating in the low-to-mid speed range, this control operates the AICV to close one of the air cleaner inlets. When the engine speed is more than 3600 rpm and the opening angle of the throttle valve is more than 60°, the ECM activates the VSV and opens the AICV.





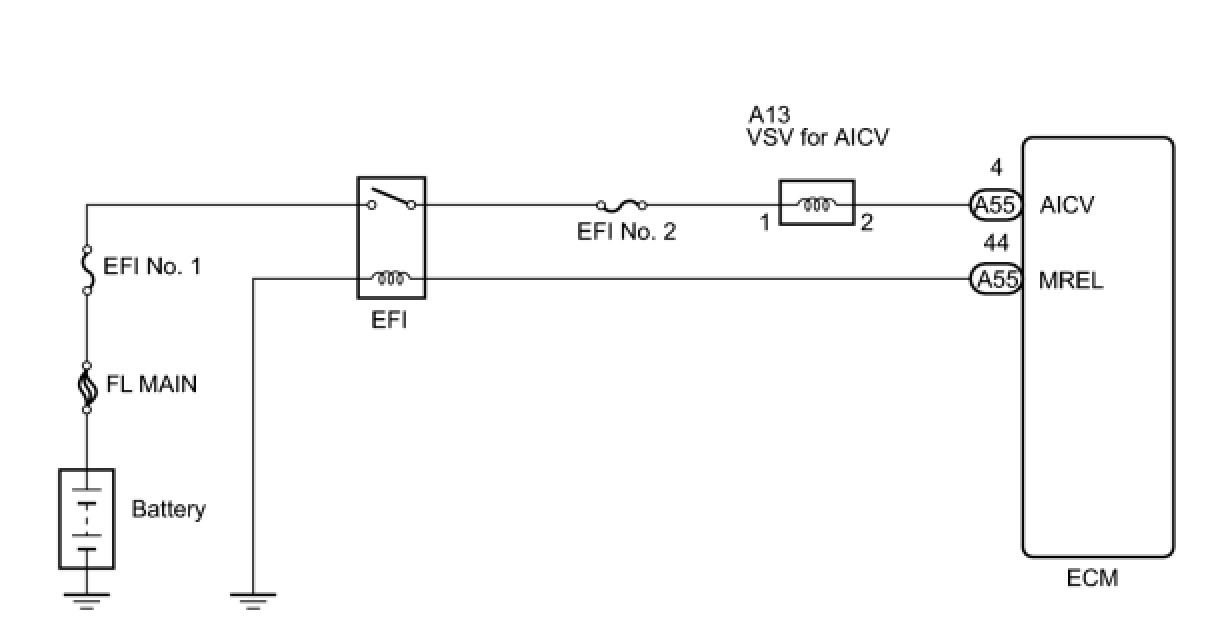
WIRING DIAGRAM





INSPECTION PROCEDURE

NOTICE:
Inspect the fuses for circuits related to this system before performing the following inspection procedure.

PROCEDURE

1. PERFORM ACTIVE TEST USING TECHSTREAM (ACTIVE THE VSV FOR AICS)

(a) Turn the ignition switch to ON and turn the Techstream on.





(b) Select the following menu items: Powertrain / Engine / Active Test / Activate the VSV for AICS.

(c) Check the operation of the VSV when the VSV is operated by Techstream.

OK:





NG -- CHECK VSV (FOR AICV)

OK -- PROCEED TO NEXT SUSPECTED AREA SHOWN IN PROBLEM SYMPTOMS TABLE

2. CHECK VSV (FOR AICV)

(a) Inspect the VSV for AICV Testing and Inspection.

NG -- REPLACE VSV (FOR AICV)
OK -- Continue to next step.

3. INSPECT TERMINAL VOLTAGE (VSV FOR AICV CONNECTOR)

(a) Disconnect the VSV for AICV connector.





(b) Turn the ignition switch to ON.

(c) Measure the voltage according to the value(s) on the table below.

Standard voltage:





(d) Reconnect the VSV for AICV connector.

NG -- REPAIR OR REPLACE HARNESS OR CONNECTOR (EFI NO. 2 FUSE - VSV FOR AICV)
OK -- Continue to next step.

4. CHECK HARNESS AND CONNECTOR (VSV FOR AICV - ECM)

(a) Check the wire harness between the VSV for AICV connector and the ECM connector.

(1) Disconnect the VSV for AICV connector.

(2) Disconnect the ECM connector.

(3) Measure the resistance between the terminals of the wire harness side connectors and body ground.

Standard resistance (Check for open):





Standard resistance (Check for short):





(4) Reconnect the VSV for AICV connector.

(5) Reconnect the ECM connector.

NG -- REPAIR OR REPLACE HARNESS OR CONNECTOR (VSV FOR AICV - ECM)
OK -- Continue to next step.

5. INSPECT VACUUM TANK

(a) Inspect the vacuum tank Inspection.

NG -- REPLACE AIR CLEANER ASSEMBLY

OK -- REPLACE ECM Removal (from 12/2010)