Curiosii for ever!: Car repair manuals for everyone.

ECM Communication Stop Mode





CAN COMMUNICATION: CAN COMMUNICATION SYSTEM: ECM Communication Stop Mode
- ECM Communication Stop Mode

DESCRIPTION





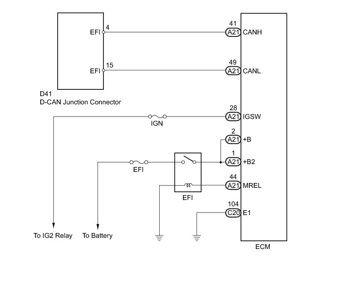
WIRING DIAGRAM





INSPECTION PROCEDURE

NOTICE:
* Turn the ignition switch OFF before measuring the resistances of the CAN main wire and the CAN branch wire.
* After the ignition switch is turned off, check that the key reminder warning system and light reminder warning system are not in operation.
* Before measuring the resistance, leave the vehicle as is for at least 1 minute and do not operate the ignition switch, any other switches or the doors. If doors need to be opened in order to check connectors, open the doors and leave them open.
* Inspect the fuses for circuits related to this system before performing the following inspection procedure.
HINT
* Operating the ignition switch, any switches or any doors triggers related ECU and sensor communication with the CAN, which causes resistance variation.
PROCEDURE

1. CHECK CAN BUS LINE FOR DISCONNECTION (ECM MAIN WIRE)

(a) Turn the ignition switch off.





(b) Disconnect the A21 ECM connector.

(c) Measure the resistance according to the value(s) in the table below.

Standard Resistance:





Text in Illustration

Text in Illustration:





NG -- REPAIR OR REPLACE CAN MAIN WIRE CONNECTED TO ECM (CAN-H, CANL)
OK -- Continue to next step.

2. INSPECT ECM POWER SOURCE CIRCUIT

(a) Inspect the power source circuit Component Tests and General Diagnostics.

NG -- GO TO POWER SOURCE CIRCUIT

OK -- REPLACE ECM Removal