Curiosii for ever!: Car repair manuals for everyone.

Oxygen Sensor Relay: Testing and Inspection





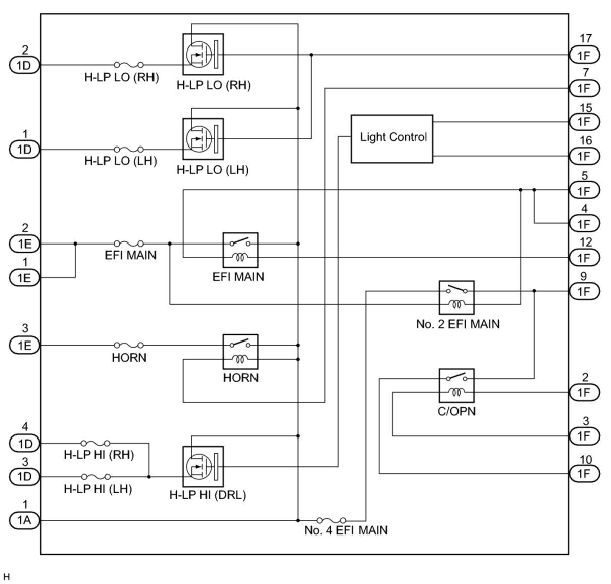
POWER DISTRIBUTION: INTEGRATION RELAY: INSPECTION

1. INSPECT INTEGRATION RELAY

(a) Inner circuit (for 2GR-FE)





(1) for EFI MAIN relay

1 Measure the resistance according to the value(s) in the table below.





Standard Resistance:





Text in Illustration:





HINT
If the result is not as specified, replace the integration relay.

(2) for A/F relay

1 Measure the resistance according to the value(s) in the table below.





Standard Resistance:





Text in Illustration:





HINT
If the result is not as specified, replace the integration relay.

(3) for F/PMP relay (for AWD)

1 Measure the resistance according to the value(s) in the table below.





Standard Resistance:





Text in Illustration:





HINT
If the result is not as specified, replace the integration relay.

(4) for C/OPN relay

1 Measure the resistance according to the value(s) in the table below.





Standard Resistance:





Text in Illustration:





HINT
If the result is not as specified, replace the integration relay.

(5) for HORN relay

1 Measure the voltage according to the value(s) in the table below.





Standard Voltage:





Text in Illustration:





HINT
If the result is not as specified, replace the integration relay.

(6) for H-LP LO (LH) relay

1 Measure the voltage according to the value(s) in the table below.





Standard Voltage:





Text in Illustration:





HINT
If the result is not as specified, replace the integration relay.

(7) for H-LP LO (RH) relay

1 Measure the voltage according to the value(s) in the table below.





Standard Voltage:





Text in Illustration:





HINT
If the result is not as specified, replace the integration relay.

(8) for H-LP HI (DRL) relay

1 for Halogen headlight

1 Measure the voltage according to the value(s) in the table below.





Standard Voltage:





1 for HID headlight

1 Measure the voltage according to the value(s) in the table below.

Standard Voltage:





Text in Illustration:





HINT
If the result is not as specified, replace the integration relay.

(b) Inner circuit (for 1AR-FE)





(1) for No. 2 EFI MAIN relay

1 Measure the resistance according to the value(s) in the table below.





Standard Resistance:





Text in Illustration:





HINT
If the result is not as specified, replace the integration relay.

(2) for EFI MAIN relay

1 Measure the resistance according to the value(s) in the table below.





Standard Resistance:





Text in Illustration:





HINT
If the result is not as specified, replace the integration relay.

(3) for C/OPN relay

1 Measure the resistance according to the value(s) in the table below.





Standard Resistance:





Text in Illustration:





HINT
If the result is not as specified, replace the integration relay.

(4) for HORN relay

1 Measure the voltage according to the value(s) in the table below.





Standard Voltage:





Text in Illustration:





HINT
If the result is not as specified, replace the integration relay.

(5) for H-LP LO (LH) relay

1 Measure the voltage according to the value(s) in the table below.





Standard Voltage:





Text in Illustration:





HINT
If the result is not as specified, replace the integration relay.

(6) for H-LP LO (RH) relay

1 Measure the voltage according to the value(s) in the table below.





Standard Voltage:





Text in Illustration:





HINT
If the result is not as specified, replace the integration relay.

(7) for H-LP HI (DRL) relay

1 for Halogen headlight

1 Measure the voltage according to the value(s) in the table below.





Standard Voltage:





1 for HID headlight

1 Measure the voltage according to the value(s) in the table below.

Standard Voltage:





Text in Illustration:





HINT
If the result is not as specified, replace the integration relay.