Power Source Mode does not Change to ON (IG and ACC)
THEFT DETERRENT / KEYLESS ENTRY: SMART KEY SYSTEM (for Start Function): Power Source Mode does not Change to ON (IG and ACC)
- Power Source Mode does not Change to ON (IG and ACC)
DESCRIPTION
When the power switch is pushed with the electrical key in the cabin, the power management control ECU receives signals to change the power source mode.
HINT
To allow use of the Techstream to inspect the push-button start function when the power source mode is off, repeat opening and closing any of the doors. Opening and closing a door establishes communication between the Techstream and the power management control ECU. (Opening and closing a door can also be simulated by operating a door courtesy light switch.)
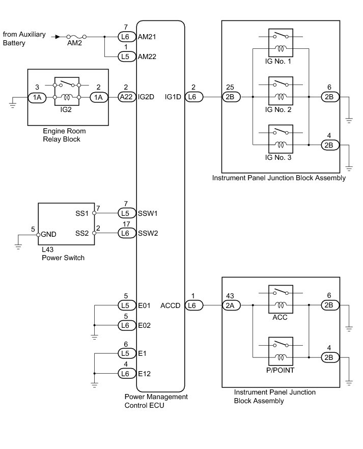
WIRING DIAGRAM
INSPECTION PROCEDURE
PROCEDURE
1. CHECK HARNESS AND CONNECTOR (AUXILIARY BATTERY - POWER MANAGEMENT CONTROL ECU) B2271
NG -- REPAIR OR REPLACE HARNESS OR CONNECTOR (AUXILIARY BATTERY - POWER MANAGEMENT CONTROL ECU)
OK -- Continue to next step.
2. CHECK HARNESS AND CONNECTOR (POWER MANAGEMENT CONTROL ECU - BODY GROUND) B2271
NG -- REPAIR OR REPLACE HARNESS OR CONNECTOR (POWER MANAGEMENT CONTROL ECU - BODY GROUND)
OK -- Continue to next step.
3. READ VALUE USING TECHSTREAM
(a) Reconnect the L5 and L6 connectors to the power management control ECU.
(b) Turn the power switch off.
(c) Connect the Techstream to the DLC3.
(d) Turn the power switch on (IG).
(e) Turn the Techstream on.
(f) Enter the following menus: Body Electrical / Power Source Control / Data List.
(g) Read the Data List according to the display on the Techstream.
Power Source Control
OK:
When more than 1 second elapses after the power switch is turned from off to on (IG), No is displayed in the Data List.
NG -- CHECK FOR DTC
OK -- Continue to next step.
4. READ VALUE USING TECHSTREAM
(a) Read the Data List according to the display on the Techstream.
Power Source Control
OK:
ON (power switch is pushed) and OFF (power switch is not pushed) appear on the screen.
NG -- CHECK POWER SWITCH
OK -- Continue to next step.
5. CHECK POWER MANAGEMENT CONTROL ECU
(a) Read the Data List according to the display on the Techstream.
Power Source Control
(b) Measure the voltage while checking the Data List on the Techstream.
Standard Voltage:
NG -- REPLACE POWER MANAGEMENT CONTROL ECU Removal
OK -- Continue to next step.
6. CONFIRMATION TEST
(a) Check that the power source mode becomes on (ACC) and on (IG) when the power switch is operated.
OK:
Power source mode becomes on (ACC) and on (IG) when the power switch is operated.
NG -- CHECK RELAY CONTACT SIDE CIRCUIT
OK -- USE SIMULATION METHOD TO CHECK How To Proceed With Troubleshooting
7. CHECK POWER SWITCH
(a) Remove the power switch Keyless Starting System.
(b) Measure the resistance according to the value(s) in the table below.
Standard Resistance:
Text in Illustration
NG -- REPLACE POWER SWITCH Keyless Starting System
OK -- Continue to next step.
8. CHECK HARNESS AND CONNECTOR (POWER SWITCH - POWER MANAGEMENT CONTROL ECU AND BODY GROUND)
(a) Disconnect the L5 and L6 connectors from the power management control ECU.
(b) Measure the resistance according to the value(s) in the table below.
Standard Resistance:
NG -- REPAIR OR REPLACE HARNESS OR CONNECTOR (POWER SWITCH - POWER MANAGEMENT CONTROL ECU OR BODY GROUND)
OK -- REPLACE POWER MANAGEMENT CONTROL ECU Removal
9. CHECK FOR DTC
(a) Enter the following menus: Body Electrical / Power Source Control and Smart Key / DTC.
(b) Check for DTCs.
Result:
B -- GO TO OTHER FLOW CHART (DTC B2287)
A -- GO TO OTHER FLOW CHART (Room Oscillator does not Recognize Key) Testing and Inspection
C -- GO TO DIAGNOSTIC TROUBLE CODE CHART