Curiosii for ever!: Car repair manuals for everyone.

Part 4





U250E AUTOMATIC TRANSMISSION / TRANSAXLE: AUTOMATIC TRANSAXLE UNIT: REASSEMBLY - (Continued)

59. INSTALL CYLINDRICAL ROLLER BEARING RACE INNER

(a) Using a press, press in the cylindrical roller bearing race inner.





SST : 09515-21010

SST : 09950-60010

09951-00260

SST : 09950-70010

09951-07100

NOTICE:
Rotate the counter driven gear while pressing.

60. INSTALL FRONT PLANETARY GEAR NUT

(a) Clamp the underdrive planetary gear in a soft jaw vise.





NOTICE:
Be careful not to damage the differential drive pinion.

(b) Using a socket wrench, install a new gear nut.

Torque : 280 Nm (2855 kgf-cm, 207 ft-lbf)

HINT
Use a torque wrench with a fulcrum length of 750 mm (29.53 in.).

(c) Using a chisel and hammer, stake the gear nut.





CAUTION:
Be sure that there are no cracks on the nut.

61. INSTALL UNDERDRIVE PLANETARY GEAR ASSEMBLY

(a) Install the underdrive planetary gear assembly to the transaxle case.





NOTICE:
Firmly engage all the discs of the underdrive clutch with the hub splines of the underdrive planetary gear assembly.

(b) Install the parking lock pawl shaft.





(c) Install the pawl shaft clamp with the bolt.





Torque : 9.8 Nm (100 kgf-cm, 87 in-lbf)

(d) Using a straightedge and a vernier caliper as shown in the illustration, measure the gap between the top of the differential drive pinion in the underdrive planetary gear and contact surface of the transaxle case and housing (Dimension E).





NOTICE:
Take a note of dimension E because it is necessary for the following process.

(e) As shown in the illustration, measure the 2 places of the transaxle housing, and calculate dimension F using the following formula:





NOTICE:
Take a note of dimension F because it is necessary for the following process.

HINT
Dimension F = Dimension (1) - Dimension (2)

62. INSTALL MULTIPLE DISC CLUTCH HUB

(a) Install the No. 1 thrust bearing race to the transaxle case in the correct direction.





Bearing Race Diameter:





(b) Coat the thrust needle roller bearing and race with ATF, and install them onto the multiple disc clutch hub.





Thrust Bearing Diameter:





(c) Coat the needle roller bearing with ATF.

(d) Install the needle roller bearing to the multiple disc clutch hub.





Bearing Diameter:





(e) Install the multiple disc clutch hub to the transaxle case.

63. INSTALL INPUT SHAFT OIL SEAL RING

(a) Compress a new input shaft oil seal ring from both sides to adjust dimension A.





Dimension A:

5 mm (0.197 in.)

(b) Coat the oil seal ring with ATF and install it to the input shaft.

NOTICE:
Do not expand the gap of the oil seal ring excessively. Securely engage the hooks.

64. INSTALL FORWARD CLUTCH PISTON SUB-ASSEMBLY

(a) Coat the forward clutch piston with ATF, and install it to the input shaft.





NOTICE:
Be careful not to damage the lip seal of the forward clutch piston.

65. INSTALL FORWARD CLUTCH RETURN SPRING SUB-ASSEMBLY

(a) Install the return spring to the input shaft.





NOTICE:
After installing the spring sub-assembly, check that all of the springs are fitted to the piston correctly.

(b) Coat the clutch balancer with ATF.

(c) Install the clutch balancer to the input shaft.





NOTICE:
* Be careful not to damage the lip seal of the forward clutch balancer.
* Install the clutch balancer carefully not to pinch or damage at the sealing lip.
* Apply sufficient ATF to the sealing lip prior to installation.
(d) Place SST on the clutch balancer, and compress the clutch balancer with a press.





SST : 09387-00020

(e) Install the snap ring with a snap ring expander.

NOTICE:
* Stop the press when the spring seat is lowered 1 to 2 mm (0.0393 to 0.0787 in.) from the snap ring groove. This prevents the spring seat from being deformed.
* Do not expand the snap ring excessively.
(f) Position the end gap of the snap ring in the piston as shown in the illustration.





NOTICE:
The end gap of the snap ring should not be aligned with any of the stoppers.

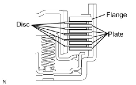
66. INSTALL FORWARD MULTIPLE DISC CLUTCH DISC

(a) Coat the 5 discs with ATF.

(b) Install the 5 plates, 5 discs, and flange to the input shaft.





NOTICE:
Ensure that the discs, plates, and flange are in the correct order.

(c) Using a screwdriver, install the snap ring.





(d) Check that the end gap of the snap ring is not aligned with one of the cutouts.

NOTICE:
The snap ring should be securely engaged in the groove of the drum.

67. INSPECT PACK CLEARANCE OF FORWARD CLUTCH Transaxle Unit

68. INSPECT FORWARD MULTIPLE DISC CLUTCH DISC Transaxle Unit

69. INSTALL FORWARD CLUTCH ASSEMBLY

(a) Coat the thrust needle roller bearing with ATF.





(b) Install the thrust needle roller bearing to the forward clutch assembly.





NOTICE:
Confirm that the thrust bearing is installed properly with the uncolored race visible.

(c) Install the forward clutch assembly to the multiple clutch hub assembly.





NOTICE:
* Align the splines of all discs in the forward clutch with those of the multiple clutch hub to assemble them securely.
* Be careful not to damage the bushing inside the multiple clutch hub during installation.
70. INSTALL OVERDRIVE BRAKE GASKET

(a) Install 2 new overdrive brake gaskets.





71. INSTALL DIFFERENTIAL GEAR ASSEMBLY

(a) Install the differential gear assembly to the transaxle case.





72. INSTALL NO. 2 THRUST BEARING UNDERDRIVE RACE

(a) Install the No. 2 thrust bearing underdrive race to the underdrive planetary gear assembly.