Curiosii for ever!: Car repair manuals for everyone.

Navigation System

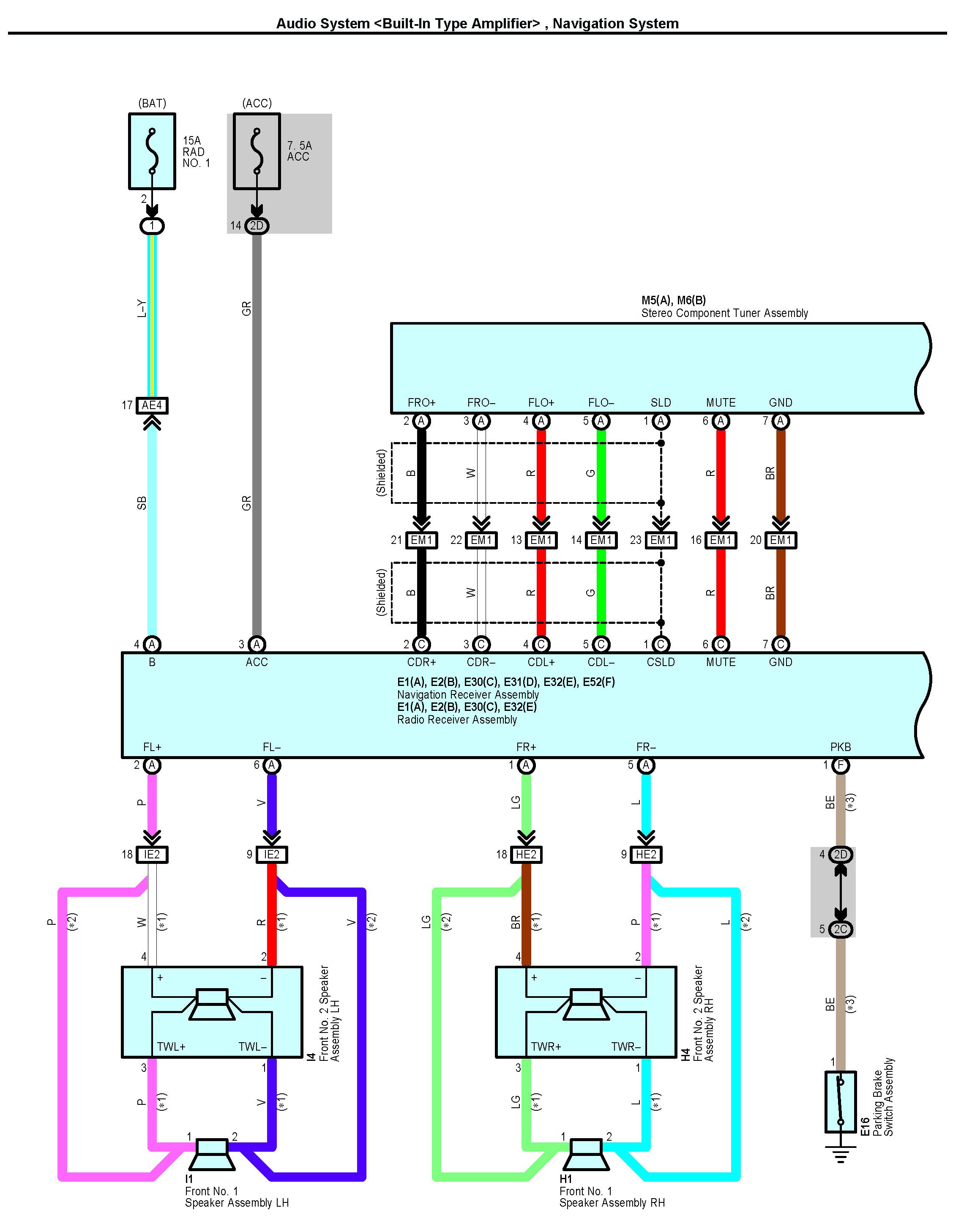
Audio System [Built-In Type Amplifier], Navigation System Part 1:




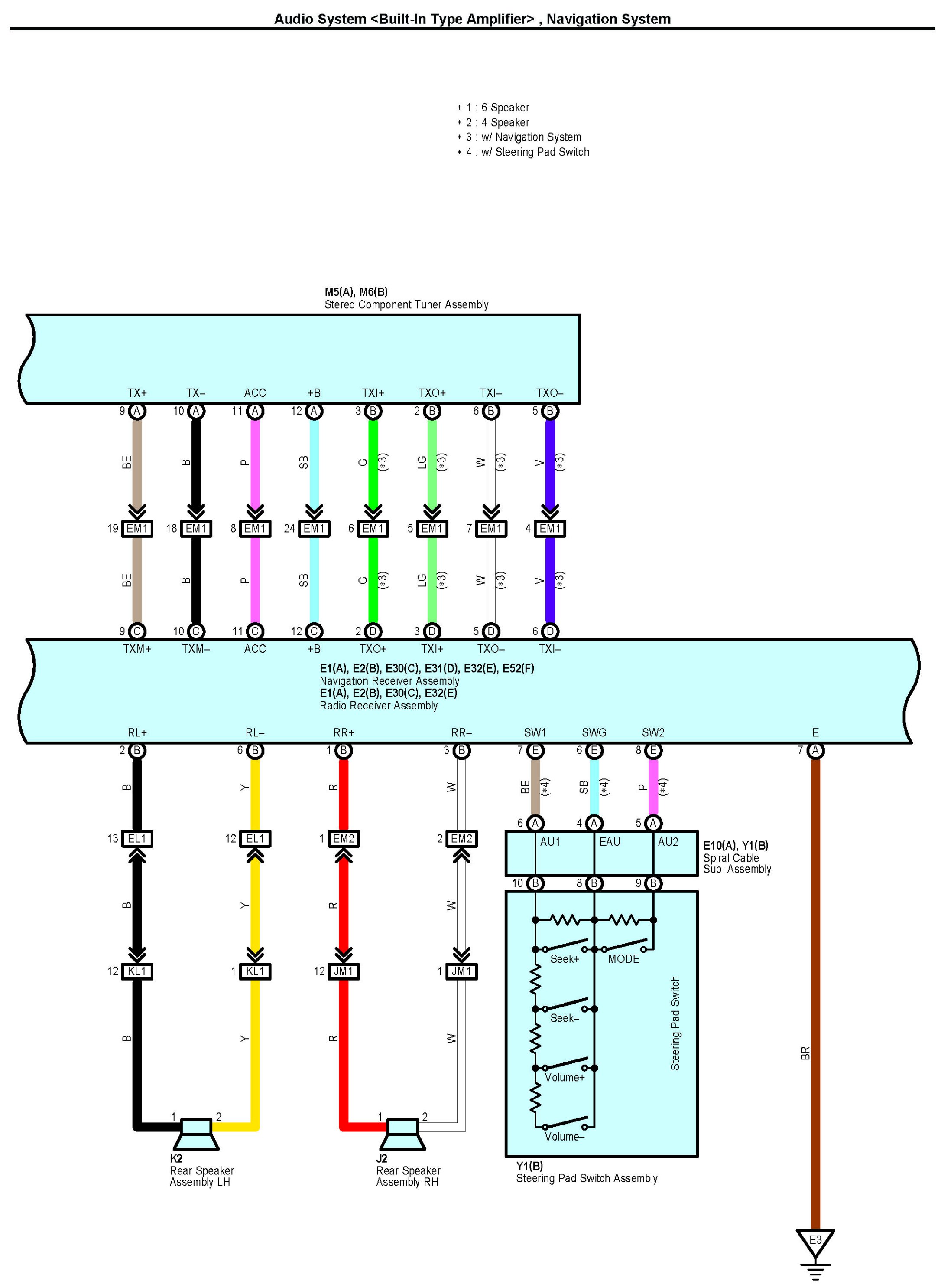
Audio System [Built-In Type Amplifier], Navigation System Part 2:




Audio System [Built-In Type Amplifier], Navigation System Part 3:




Audio System [Built-In Type Amplifier], Navigation System Part 4:




Connectors Part 1:




Connectors Part 2:




Connectors Part 3:




Connectors Part 4:






Locations: The locations of components, connectors, ground points, and splices referred to within these diagrams can be found at Vehicle Locations. Locations