Curiosii for ever!: Car repair manuals for everyone.

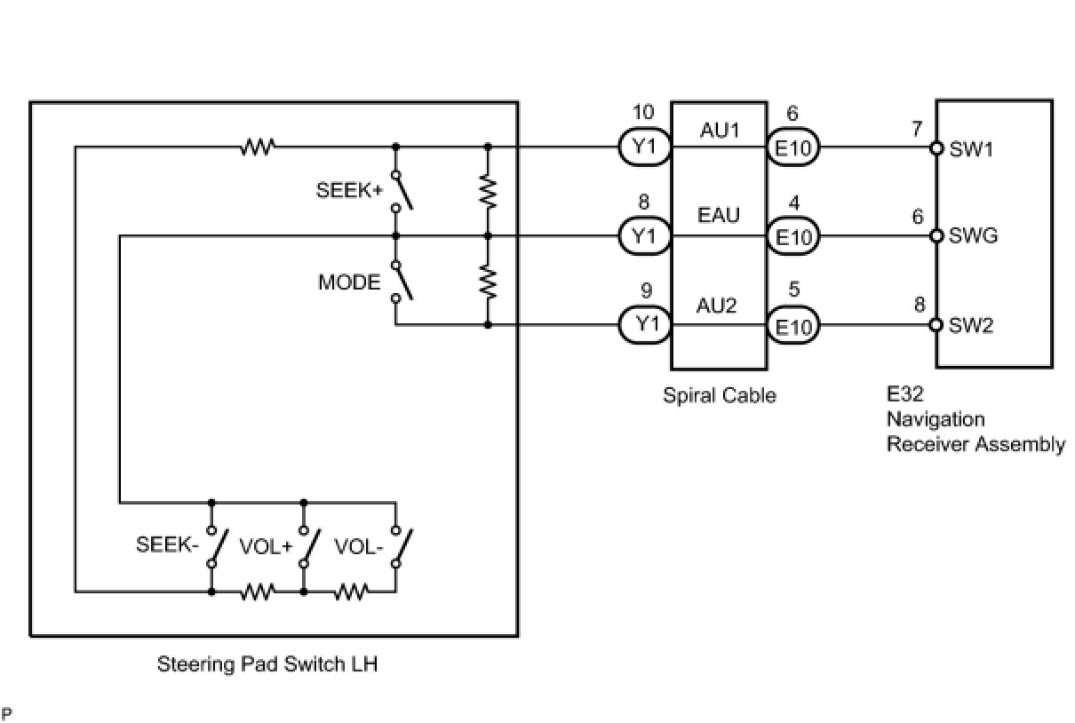
Steering Pad Switch Circuit





NAVIGATION / MULTI INFO DISPLAY: NAVIGATION SYSTEM: Steering Pad Switch Circuit
- Steering Pad Switch Circuit

DESCRIPTION

This circuit sends an operation signal from the steering pad switch to the navigation receiver assembly.

If there is an open in the circuit, the navigation system cannot be operated using the steering pad switch.

If there is a short in the circuit, the resulting condition is the same as that when the switch is continuously pressed. Therefore, the navigation receiver assembly cannot be operated using the steering pad switch, and the navigation receiver assembly itself cannot function.

WIRING DIAGRAM





INSPECTION PROCEDURE

NOTICE:
The vehicle is equipped with an SRS (Supplemental Restraint System). Before servicing (including removal or installation of parts), be sure to read the precautionary notices for the Supplemental Restraint System Service Precautions.

PROCEDURE

1. INSPECT NAVIGATION RECEIVER ASSEMBLY

(a) Disconnect the navigation receiver assembly connector.





(b) Measure the resistance according to the value(s) in the table below.

Standard Resistance:





NG -- INSPECT SPIRAL CABLE

OK -- PROCEED TO NEXT CIRCUIT INSPECTION SHOWN IN PROBLEM SYMPTOMS TABLE Symptom Related Diagnostic Procedures

2. INSPECT SPIRAL CABLE

(a) Disconnect the steering pad switch assembly and spiral cable connectors.





(b) Measure the resistance according to the value(s) in the table below.

Standard Resistance:





NOTICE:
The spiral cable is an important part of the SRS airbag system. Incorrect removal or installation of the spiral cable may prevent the airbag from deploying. Be sure to read the page shown in the brackets.

HINT
* Removal Removal
* Installation Installation

NG -- REPLACE SPIRAL CABLE Removal
OK -- Continue to next step.

3. INSPECT STEERING PAD SWITCH ASSEMBLY

(a) Disconnect the steering pad switch assembly connector.





(b) Measure the resistance according to the value(s) in the table below.

Standard Resistance:





NG -- REPLACE STEERING PAD SWITCH ASSEMBLY Removal

OK -- REPAIR OR REPLACE HARNESS OR CONNECTOR (NAVIGATION RECEIVER ASSEMBLY - SPIRAL CABLE)