Curiosii for ever!: Car repair manuals for everyone.

Part 1





C59 MANUAL TRANSMISSION / TRANSAXLE: MANUAL TRANSAXLE UNIT: REASSEMBLY

1. INSTALL OUTPUT SHAFT COVER

(a) Coat the output shaft cover with MP grease and install it onto the transaxle case.





NOTICE:
Insert the output shaft cover key into the case groove.

2. INSTALL OUTPUT SHAFT FRONT BEARING

(a) Coat a new output shaft front bearing with gear oil.





(b) Using SST and a press, install it onto the transaxle case.

SST : 09950-60010

09951-00550

SST : 09950-70010

09951-07150

NOTICE:
* Install the new bearing in the correct direction as shown in the illustration.
* When replacing the output shaft front bearing, replace the output shaft front bearing inner race at the same time.
3. INSTALL FRONT TRANSAXLE CASE OIL SEAL

(a) Using SST and a hammer, install a new front transaxle case oil seal onto the transaxle case.





SST : 09950-60010

09951-00370

SST : 09950-70010

09951-07150

Driven in depth:

15.6 to 16.0 mm (0.6141 to 0.6299 in.)

(b) Coat the lip of the front transaxle case oil seal with MP grease.

4. INSTALL INPUT SHAFT FRONT BEARING

(a) Coat a new input shaft front bearing with gear oil, and using SST and a press, install it onto the transaxle case.





SST : 09950-60010

09951-00420

SST : 09950-70010

09951-07150

Driven in depth:

0 to 0.3 mm (0 to 0.0118 in.)

5. INSTALL SHIFT AND SELECT LEVER SHAFT SLIDE BALL BEARING

(a) Using SST and a hammer, install a new shift and select lever shaft slide ball bearing onto the manual transmission case.





SST : 09950-60010

09951-00220

SST : 09950-70010

09951-07100

Driven in depth:

0 to 0.5 mm (0 to 0.0197 in.)

6. INSTALL SHIFT AND SELECT LEVER SHAFT OIL SEAL

(a) Using SST, install a new shift and select lever shaft oil seal onto the manual transmission case.





SST : 09950-70010

09951-07150

SST : 09950-60010

09951-00240

Driven in depth:

9.7 to 10.3 mm (0.382 to 0.406 in.)

7. INSTALL FRONT DIFFERENTIAL CASE FRONT TAPERED ROLLER BEARING

(a) Using SST and a press, install a new front differential case front tapered roller bearing (inner race) onto the front differential case.





SST : 09350-32014

09351-32120

SST : 09950-60010

09951-00530

(b) Using SST and a press, install the front differential case front tapered roller bearing (outer race) together with the plate washer onto the transaxle case.





SST : 09950-60020

09951-00680

SST : 09950-70010

09951-07150

8. INSTALL FRONT DIFFERENTIAL CASE REAR TAPERED ROLLER BEARING

(a) Using SST and a press, install a new front differential case rear tapered roller bearing (inner race) to the differential case.





SST : 09350-32014

09351-32120

SST : 09950-60010

09951-00530

(b) Using SST and a press, install the front differential case rear tapered roller bearing (outer race) with the plate washer onto the manual transmission case.





SST : 09309-36010

SST : 09950-60020

09951-00710

SST : 09950-70010

09951-07150

HINT
Use a plate washer of the same thickness as the removed one.

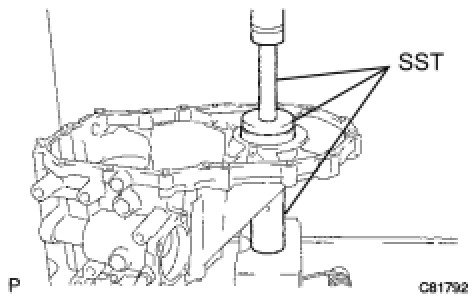
9. ADJUST DIFFERENTIAL SIDE BEARING PRELOAD

(a) Coat the differential case assembly with gear oil and install it onto the transaxle case.





(b) Install the manual transmission case with the 16 bolts.

Torque : 29 Nm (300 kgf-cm, 22 ft-lbf)

(c) Using SST and a torque wrench, turn the differential case assembly clockwise and counterclockwise 2 or 3 times to allow the bearings to settle.





SST : 09564-32011

(d) Using SST and a torque wrench, measure the preload.





SST : 09564-32011

Preload (at starting):

New bearing
0.78 to 1.57 N*m (7.95 to 16.0 kgf*cm, 6.9 to 13.89 in.*lbf)

Used bearing
0.49 to 0.98 N*m (5.0 to 10.0 kgf*cm, 4.34 to 8.67 in.*lbf)

(e) If the preload is out of specification, select a different plate washer.

Plate Washer Thickness:





HINT
The preload changes by approximately 0.3 to 0.4 N*m (3 to 4 kgf*cm, 2.6 to 3.5 in.*lbf) per each 0.05 mm (0.00197 in.) change in the plate washer thickness.

(f) Remove the 16 bolts and the manual transmission case.

(g) Remove the differential case assembly from the transaxle case.

10. INSTALL TRANSMISSION CASE OIL SEAL

(a) Using SST and a hammer, install a new transmission case oil seal onto the manual transmission case.





SST : 09316-60011

09316-00011

Driven in depth:

9.6 to 10.2 mm (0.378 to 0.402 in.)

(b) Coat the lip of the front transmission case oil seal with MP grease.

11. INSTALL TRANSAXLE CASE OIL SEAL

(a) Using SST and a hammer, install a new transaxle case oil seal onto the transaxle case.





SST : 09710-20011

09710-06071

SST : 09950-70010

09951-07150

Driven in depth:

1.6 to 2.2 mm (0.0630 to 0.0866 in.)

(b) Coat the lip of the transaxle case oil seal with MP grease.

12. INSTALL TRANSMISSION MAGNET

(a) Clean the transmission magnet and install it onto the transaxle case.





13. INSTALL BEARING LOCK PLATE

(a) Install the bearing lock plate onto the transaxle case with the bolt.





Torque : 11 Nm (115 kgf-cm, 8 ft-lbf)

14. INSTALL NO. 1 OIL RECEIVER PIPE

(a) Install the No. 1 oil receiver pipe onto the manual transmission case with the bolt.





Torque : 17 Nm (175 kgf-cm, 13 ft-lbf)

NOTICE:
* Do not deform the No. 1 oil receiver pipe.
* Install the No. 1 oil receiver pipe while holding it against the manual transmission case as shown in the illustration.
15. INSTALL NO. 2 OIL RECEIVER PIPE

(a) Install the No. 2 oil receiver pipe onto the manual transmission case with the bolt.





Torque : 17 Nm (175 kgf-cm, 13 ft-lbf)

NOTICE:
* Do not deform the No. 2 oil receiver pipe.
* Install the No. 2 oil receiver pipe while holding it against the manual transmission case as shown in the illustration.
16. INSTALL REVERSE RESTRICT PIN ASSEMBLY

(a) Install the reverse restrict pin assembly onto the manual transmission case.





NOTICE:
Set the reverse restrict pin assembly in the correct direction.

(b) Using a pin punch (dia5 mm) and a hammer, install the slotted spring pin onto the reverse restrict pin assembly.





Drive in depth:

15.5 to 16.5 mm (0.6102 to 0.6496 in.)

(c) Apply sealant to the reverse restrict pin plug.





Sealant:

Toyota Genuine Adhesive 1344, Three Bond 1344 or equivalent

(d) Using a hexagon wrench and a torque wrench, install the reverse restrict pin plug onto the manual transmission case.

Torque : 13 Nm (130 kgf-cm, 9 ft-lbf)

17. INSTALL MANUAL TRANSAXLE CASE RECEIVER

(a) Install the manual transaxle case receiver onto the transaxle case with the bolt.





Torque : 11 Nm (115 kgf-cm, 8 ft-lbf)

18. INSTALL DIFFERENTIAL CASE ASSEMBLY

(a) Coat the differential case tapered roller bearing with gear oil and install the differential case assembly onto the transaxle case.





19. INSTALL INPUT SHAFT ASSEMBLY

(a) Coat the sliding and rotating surfaces of the input and output shafts with gear oil and install them onto the transaxle case.





20. INSTALL REVERSE IDLER GEAR SUB-ASSEMBLY

(a) Coat the reverse idler gear sub-assembly, thrust washer and reverse idler gear shaft with gear oil, and install them as shown in the illustration.





HINT
Align the mark on the reverse idler gear shaft with the bolt hole as shown in the illustration.

21. INSTALL NO. 1 GEAR SHIFT FORK SHAFT

(a) Coat the No. 1 gear shift fork and No. 2 gear shift fork with gear oil and install them.





(b) Coat the No. 1 gear shift fork shaft with gear oil and install it.





(c) Apply sealant to the shift fork set bolt.

Sealant:

Toyota Genuine Adhesive 1344, Three Bond 1344 or equivalent

(d) Install the shift fork set bolt.

Torque : 16 Nm (160 kgf-cm, 12 ft-lbf)

(e) Using a brass bar and a hammer, install a new shaft snap ring onto the No. 1 gear shift fork shaft.





22. INSTALL NO. 3 GEAR SHIFT FORK SHAFT

(a) Coat the 2 shift fork balls with MP grease and install them onto the reverse shift fork.





(b) Install the reverse shift fork onto the No. 3 gear shift fork shaft.

(c) Using a brass bar and a hammer, install 2 new shift fork shaft snap rings onto the No. 3 shift fork shaft.





(d) Coat the No. 3 gear shift fork shaft with gear oil and install it.