Curiosii for ever!: Car repair manuals for everyone.

Part 2





C59 MANUAL TRANSMISSION / TRANSAXLE: MANUAL TRANSAXLE UNIT: DISASSEMBLY - (Continued)

27. REMOVE SHIFT DETENT BALL

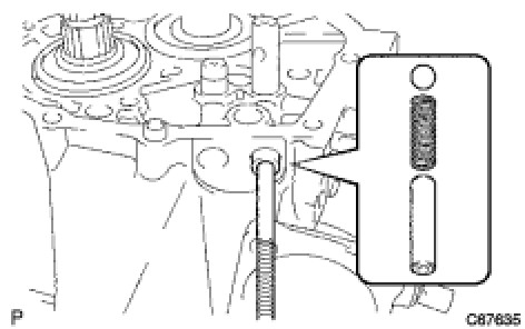
(a) Using a hexagon wrench, remove the 2 shift detent ball plugs from the manual transmission case.





(b) Using a magnetic pick-up tool, remove the 2 shift spring seats, 2 shift detent ball springs, and 2 shift detent balls from the manual transmission case.





(c) Using a hexagon wrench, remove the shift detent ball plug from the transaxle case.





(d) Using a magnetic pick-up tool, remove the seat, spring and ball from the transaxle case.





28. REMOVE NO. 2 LOCK BALL ASSEMBLY

(a) Using a hexagon wrench, remove the No. 2 lock ball assembly from the manual transmission case.





29. REMOVE MANUAL TRANSMISSION CASE

(a) Remove the 3 bolts from the transaxle case.





(b) Remove the 13 bolts from the manual transmission case.





(c) Using a brass bar and a hammer, carefully tap the projections of the manual transmission case to remove the transmission case from the transaxle case.





NOTICE:
Do not damage the manual transmission case or transaxle case.

30. REMOVE REVERSE IDLER GEAR SUB-ASSEMBLY

(a) Remove the reverse idler gear sub-assembly, thrust washer, and reverse idler gear shaft from the transaxle case.





31. REMOVE REVERSE SHIFT ARM BRACKET ASSEMBLY

(a) Remove the 2 bolts and reverse shift arm bracket assembly from the transaxle case.





32. REMOVE NO. 2 GEAR SHIFT FORK SHAFT

(a) Remove the 2 bolts from the No. 2 gear shift fork and No. 1 gear shift head.





(b) Remove the No. 2 gear shift fork shaft and No. 1 gear shift head from the transaxle case.





33. REMOVE NO. 1 GEAR SHIFT FORK SHAFT

(a) Using 2 screwdrivers and a hammer, tap out the snap ring.





HINT
Use a piece of cloth to keep the snap ring from flying off.

(b) Remove the shift fork set bolt and No. 1 gear shift fork shaft from the No. 1 gear shift fork.





(c) Remove the No. 1 gear shift fork.





34. REMOVE NO. 3 GEAR SHIFT FORK SHAFT

(a) Using 2 screwdrivers and a hammer, tap out the snap ring from the No. 3 gear shift fork shaft.





HINT
Use a piece of cloth to keep the snap ring from flying off.

(b) Remove the No. 3 gear shift fork shaft together with the reverse shift fork and No. 2 gear shift fork from the manual transaxle case.





(c) Using a magnetic pick-up tool, remove the 2 reverse shift fork balls from the reverse shift fork.





(d) Using 2 screwdrivers and a hammer, tap the snap ring out of the No. 3 shift fork shaft.





HINT
Use a piece of cloth to keep the snap ring from flying off.

(e) Remove the reverse shift fork from the No. 3 gear shift fork shaft.

35. REMOVE INPUT SHAFT ASSEMBLY

(a) Remove the input shaft assembly and output shaft assembly from the transaxle case.





36. REMOVE DIFFERENTIAL CASE ASSEMBLY

(a) Remove the differential case assembly from the transaxle case.





37. REMOVE MANUAL TRANSAXLE CASE RECEIVER

(a) Remove the bolt and manual transaxle case receiver from the transaxle case.





38. REMOVE REVERSE RESTRICT PIN ASSEMBLY

(a) Using a hexagon wrench, remove the reverse restrict pin plug from the manual transmission case.





(b) Using a pin punch (dia5 mm) and a hammer, drive out the slotted spring pin and remove the reverse restrict pin assembly from the manual transmission case.





39. REMOVE NO. 1 OIL RECEIVER PIPE

(a) Remove the bolt and No. 1 oil receiver pipe from the manual transmission case.





NOTICE:
Do not damage the No. 1 oil receiver pipe.

40. REMOVE NO. 2 OIL RECEIVER PIPE

(a) Remove the bolt and No. 2 oil receiver pipe from the manual transmission case.





NOTICE:
Do not damage the No. 2 oil receiver pipe.

41. REMOVE BEARING LOCK PLATE

(a) Remove the bolt and bearing lock plate from the transaxle case.





42. REMOVE TRANSMISSION MAGNET

(a) Remove the transmission magnet from the transaxle case.





43. REMOVE INPUT SHAFT FRONT BEARING

(a) Using SST, remove the input shaft front bearing from the transaxle case.





SST : 09612-65014

09612-01050

09612-01060

44. REMOVE FRONT TRANSAXLE CASE OIL SEAL

(a) Using a screwdriver, remove the front transaxle case oil seal from the transaxle case.





45. REMOVE OUTPUT SHAFT FRONT BEARING

(a) Using SST, remove the output shaft front bearing from the transaxle case.





SST : 09308-00010

NOTICE:
Do not apply excessive force to the front transaxle case when installing SST.

46. REMOVE OUTPUT SHAFT COVER

(a) Remove the output shaft cover from the transaxle case.





47. REMOVE FRONT DIFFERENTIAL CASE FRONT TAPERED ROLLER BEARING

(a) Using SST, remove the front differential case front tapered roller bearing (outer race) and plate washer from the transaxle case.





SST : 09612-65014

09612-01040

09612-01050

(b) Using SST, remove the front differential case front tapered roller bearing (inner race) from the differential case assembly.





SST : 09950-00020

SST : 09950-00030

SST : 09950-40011

09957-04010

SST : 09950-60010

09951-00360

48. REMOVE TRANSAXLE CASE OIL SEAL

(a) Using SST and a hammer, remove the transaxle case oil seal from the transaxle case.





SST : 09950-60010

09951-00530

SST : 09950-70010

09951-07150

49. REMOVE FRONT DIFFERENTIAL CASE REAR TAPERED ROLLER BEARING

(a) Using SST, remove the front differential case rear tapered roller bearing (outer race) and plate washer from the transmission case.





SST : 09612-65014

09612-01040

09612-01050

(b) Using SST, remove the front differential case rear tapered roller bearing (inner race) from the front differential case.





SST : 09950-40011

09951-04010

09952-04010

09953-04020

09954-04010

09955-04061

09957-04010

09958-04011

SST : 09950-60010

09951-00360

50. REMOVE TRANSMISSION CASE OIL SEAL

(a) Using SST and a hammer, drive out the transmission case oil seal from the manual transmission case.





SST : 09950-60010

09951-00530

SST : 09950-70010

09951-07150

51. REMOVE SHIFT AND SELECT LEVER SHAFT OIL SEAL

(a) Using a screwdriver and a hammer, remove the shift and select lever shaft oil seal.





52. REMOVE SHIFT AND SELECT LEVER SHAFT SLIDE BALL BEARING

(a) Using SST and a plastic hammer, remove the shift and select lever shaft slide ball bearing.





SST : 09950-60010

09951-00220

SST : 09950-70010

09951-07200