Curiosii for ever!: Car repair manuals for everyone.

Part 1





C59 MANUAL TRANSMISSION / TRANSAXLE: MANUAL TRANSAXLE UNIT: DISASSEMBLY

1. REMOVE MANUAL TRANSMISSION FILLER PLUG





(a) Remove the manual transmission filler plug and gasket from the manual transmission case.

2. REMOVE DRAIN PLUG SUB-ASSEMBLY





(a) Remove the drain plug sub-assembly and gasket from the manual transmission case.

3. REMOVE SPEEDOMETER DRIVEN HOLE COVER SUB-ASSEMBLY

(a) Remove the bolt and speedometer driven hole cover sub-assembly from the transaxle case.





(b) Remove the O-ring from the speedometer driven hole cover sub-assembly.

4. REMOVE BACK-UP LIGHT SWITCH ASSEMBLY

(a) Separate the back-up light switch wire harness from the 2 clamps.





(b) Using SST, remove the back-up light switch assembly and gasket from the manual transmission case.

SST : 09817-16011

5. REMOVE SELECTING BELLCRANK ASSEMBLY





(a) Remove the 2 bolts, nut and selecting bellcrank assembly from the manual transmission case.

(b) Remove the control bellcrank dust cover.

6. REMOVE FLOOR SHIFT CONTROL SHIFT LEVER





(a) Remove the nut and washer.

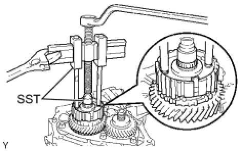
(b) Using a brass bar and a hammer, remove the lock pin.





(c) Remove the floor shift control shift lever and dust boot.

7. REMOVE SHIFT LEVER DAMPER





(a) Remove the nut and washer.

(b) Using a brass bar and a hammer, remove the lock pin.





(c) Remove the shift lever damper and dust boot.

8. PREPARE MANUAL TRANSAXLE ASSEMBLY





(a) Place the manual transaxle assembly on wooden blocks.

9. REMOVE NO. 1 LOCK BALL ASSEMBLY





(a) Remove the No. 1 lock ball assembly from the manual transmission case.

10. REMOVE SHIFT GUIDE PIN





(a) Remove the shift guide pin and washer from the manual transmission case.

11. REMOVE CONTROL SHAFT COVER





(a) Remove the 4 bolts, control shaft cover and gasket from the manual transmission case.

12. REMOVE CONTROL SHAFT COVER OIL SEAL





(a) Using a screwdriver, remove the control shaft cover oil seal from the control shaft cover.

13. REMOVE SHIFT AND SELECT LEVER SHAFT ASSEMBLY

(a) Remove the shift and select lever shaft assembly from the manual transmission case.





14. REMOVE MANUAL TRANSMISSION CASE COVER SUB-ASSEMBLY





(a) Remove the 9 bolts.

(b) Using a plastic hammer, carefully tap the projections of the manual transmission case cover sub-assembly to remove the manual transmission case cover from the manual transmission case.





NOTICE:
Do not damage the manual transmission case.

15. REMOVE MANUAL TRANSMISSION OUTPUT SHAFT REAR SET NUT





(a) Using a chisel and a hammer, loosen the staked part of the manual transmission output shaft rear set nut.

(b) Engage the 2 gears simultaneously to lock the transmission.





(c) Remove the manual transmission output shaft rear set nut.

(d) Disengage the 2 gears.

16. REMOVE NO. 3 GEAR SHIFT FORK





(a) Remove the gear shift fork lock bolt from the No. 3 gear shift fork.

(b) Remove the No. 3 transmission hub sleeve with the No. 3 gear shift fork from the No. 3 transmission clutch hub.





17. INSPECT 5TH GEAR THRUST CLEARANCE





(a) Using a dial indicator, measure the 5th gear thrust clearance.

Standard clearance:

0.10 to 0.55 mm (0.00394 to 0.0217 in.)

Maximum clearance:

0.55 mm (0.0217 in.)

(b) If the clearance exceeds the maximum, replace the No. 3 transmission clutch hub, 5th gear or input shaft rear radial ball bearing.

18. INSPECT 5TH GEAR RADIAL CLEARANCE





(a) Using a dial indicator, measure the 5th gear radial clearance.

Standard clearance:

NSK made bearing
0.015 to 0.056 mm (0.000591 to 0.00220 in.)

KOYO made bearing
0.015 to 0.058 mm (0.000591 to 0.00228 in.)

Maximum clearance:

NSK made bearing
0.056 mm (0.00220 in.)

KOYO made bearing
0.058 mm (0.00228 in.)

(b) If the clearance exceeds the maximum, replace the 5th gear, 5th gear needle roller bearing or input shaft.

19. REMOVE NO. 3 TRANSMISSION CLUTCH HUB





(a) Using 2 screwdrivers and a hammer, tap out the snap ring.

HINT
Use a piece of cloth to keep the snap ring from flying off.

(b) Using a screwdriver, remove the synchromesh shifting key spring from the No. 3 transmission clutch hub.





(c) Using SST, remove the No. 3 transmission clutch hub, 5th gear, and No. 3 synchronizer ring from the input shaft.

SST : 09950-50013

09951-05010

09952-05010

09953-05020

09954-05031

09957-04010

SST : 09950-60010

09951-00200





(d) Remove the 3 synchromesh shifting keys and synchromesh shifting key spring from the No. 3 transmission clutch hub.





20. REMOVE 5TH GEAR NEEDLE ROLLER BEARING

(a) Remove the 5th gear needle roller bearing and 5th gear bearing spacer from the input shaft.





21. REMOVE 5TH DRIVEN GEAR

(a) Using SST, remove the 5th driven gear from the output shaft.





SST : 09950-30012

09951-03010

09953-03010

09954-03010

09955-03021

SST : 09950-60010

09951-00180

09952-06010

22. REMOVE REAR BEARING RETAINER

(a) Remove the 5 bolts and rear bearing retainer from the manual transmission case.





23. REMOVE OUTPUT SHAFT REAR BEARING HOLE SNAP RING

(a) Using a snap ring expander, remove the output shaft rear bearing hole snap ring from the output shaft.





24. REMOVE INPUT SHAFT REAR BEARING HOLE SNAP RING

(a) Using a snap ring expander, remove the input shaft rear bearing hole snap ring from the input shaft.





25. REMOVE REVERSE IDLER GEAR SHAFT BOLT

(a) Remove the reverse idler gear shaft bolt and gasket from the manual transmission case.





26. REMOVE SHIFT FORK SHAFT SNAP RING

(a) Using 2 screwdrivers and a hammer, tap out the snap ring from the No. 2 gear shift fork shaft.





HINT
Use a piece of cloth to keep the snap ring from flying off.