Curiosii for ever!: Car repair manuals for everyone.

Cranking Holding Function Circuit





2ZR-FE ENGINE CONTROL: SFI SYSTEM: Cranking Holding Function Circuit
- Cranking Holding Function Circuit

DESCRIPTION

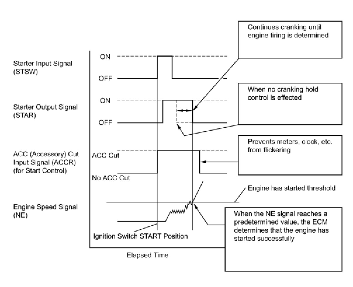
The cranking holding control system keeps energizing the ST relay after the ECM detects the starter signal (STSW signal) from the main body ECU until the ECM performs a judgment of "Engine started". Furthermore, the ECM outputs an accessory cut signal (ACCR signal) to the ACC CUT relay during cranking to prevent flickering of the combination meter, clock, audio system, and other areas.

When the ECM detects the STSW signal, the ECM outputs the starter relay drive signal (STAR signal) to the starter relay through the clutch pedal switch assembly or park/neutral position switch, and then the engine is cranked. When the ECM receives a stable engine speed signal (NE signal) (more specifically, when the NE signal reaches a predetermined value), the ECM stops outputting the STAR signal. Also, the ECM monitors the ST relay operating conditions based on the STA terminal voltage status.





WIRING DIAGRAM





INSPECTION PROCEDURE

PROCEDURE

1. READ VALUE USING TECHSTREAM (STARTER SIGNAL)

(a) Connect the Techstream to the DLC3.

(b) Turn the ignition switch to ON.

(c) Turn the Techstream ON.

(d) Enter the following menus: Powertrain / Engine and ECT / Data List / Starter Signal.

(e) Move the shift lever to the P or N position (for automatic transaxle models).

(f) Fully depress the clutch pedal (for manual transaxle models).

(g) Check the result when the ignition switch is turned ON and START positions.

OK:





Result:





B -- INSPECT ST RELAY (VOLTAGE)
A -- Continue to next step.

2. INSPECT ECM (STSW TERMINAL VOLTAGE)

(a) Disconnect the ECM connector.





(b) Crank the engine.

(c) Measure the voltage according to the value(s) in the table below.

Standard Voltage:





(d) Reconnect the ECM connector.

HINT
DTCs related to the communication with other computers may be set due to this inspection. Clear those DTCs after inspection.

NG -- INSPECT FUSE (AM2 NO. 2 FUSE)
OK -- Continue to next step.

3. INSPECT RELAY (ST RELAY VOLTAGE)

(a) Remove the ST relay from the No. 8 relay block.





(b) Move the shift lever the P or N position (for automatic transaxle models).

(c) Fully depress the clutch pedal (for manual transaxle models).

(d) Crank the engine.

(e) Measure the voltage according to the value(s) in the table below.

Standard Voltage:





(f) Reinstall the ST relay.

Result:





D -- INSPECT CLUTCH PEDAL SWITCH

C -- INSPECT PARK/NEUTRAL POSITION SWITCH

B -- CHECK HARNESS AND CONNECTOR (CLUTCH PEDAL SWITCH - ECM)
A -- Continue to next step.

4. CHECK HARNESS AND CONNECTOR (PARK/NEUTRAL POSITION SWITCH - ECM)

(a) Disconnect the ECM connector.





(b) Disconnect the park/neutral position switch assembly connector.

(c) Measure the resistance according to the value(s) in the table below.

Standard Resistance (Check for open):





Standard Resistance (Check for short):





(d) Reconnect the ECM connector.

(e) Reconnect the park/neutral position switch assembly connector.

NG -- REPAIR OR REPLACE HARNESS OR CONNECTOR (PARK/NEUTRAL POSITION SWITCH - ECM)

OK -- REPLACE ECM Removal

5. CHECK HARNESS AND CONNECTOR (CLUTCH PEDAL SWITCH - ECM)

(a) Disconnect the ECM connector.





(b) Disconnect the clutch pedal switch connector.

(c) Measure the resistance according to the value(s) in the table below.

Standard Resistance (Check for Open):





Standard Resistance (Check for Short):





(d) Reconnect the ECM connector.

(e) Reconnect the clutch pedal switch connector.

NG -- REPAIR OR REPLACE HARNESS OR CONNECTOR (CLUTCH PEDAL SWITCH - ECM)

OK -- REPLACE ECM Removal

6. INSPECT PARK/NEUTRAL POSITION SWITCH

(a) Inspect the park/neutral position switch Inspection.

NG -- REPLACE PARK/NEUTRAL POSITION SWITCH Removal
OK -- Continue to next step.

7. CHECK HARNESS AND CONNECTOR (IGNITION SWITCH ASSEMBLY - PARK/NEUTRAL POSITION SWITCH)

(a) Disconnect the park/neutral position switch connector.





(b) Disconnect the ignition switch assembly connector.

(c) Measure the resistance according to the value(s) in the table below.

Standard Resistance (Check for Open):





Standard Resistance (Check for Short):





HINT
When measuring the resistance, it is necessary to reverse the positive (+) and negative (-) tester probes because there is a diode in the wire harness.

(d) Reconnect the park/neutral position switch connector.

(e) Reconnect the ignition switch assembly connector.

NG -- REPAIR OR REPLACE HARNESS OR CONNECTOR (IGNITION SWITCH ASSEMBLY - PARK/NEUTRAL POSITION SWITCH)
OK -- Continue to next step.

8. CHECK HARNESS AND CONNECTOR (IGNITION SWITCH ASSEMBLY - ECM)

(a) Disconnect the ECM connector.





(b) Disconnect the ignition switch assembly connector.

(c) Measure the resistance according to the value(s) in the table below.

Standard Resistance (Check for Open):





Standard Resistance (Check for Short):





(d) Reconnect the ECM connector.

(e) Reconnect the ignition switch assembly connector.

NG -- REPAIR OR REPLACE HARNESS OR CONNECTOR (IGNITION SWITCH ASSEMBLY - ECM)
OK -- Continue to next step.

9. CHECK HARNESS AND CONNECTOR (ST RELAY - PARK/NEUTRAL POSITION SWITCH)

(a) Disconnect the park/neutral position switch connector.





(b) Remove the ST relay from the No. 8 relay block.

(c) Measure the resistance according to the value(s) in the table below.

Standard Resistance (Check for Open):





Standard Resistance (Check for Short):





(d) Reconnect the park/neutral position switch connector.

(e) Reinstall the ST relay.

NG -- REPAIR OR REPLACE HARNESS OR CONNECTOR (ST RELAY - PARK/NEUTRAL POSITION SWITCH)

OK -- REPLACE ECM Removal

10. INSPECT CLUTCH PEDAL SWITCH

(a) Inspect the clutch pedal switch Testing and Inspection.

NG -- REPLACE CLUTCH PEDAL SWITCH Removal
OK -- Continue to next step.

11. CHECK HARNESS AND CONNECTOR (IGNITION SWITCH ASSEMBLY - CLUTCH PEDAL SWITCH)

(a) Disconnect the clutch pedal switch connector.





(b) Disconnect the ignition switch assembly connector.

(c) Measure the resistance according to the value(s) in the table below.

Standard Resistance (Check for Open):





Standard Resistance (Check for Short):





HINT
When measuring the resistance, it is necessary to reverse the positive (+) and negative (-) tester probes because there is a diode in the wire harness.

(d) Reconnect the clutch pedal switch connector.

(e) Reconnect the ignition switch assembly connector.

NG -- REPAIR OR REPLACE HARNESS OR CONNECTOR (IGNITION SWITCH ASSEMBLY - CLUTCH PEDAL SWITCH)
OK -- Continue to next step.

12. CHECK HARNESS AND CONNECTOR (IGNITION SWITCH ASSEMBLY - ECM)

(a) Disconnect the ECM connector.





(b) Disconnect the ignition switch assembly connector.

(c) Measure the resistance according to the value(s) in the table below.

Standard Resistance (Check for Open):





Standard Resistance (Check for Short):





(d) Reconnect the ECM connector.

(e) Reconnect the ignition switch assembly connector.

NG -- REPAIR OR REPLACE HARNESS OR CONNECTOR (IGNITION SWITCH ASSEMBLY - ECM)
OK -- Continue to next step.

13. CHECK HARNESS AND CONNECTOR (ST RELAY - CLUTCH PEDAL SWITCH)

(a) Disconnect the clutch pedal switch connector.





(b) Remove the ST relay from the No. 8 relay block.

(c) Measure the resistance according to the value(s) in the table below.

Standard Resistance (Check for Open):





Standard Resistance (Check for Short):





(d) Reconnect the clutch pedal switch connector.

(e) Reinstall the ST relay.

NG -- REPAIR OR REPLACE HARNESS OR CONNECTOR (ST RELAY - CLUTCH PEDAL SWITCH)

OK -- REPLACE ECM Removal

14. INSPECT FUSE (AM2 NO. 2 FUSE)

(a) Remove the AM2 No. 2 fuse from the engine room relay block.





(b) Measure the resistance according to the value(s) in the table below.

Standard Resistance:





(c) Reinstall the AM2 No. 2 fuse.

NG -- CHECK FOR SHORTS IN ALL HARNESSES AND CONNECTORS CONNECTED TO FUSE AND REPLACE FUSE
OK -- Continue to next step.

15. INSPECT IGNITION SWITCH ASSEMBLY

(a) Inspect the ignition switch assembly Testing and Inspection.

NG -- REPLACE IGNITION SWITCH ASSEMBLY Removal
OK -- Continue to next step.

16. CHECK HARNESS AND CONNECTOR (AM2 TERMINAL VOLTAGE)

(a) Disconnect the ignition switch assembly connector.





(b) Measure the voltage according to the value(s) in the table below.

Standard Voltage:





(c) Reconnect the ignition switch assembly connector.

NG -- REPAIR OR REPLACE HARNESS OR CONNECTOR (BATTERY - IGNITION SWITCH ASSEMBLY)

OK -- REPAIR OR REPLACE HARNESS OR CONNECTOR (IGNITION SWITCH ASSEMBLY - ECM)

17. INSPECT ST RELAY (VOLTAGE)

(a) Remove the ST relay from the No. 8 relay block.





(b) Move the shift lever to the P or N position (for automatic transaxle models).

(c) Fully depress the clutch pedal (for manual transaxle models).

(d) Crank the engine.

(e) Measure the voltage according to the value(s) in the table below.

Standard Voltage:





(f) Reinstall the ST relay.

Result:





C -- REPAIR OR REPLACE HARNESS OR CONNECTOR (ST RELAY - CLUTCH PEDAL SWITCH)

B -- REPAIR OR REPLACE HARNESS OR CONNECTOR (ST RELAY - PARK/NEUTRAL POSITION SWITCH)
A -- Continue to next step.

18. INSPECT RELAY (ST RELAY)

(a) Remove the ST relay from No. 8 relay block.





(b) Measure the resistance according to the value(s) in the table below.

Standard Resistance:





(c) Reinstall the ST relay.

NG -- REPLACE RELAY (ST RELAY)
OK -- Continue to next step.

19. INSPECT ST RELAY (VOLTAGE)

(a) Remove the ST relay from the No. 8 relay block.





(b) Measure the voltage according to the value(s) in the table below.

Standard Voltage:





(c) Reinstall the ST relay.

NG -- REPAIR OR REPLACE HARNESS OR CONNECTOR (BATTERY - ST RELAY)
OK -- Continue to next step.

20. CHECK HARNESS AND CONNECTOR (ST RELAY - BODY GROUND)

(a) Remove the ST relay from the No. 8 relay block.





(b) Measure the resistance according to the value(s) in the table below.

Standard Resistance (Check for Open):





(c) Reinstall the ST relay.

NG -- REPAIR OR REPLACE HARNESS OR CONNECTOR (ST RELAY - BODY GROUND)
OK -- Continue to next step.

21. INSPECT STARTER ASSEMBLY

(a) Inspect the starter assembly Testing and Inspection.

NG -- REPLACE STARTER ASSEMBLY Removal

OK -- REPAIR OR REPLACE HARNESS OR CONNECTOR (BATTERY - STARTER - ST RELAY)