Curiosii for ever!: Car repair manuals for everyone.

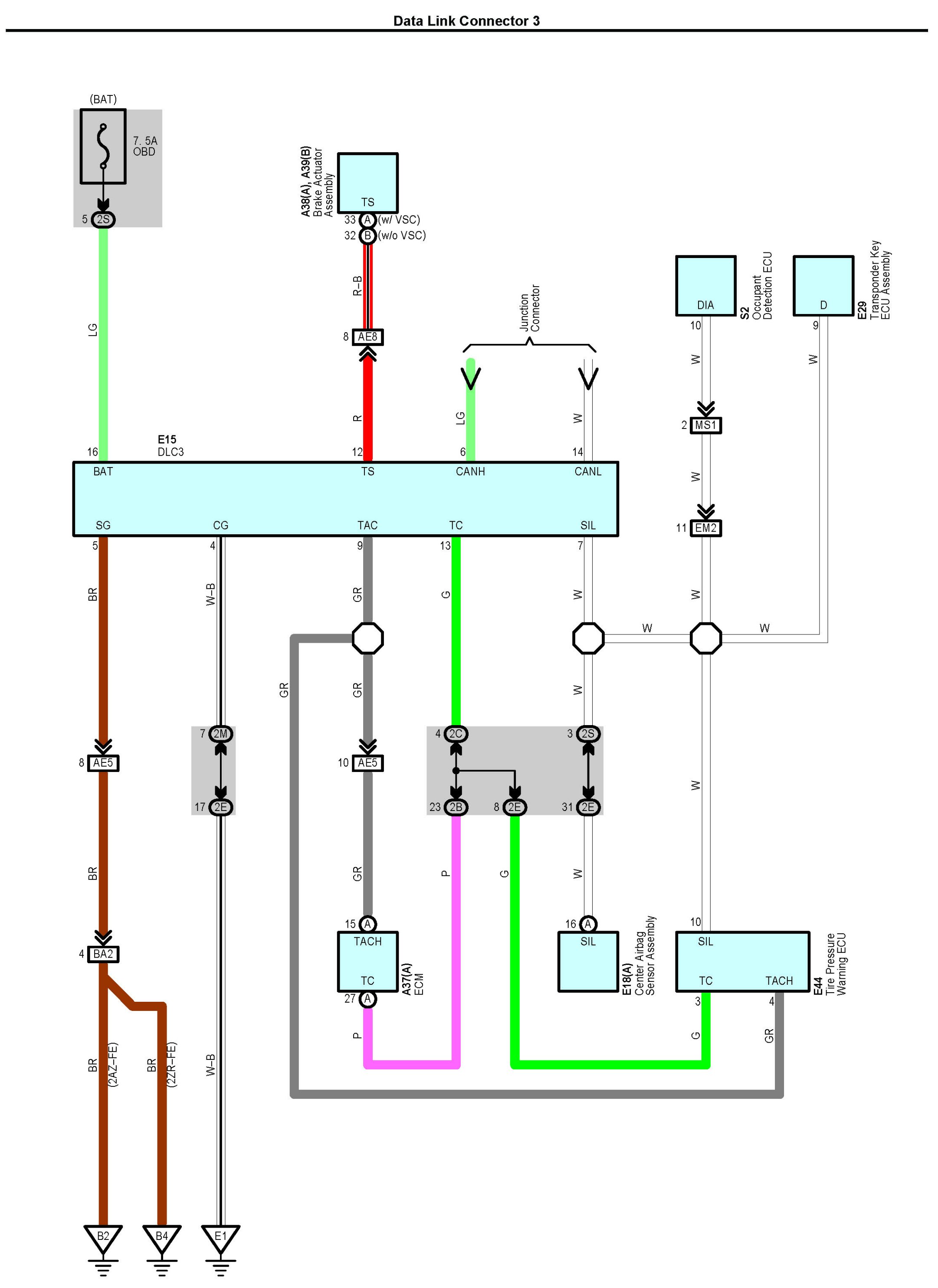
Data Link Connector

Data Link Connector:




Connectors Part 1:




Connectors Part 2:




Connectors Part 3:






Locations: The locations of components, connectors, ground points, and splices referred to within these diagrams can be found at Vehicle Locations. Locations