Curiosii for ever!: Car repair manuals for everyone.

ECU Power Source Circuit





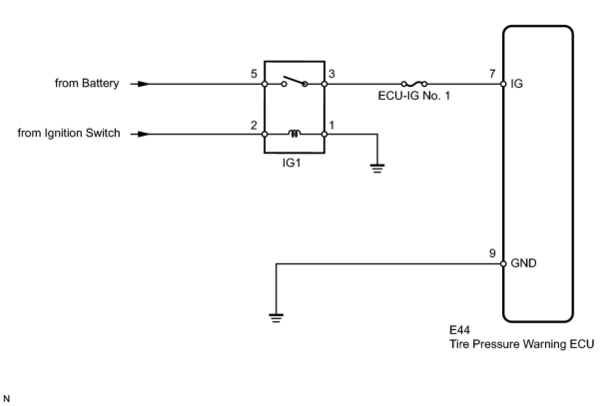
TIRE PRESSURE MONITORING: TIRE PRESSURE WARNING SYSTEM: ECU Power Source Circuit
- ECU Power Source Circuit

DESCRIPTION

This is the power source for the tire pressure warning ECU.

WIRING DIAGRAM





INSPECTION PROCEDURE

NOTICE:
* When replacing the tire pressure warning ECU, read the transmitter IDs stored in the old ECU using the Techstream and write them down before removal.
* It is necessary to perform initialization Initialization after registration Registration of the transmitter IDs into the tire pressure warning ECU after the ECU has been replaced.

PROCEDURE

1. INSPECT FUSE (ECU-IG NO. 1)

(a) Remove the ECU-IG No. 1 fuse from the instrument panel junction block.

(b) Measure the resistance according to the value(s) in the table below.

Standard Resistance:





NG -- REPLACE FUSE
OK -- Continue to next step.

2. INSPECT IGNITION RELAY NO. 1

(a) Remove the IG1 relay from the instrument panel junction block.





(b) Measure the resistance according to the value(s) in the table below.

Standard Resistance:





NG -- REPLACE IGNITION RELAY NO. 1
OK -- Continue to next step.

3. CHECK HARNESS AND CONNECTOR (ECU - BATTERY AND BODY GROUND)

(a) Disconnect the E44 ECU connector.





(b) Measure the voltage according to the value(s) in the table below.

Standard Voltage:





(c) Measure the resistance according to the value(s) in the table below.

Standard Resistance:





NG -- REPAIR OR REPLACE HARNESS OR CONNECTOR

OK -- PROCEED TO NEXT CIRCUIT INSPECTION SHOWN IN PROBLEM SYMPTOMS TABLE Symptom Related Diagnostic Procedures