Curiosii for ever!: Car repair manuals for everyone.

Recirculation Damper Servo Motor Circuit





HEATING / AIR CONDITIONING: AIR CONDITIONING SYSTEM (for Manual Air Conditioning System): Recirculation Damper Servo Motor Circuit
- Recirculation Damper Servo Motor Circuit

DESCRIPTION

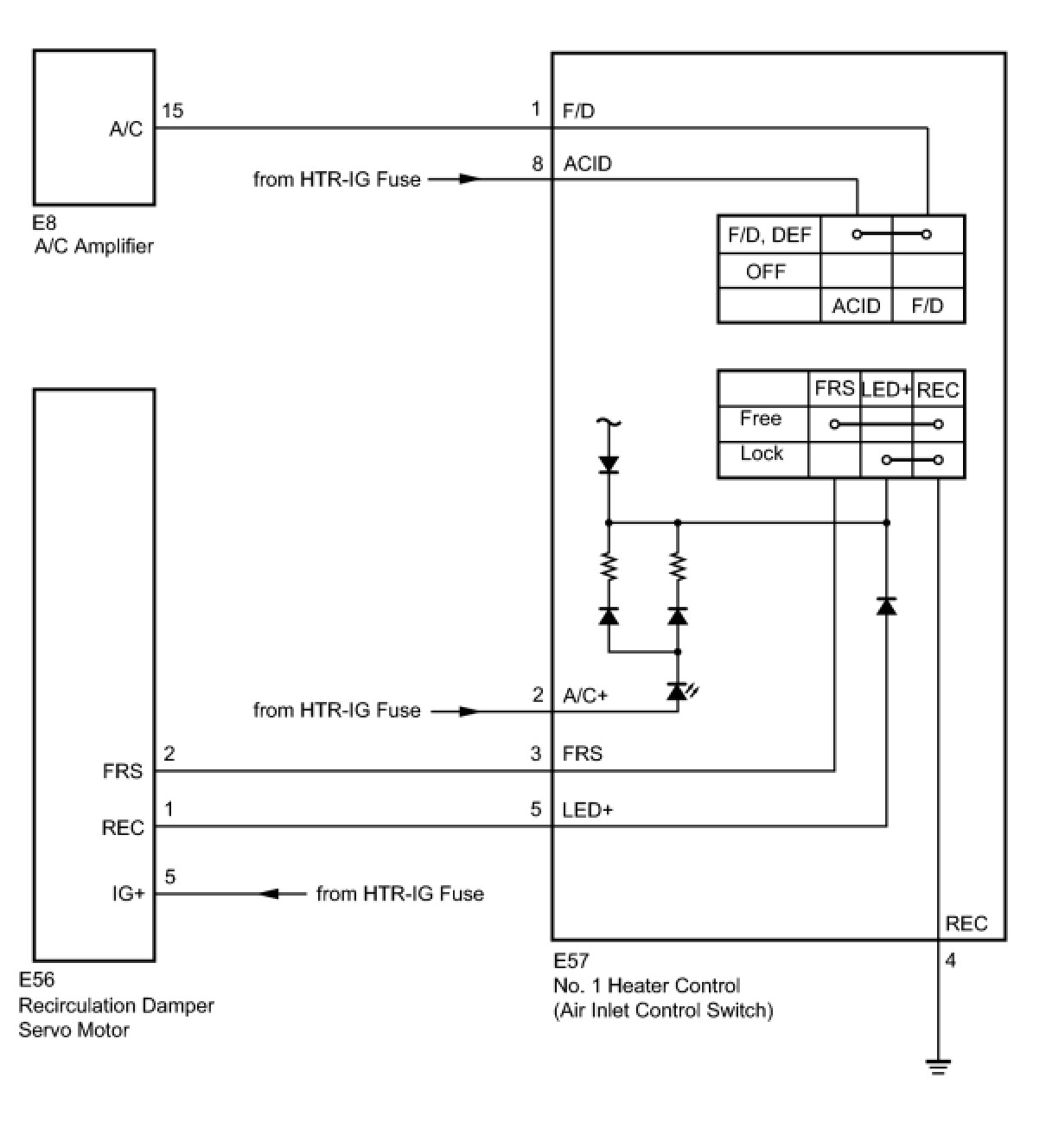
The recirculation damper servo motor and No. 1 heater control (air inlet control switch) are powered through the HTR-IG fuse. Operating No. 1 heater control (air inlet control switch) drives the recirculation damper servo motor to switch between "FRESH" and "RECIRCULATION".

WIRING DIAGRAM





INSPECTION PROCEDURE

PROCEDURE

1. INSPECT FUSE (HTR-IG)

(a) Remove the HTR-IG fuse from the instrument panel junction block.

(b) Measure the resistance according to the value(s) in the table below.

Standard Resistance:





NG -- REPLACE FUSE (HTR-IG)
OK -- Continue to next step.

2. INSPECT RECIRCULATION DAMPER SERVO MOTOR

(a) Remove the recirculation damper servo motor.

(b) Disconnect the connector from the recirculation damper servo motor.





(c) Connect a positive (+) lead from the battery to terminal 5 and a negative (-) lead from the battery to terminal 2, then check that the arm turns to the "FRESH" side smoothly.

OK:

Lever turns to "FRESH" side smoothly.

(d) Connect a positive (+) lead from the battery to terminal 5 and a negative (-) lead from the battery to terminal 1, then check that the arm turns to the "RECIRCULATION" side smoothly.

OK:

Lever turns to "RECIRCULATION" side smoothly.

NG -- REPLACE RECIRCULATION DAMPER SERVO MOTOR Removal
OK -- Continue to next step.

3. INSPECT NO. 1 HEATER CONTROL (AIR INLET CONTROL SWITCH)

(a) Remove the No. 1 heater control (air inlet control switch).

(b) Disconnect the connector from the No. 1 heater control (air inlet control switch).





(c) Measure the resistance according to the value(s) in the table below.

Standard Resistance:





(d) Check that the indicator light comes on.

(1) Turn the heater control base (air inlet control switch) to LOCK.

(2) Connect a positive (+) lead from the battery to terminal 2 and a negative (-) lead from the battery to terminal 4, and check that the indicator light comes on.

OK:

The indicator light comes on.

(e) Check that the illumination comes on.

(1) Connect a positive (+) lead from the battery to terminal 7 and negative (-) lead from the battery to terminal 6, and check that the illumination comes on.

OK:

The illumination comes on.

NG -- REPLACE NO. 1 HEATER CONTROL (AIR INLET CONTROL SWITCH)
OK -- Continue to next step.

4. CHECK HARNESS AND CONNECTOR (RECIRCULATION DAMPER SERVO MOTOR - BATTERY)

(a) Measure the voltage according to the value(s) in the table below.





Standard Voltage:





NG -- REPAIR OR REPLACE HARNESS OR CONNECTOR
OK -- Continue to next step.

5. CHECK HARNESS AND CONNECTOR (NO. 1 HEATER CONTROL (AIR INLET CONTROL SWITCH) - BATTERY)

(a) Measure the voltage according to the value(s) in the table below.





Standard Voltage:





NG -- REPAIR OR REPLACE HARNESS OR CONNECTOR
OK -- Continue to next step.

6. CHECK HARNESS AND CONNECTOR (NO. 1 HEATER CONTROL(AIR INLET CONTROL SWITCH) - BODY GROUND)

(a) Measure the resistance according to the value(s) in the table below.





Standard Resistance:





NG -- REPAIR OR REPLACE HARNESS OR CONNECTOR
OK -- Continue to next step.

7. CHECK HARNESS AND CONNECTOR (NO. 1 HEATER CONTROL - RECIRCULATION DAMPER SERVO MOTOR)

(a) Measure the resistance according to the value(s) in the table below.





Standard Resistance:





NG -- REPAIR OR REPLACE HARNESS OR CONNECTOR
OK -- Continue to next step.

8. CHECK HARNESS AND CONNECTOR (NO. 1 HEATER CONTROL - A/C AMPLIFIER)

(a) Disconnect the connector from the A/C amplifier.





(b) Measure the resistance according to the value(s) in the table below.

Standard Resistance:





NG -- REPAIR OR REPLACE HARNESS OR CONNECTOR

OK -- PROCEED TO NEXT CIRCUIT INSPECTION SHOWN IN PROBLEM SYMPTOMS TABLE Symptom Related Diagnostic Procedures