Curiosii for ever!: Car repair manuals for everyone.

Transmission Control Systems

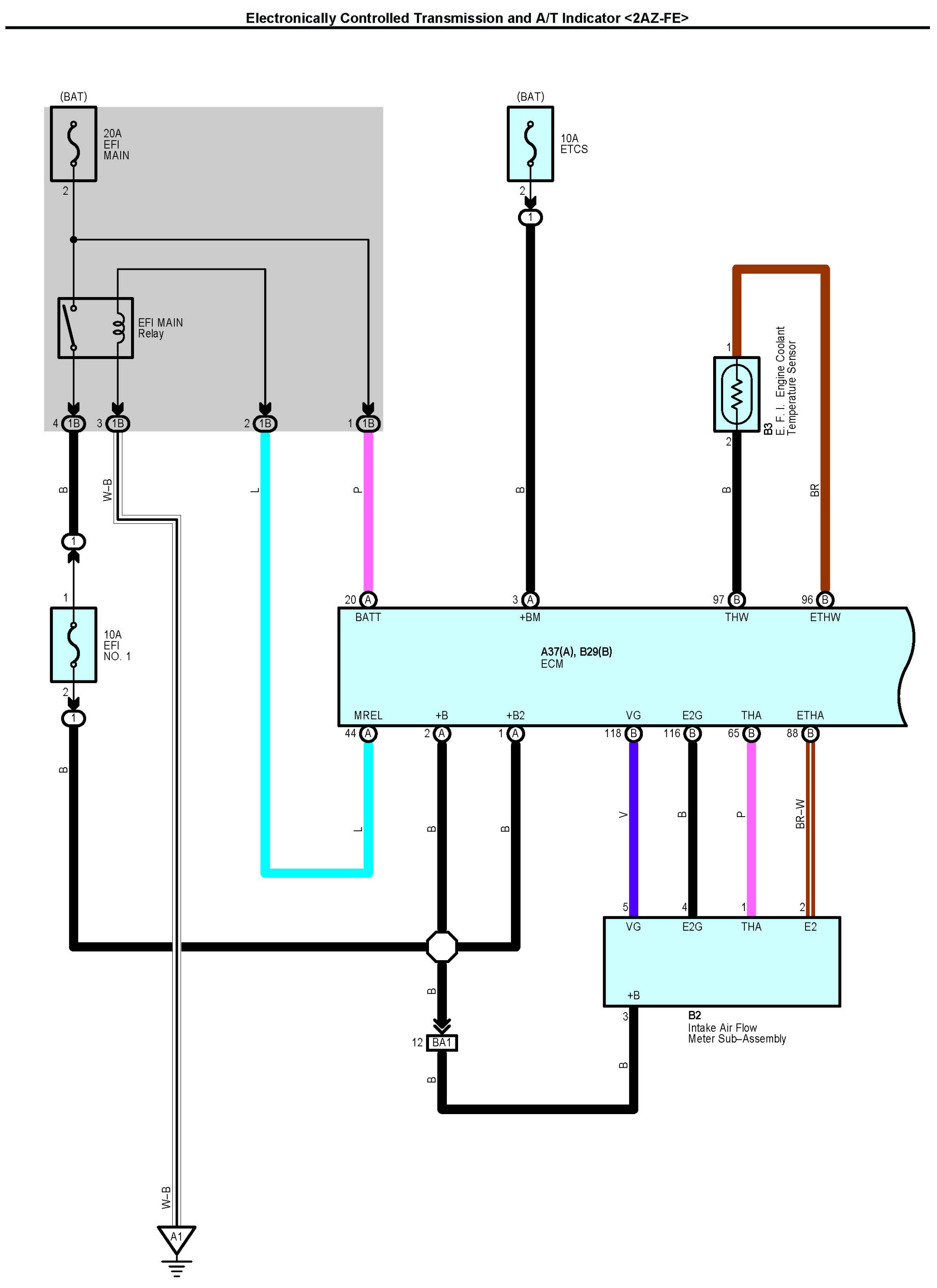
Electronically Controlled Transmission and A/T Indicator Part 1:




Electronically Controlled Transmission and A/T Indicator Part 2:




Electronically Controlled Transmission and A/T Indicator Part 3:




Electronically Controlled Transmission and A/T Indicator Part 4:




Electronically Controlled Transmission and A/T Indicator Part 5:




Electronically Controlled Transmission and A/T Indicator Part 6:




Connectors Part 1:




Connectors Part 2:




Connectors Part 3:






Locations: The locations of components, connectors, ground points, and splices referred to within these diagrams can be found at Vehicle Locations. Locations