Curiosii for ever!: Car repair manuals for everyone.

Starting - Smart Key System











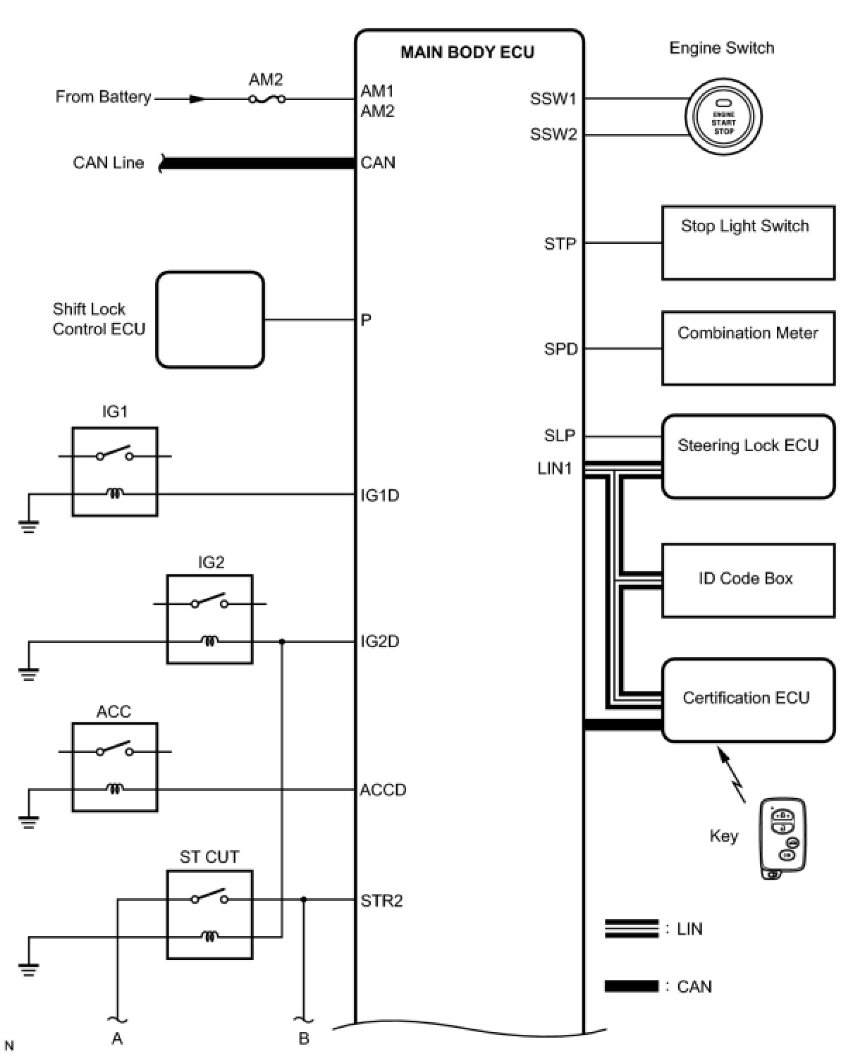
2GR-FE STARTING: SMART KEY SYSTEM: SYSTEM DIAGRAM









Communication table::






2GR-FE STARTING: SMART KEY SYSTEM: SYSTEM DESCRIPTION

1. PUSH-BUTTON START FUNCTION DESCRIPTION

(a) The push-button start function uses a push-type engine switch, which the driver can operate by merely carrying the electrical key. This system consists primarily of the main body ECU, engine switch, ID code box, steering lock ECU, electrical key, ACC relay, IG1 relay, IG2 relay and certification ECU. The main body ECU controls the function. This function operates in cooperation with the smart key system.

2. FUNCTION OF COMPONENT





3. SYSTEM FUNCTION

The electric controls of the push-button start function are described below:





4. CONSTRUCTION AND OPERATION





(a) Engine Switch

The engine switch consists of a momentary type switch, 3 color (amber, green, greenish white) LEDs, and a transponder key amplifier.

* The greenish white LED is for illumination.

* The amber and green LEDs are for the indicator lights. The driver can check the present power source mode and whether the engine can start in accordance with the illumination state of the indicator light.

* When the main body ECU detects an abnormality in the push-button start function, it makes the amber indicator light flash. If the engine stopped in this state, it may not be possible to restart it.

(b) Indicator Light Condition

Engine switch indicator light condition::





(c) Main body ECU

The main body ECU consists of the IG1 and IG2 relay actuation circuits and CPU.

HINT
Before removing the battery, make sure to turn the engine switch off. The main body ECU constantly stores the present power source mode in its memory. Therefore, if the main body ECU is interrupted by disconnecting the battery, the main body ECU restores the power source mode after the battery is reconnected. For this reason, if the battery is disconnected when the engine switch is not off, the power will be restored to the vehicle at the same time the power is restored to the main body ECU (by reconnecting the battery).

5. PUSH-BUTTON START FUNCTION OPERATION

(a) This system has different power source mode patterns depending on the brake pedal condition and shift lever position.





(b) When the battery of the key is low, the push-button start function can be operated by holding the key against the engine switch.

* After approximately 1 hour has passed with the engine switch on (ACC) and the shift position in P, the main body ECU will automatically cut the power supply (the power source mode changes to off).

* The illustration below shows the transition of power source modes.

* Transition of power source mode:





HINT
While the vehicle is being driven normally, operation of the engine switch is disabled. However, if the engine must be stopped in an emergency while the vehicle is being driven, pressing the engine switch for 3 seconds or more stops the engine. Power source mode changes from start to on (ACC).

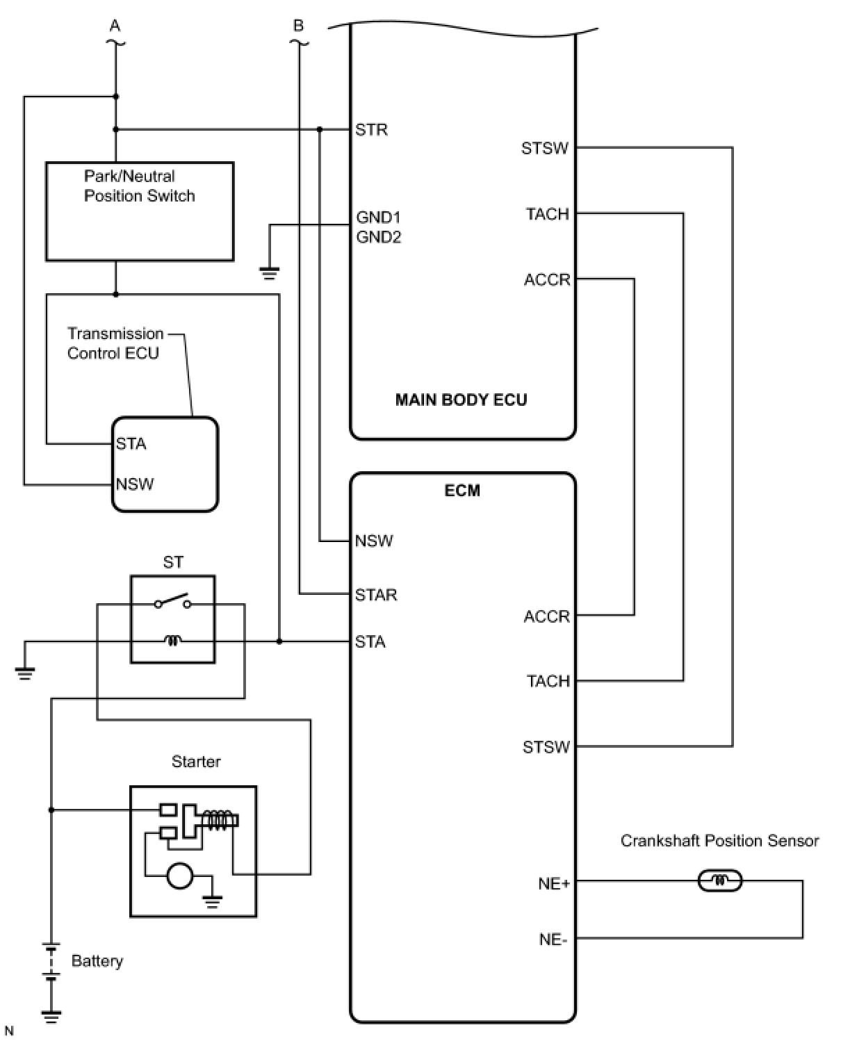
6. WHEN KEY BATTERY IS LOW

(a) To operate the push-button start function when the key battery is low, hold the key close to the engine switch with the brake pedal depressed.





(b) The main body ECU transmits a key verification request signal from the stop light switch to the certification ECU.

(c) The certification ECU does not receive an ID code response from the entry door control receiver, so it actuates the transponder key amplifier built into the engine switch.

(d) The transponder key amplifier outputs an engine immobiliser radio wave to the key.

(e) The key receives the radio wave, and returns a radio wave response to the transponder key amplifier.

(f) The transponder key amplifier combines the key ID codes with the radio wave response, and transmits it to the certification ECU.

(g) The certification ECU judges and verifies the ID code, and transmits a key verification OK signal to the main body ECU. The buzzer in the combination meter sounds at the same time.

(h) After the buzzer sounds, if the engine switch is pressed within 5 seconds with the brake pedal not depressed, the power source mode changes to on (ACC) or on (IG), the same as in the normal condition.

7. DIAGNOSIS

The main body ECU can detect malfunctions in the push-button start function when the power source mode is on (IG).

When the ECU detects a malfunction, the amber indicator light of the engine switch flashes to warn the driver. At the same time, the ECU stores a 5-digit DTC (Diagnostic Trouble Code) in the memory.

* The indicator light warning continues for 15 seconds even after the power source mode is changed to off.

* The DTC can be read by connecting Techstream to the DLC3.

* The push-button start function cannot be operated if a malfunction occurs.