Circuit Opening Relay
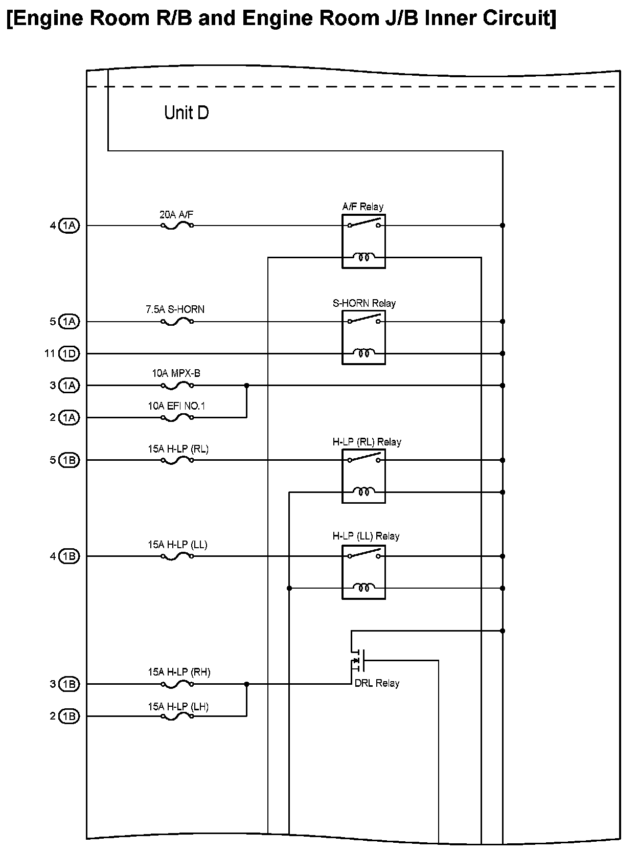
Engine Room R/B And Engine Room J/B Inner Circuit:
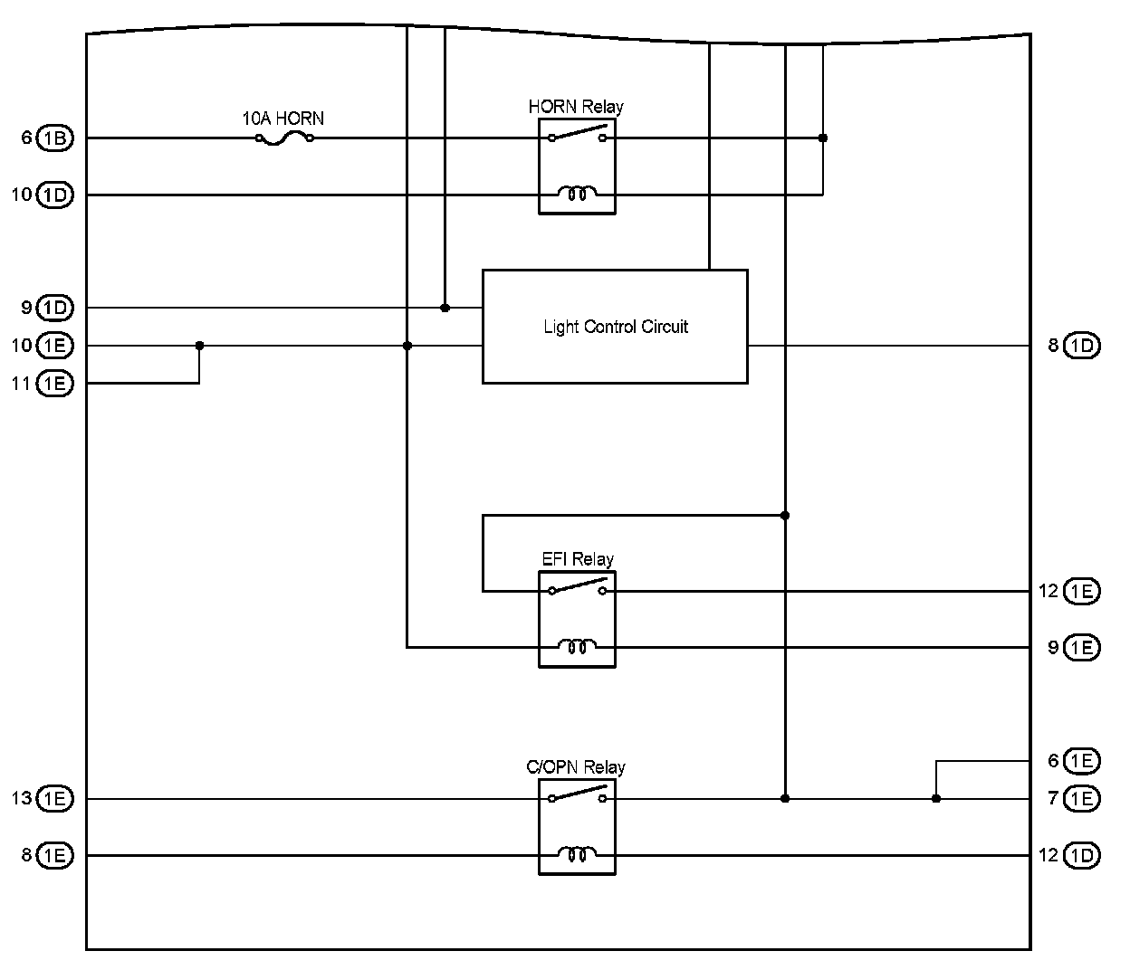
The above image is the second image view of Unit D on the Engine Room Relay box. This image shows the EFI Relay and the COPN (Circuit Opening Relay). The next image is the first image view and is included for reference.
Engine Room R/B And Engine Room J/B Inner Circuit:
Engine Room R/B, J/B - Engine Compartment Left:
The above image is the Top side of the relay box and provides a reference for Unit D. For additional information on the Relay Box, please refer to that component.
Electrical Diagrams
Relay Locations
Locations