Curiosii for ever!
: Car repair manuals for everyone.
Home
>>
Toyota
>>
2010
>>
Camry V6-3.5L (2GR-FE)
>>
Repair and Diagnosis
>>
Powertrain Management
>>
Computers and Control Systems
>>
Description and Operation
Computers and Control Systems: Description and Operation
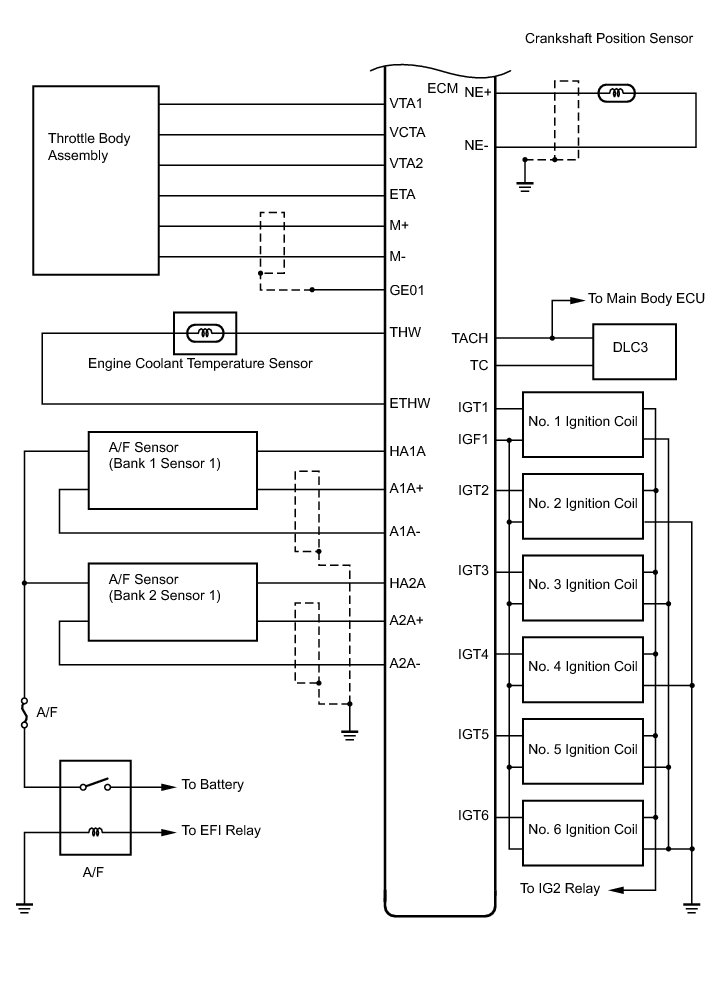
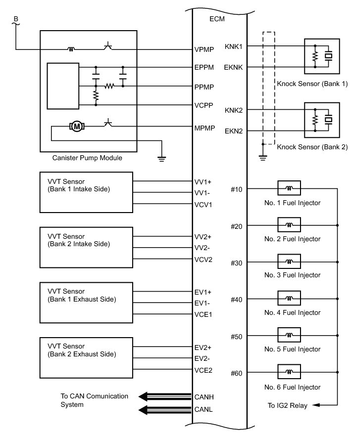
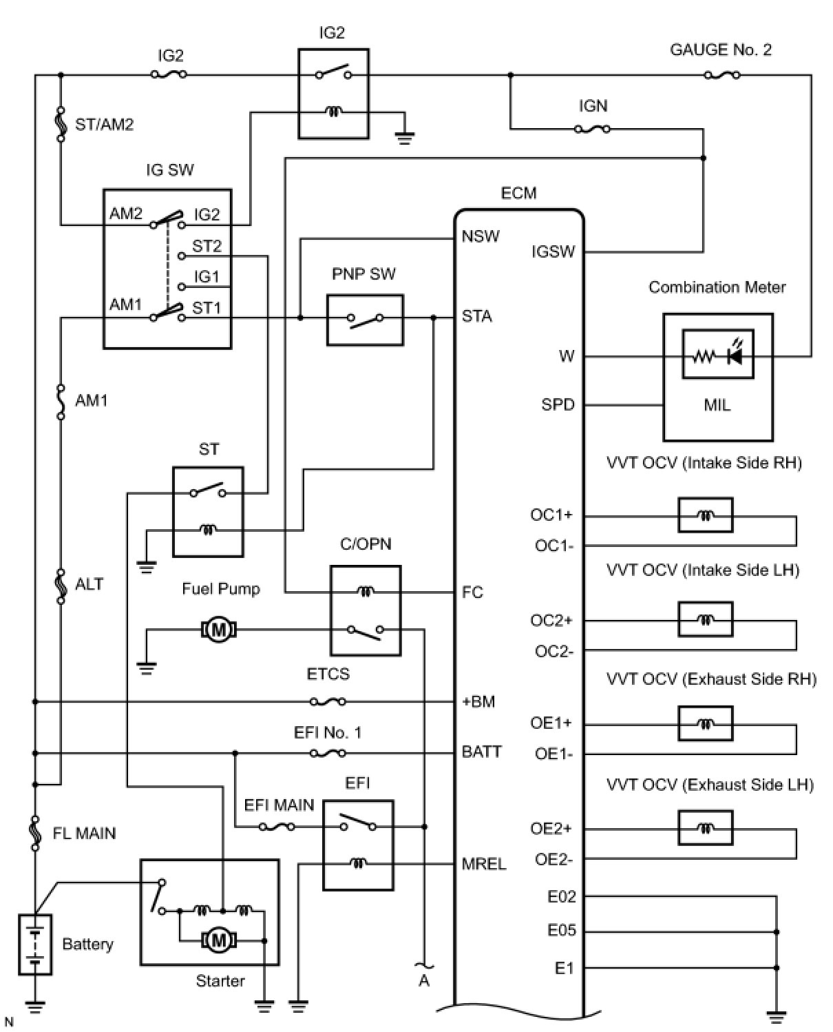
2GR-FE ENGINE CONTROL SYSTEM: SFI SYSTEM: SYSTEM DIAGRAM
1.
Without Smart Key System:
2.
With Smart Key System: